вконтакте

Контактный телефон: +7 (981) 121-46-93, +7 (800) 200-90-76 , Email: parts-katalog@yandex.ru, где купить

 
 
Главная Как заказать Каталоги Контакты

  Логин:

Пароль:

Регистрация

Узнать наличие и цену запчасти:

Лодочные моторы :: Honda :: Четырехтактные :: Honda BF-225 A6 XU


       Показать каталог запчастей для Honda BF225 XU в виде списка


КАТАЛОГ ЗАПЧАСТЕЙ
ВСЕ БЛОКИ ПОДВЕСНОГО ЛОДОЧНОГО МОТОРА HONDA BF-225-A6-XU

крышка головки цилиндра honda BF 225 XU

крышка головки блока цилиндров (cylinder head cover) E1


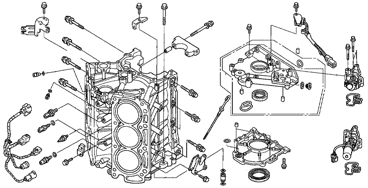
honda BF225 XU блок цилиндра

блок цилиндра (cylinder block) E3


картер двигателя honda BF 225A6 XU

картер двигателя (crankcase) E-3-10


термостат honda BF225A6 XU

выпускной коллектор и темостат (exhaust manifold + thermostat) E-4


масляный насос honda BF225A6 XU

масляный насос и маховик (oil pump + flywheel) E-5


поддон honda BF225 A6 XU

поддон масляного картера (oil pan) E-6

honda BF225 A6 XU болт крепеда корпуса

болт крепёжного кожуха (mount case bolt) E-6-10


коленчатый вал honda BF225 XU и поршень

коленвал и поршень (crankshaft and piston) E7


блока цилиндров, лодочный мотор honda BF 225 XU

головка блока цилиндров (cylinder head) E9


модель honda BF 225 XU - распредвал

распредвал и качающийся рычаг (camshaft + rocker arm) E9-10


honda BF225XU ремень распредвала

ремень распредвала (timing belt) E13


honda BF225A6 XU крышка ремень распредвала

крышка ременя распредвала (timing belt cover) E13-10


инжектор honda BF225 XU и топливопровод

топливопровод и инжектор (fuel pipe + injector) E14


впускной коллектор honda BF225XU

впускной коллектор (intake manifold) E14-10


мотор honda BF225A6 XU - корпус заслонки

корпус дроссельной заслонки (throttle body) E15


влагоотделитель honda BF225A6 XU

отделитель паров топлива в сборе (vapor separator assy) E18


трубопровод honda BF225 XU

трубопровод (piping) E18-10


генератор для honda BF225A6 XU

генератор переменного тока (alterator) E19


honda bf225 a6 xu свеча зажигания

свеча зажигания (spark plug) E20


блоку управления honda bf225a6 xu

электронный блок управления (electronic control unit) E20-10


электростартер honda bf225a6 xu

двигатель электростартера (starter motor) E21


вал переключения honda bf-225-a6-xu

вал механизма переключения (shift shaft) F2


корпус редуктора honda bf225-a6-xu

картер коробки передач (gear case) F3


редуктор honda bf 225 a6 xu в сборе

редуктор в сборе (gear case assy) F3-10


honda bf225 a6 xu удлиняющий кожух

удлиняющий кожух (extension case) F3-20


honda bf225 a6 xu помпа, крыльчатка

водяной насос и вертикальный вал (water pump + vertical shaft) F4


мотор honda bf-225 a6 xu, гребной вал

вал гребного винта (1) (propeller shaft) F-5


топливопровод honda bf225 a6 xu

труба топливопровода (fuel tube) F-6


главная проводка honda bf-225-a6 xu

главный жгут проводов (main wire harness) F-7


лодочный мотор honda bf225-a6 xu - катель стартера

кабель стартера (2) (cable starter assy) F-7-11


крышка провдки honda bf225-a6 xu

крышка и кронштейн (cover + bracket) F-7-12


хомуты проводки honda bf-225-a6 xu

хомут (clamp) F-7-20


капот двигателя honda bf225-a6 xu

крышка двигателя (cover engine) F-8


кронштейн крышки двигателя honda bf225a6 xu

передний кронштейн крышки и передний замок вала (front cover bracket + front lock shaft) F-8-10


мотор honda bf225 a6 xu - сепаратор и топливный фильтр

разделитель воды и топливный сетчатый фильтр (water separator + fuel strainer) F-8-20


двигатель honda bf 225 a6 xu - запчасти крепёжного кожуха

крепёжный кожух (mount case) F-9


двигатель honda bf225 a6 xu - кронштейн транцы

кронштейн транца и корпус шарниров (stern bracket + swivel case) F-10


корпус шарнирного соединения honda bf-225 a6 xu

корпус шарнирного соединения в сборе
(swivel case assy) F-10-1

honda bf225 a6 xu гидроподъём

механизированный дифферент / наклон (power trim-tilt) F-11


наклейки honda bf225a6 xu

наклейки и этикетки (label) F-12


honda bf225 a6 xu инструмент

стандартный инструмент (tools) F-13


панель управления honda bf-225 a6 xu

панель управления (control panel) F-14


honda bf225 a6 xu дистанционное управление

дистанционное управление (remote control) F-15


дистанционное управление honda bf225 a6 xu, одинарная, установка сверху, справа

ДУ одиночного типа, верхняя установка справа (remote control top mount single type right) fop-1


ду honda bf225a6 xu, одинарная, установка сверху, слева

ДУ одиночного типа, верхняя установка слева (remote control top mount single type left) fop-1-1


двойное дистанционное управление honda bf225a6 xu, установка сверху, справа

ДУ одиночного типа, верхняя установка справа (remote control top mount double type right) fop-1-2


двойное ду honda bf225a6 xu, установка сверху слева

ДУ одиночного типа, верхняя установка справа (remote control top mount double type left) fop-1-3


honda bf225a6 xu, remote control установка заподлицо справа

ДУ одинарного типа, установка заподлицо справа (remote control flush type right) FOP-1-4


honda bf225a6 xu, remote control установка заподлицо слева

ДУ одинарного типа, установка заподлицо справа (remote control flush type left) FOP-1-5


honda bf225a6 xu, одинарный remote cable

одинарный кабель ду (single remote cable) FOP-2

двойной кабель ду honda bf225 a6 xu

двойной кабель ду (double remote cable) FOP-2-1


измерительные приборы honda bf225a6 xu

комплект измерительных приборов (standart meter) FOP-3


цифровые приборы приборы honda bf225 a6 xu

комплект цифровых приборов (digital meter) FOP-3-1


чеход для дистанции honda bf225a6xu

набор чехлов для дистанционного управления
(remote control cover kit) FOP-4

honda bf225a6 комплект болтов

комплект болтов (bolt kit) FOP-5

honda bf225 a6 гребной винт

гребной винт (propeller) FOP-6


ремкомплект помпы honda bf225 a6 xu

набор крыльчатки водяного насоса
(water pump kit) FOP-7

комплект для монтажа шланга, аксессуары honda bf225 a6 xu

комплект для монтажа шланга (rigging hose kit) FOP-8


honda bf 225 a6 xu регулировка дифферента

набор пластин регулировки дифферента
(trim adjust plate set) FOP-9

чехол двигателя honda bf225 a6 xu

чехол двигателя (engine cover) FOP-10


honda bf225 a6 xu комплект панели управления

комплект панели управления (control panel kit) FOP-11


 
 

данный сайт носит информационный характер и не является публичной офертой

склад запчастей для водомоторной техники