вконтакте

Контактный телефон: +7 (981) 121-46-93, +7 (800) 200-90-76 , Email: parts-katalog@yandex.ru, где купить

 
 
Главная Как заказать Каталоги Контакты

  Логин:

Пароль:

Регистрация

Узнать наличие и цену запчасти:


УВАЖАЕМЫЕ КЛИЕНТЫ!
C 19 ДЕКАБРЯ 2025 ПО 02 МАРТА 2026 ГОДА ОТДЕЛ ЗАПЧАСТЕЙ И СЕРВИС РАБОТАТЬ НЕ БУДУТ
ПРОДАЖА ЛОДОЧНЫХ МОТОРОВ В ШТАТНОМ РЕЖИМЕ
ОБ ИЗМЕНЕНИЯХ В ГРАФИКЕ РАБОТЫ ЧИТАЙТЕ НА САЙТА



Лодочные моторы :: Honda :: Четырехтактные :: Honda BF30A LHSJ


ЗАПЧАСТИ ДЛЯ ЛОДОЧНОГО МОТОРА HONDA BF30-A-LHSJ
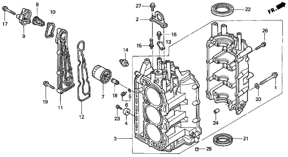
БЛОК ЦИЛИНДРА (CYLINDER BLOCK) E-3

блок цилиндра подвесного мотора honda BF30A LHSJ

Чтобы узнать цену, наличие запасной части на складе или купить, нажмите ссылку "запросить цену". Чтобы посмотреть подробную информацию и фотографии, нажмите на код запчасти. Для запчастей со статусом "не поставляется" можете попробовать уточнить возможность поставки.

все блоки

Номер
на чертеже
Код по каталогуНазвание (eng)Название (rus)Цена
00111115-ZV7-000

-

БОЛТ, ФЛАНЕЦ, 8X85

по запросу
00211911-ZV7-000

-

ПОДВЕСКА, ДВИГАТЕЛЬ

по запросу
00312000-ZV7-000ZA

-

БЛОК В СБОРЕ, ЦИЛИНДР *NH8 * (NH8 DARK GRAY (ТЕМНО-СЕРЫЙ))

по запросу
00412155-ZV5-000

-

МЕТАЛЛИЧЕСКАЯ ДЕТАЛЬ, АНОД

по запросу
00515142-PE0-000

-

УПЛОТНИТЕЛЬНОЕ КОЛЬЦО, 4.8X1.9

по запросу
00615150-ZV5-000

-

ОТВЕРСТИЕ В СБОРЕ, МАСЛЯНЫЙ КАНАЛ

по запросу
00715400-ZW4-003

-

ПАТРОН, МАСЛЯНЫЙ ФИЛЬТР (DENSO)

по запросу
00819300-ZV5-043

-

ТЕРМОСТАТ В СБОРЕ

по запросу
00919315-ZV5-010ZA

-

КРЫШКА, ТЕРМОСТАТ *NH8 * (NH8 DARK GRAY (ТЕМНО-СЕРЫЙ))

по запросу
01019351-ZV5-000

-

ПРОКЛАДКА, КРЫШКА ТЕРМОСТАТА

по запросу
01119361-ZV7-000ZA

-

КРЫШКА, ВОДЯНАЯ РУБАШКА *NH8 * (NH8 DARK GRAY (ТЕМНО-СЕРЫЙ))

по запросу
01219371-ZV7-000

-

УПЛОТНЕНИЕ, КРЫШКА ВОДЯНОЙ РУБАШКИ

по запросу
01324626-ZV5-000

-

ПЛАСТИНА, ВАЛ ПЕРЕКЛЮЧЕНИЯ

по запросу
01437240-PA6-004

-

ВЫКЛЮЧАТЕЛЬ, ДАВЛЕНИЕ МАСЛА (TEC)

по запросу
01590012-ZV5-003

-

БОЛТ, ПРУЖИНА РЕГУЛИРОВКИ РЕМНЯ РАСПРЕДЕЛИТЕЛЬНОГО ВАЛА

по запросу
01690013-ZV0-010

-

БОЛТ, ФЛАНЕЦ, 6x12

по запросу
01790014-ZV7-000

-

БОЛТ, ФЛАНЕЦ, 6x35

по запросу
01890018-PN3-000

-

ДЕРЖАТЕЛЬ, МАСЛЯНЫЙ ФИЛЬТР

по запросу
01990020-ZV5-000

-

БОЛТ, ФЛАНЕЦ, 6x22

по запросу
02090405-ZV5-000

-

ШАЙБА, ПЛОСКАЯ, 8 MM

по запросу
02191201-ZE3-004

-

МАСЛЯНОЕ УПЛОТНЕНИЕ, 35x52x8

по запросу
02291262-SL4-005

-

МАСЛЯНОЕ УПЛОТНЕНИЕ, 44.5x60.5x8 (NOK)

по запросу
02393500-06018-4J

-

ВИНТ, ПОДКЛАДКА, 6x18

по запросу
02494301-10120

-

ШПОНКА, 10X12

по запросу
02594303-06100

-

ШПОНКА, 6X10

по запросу
02695701-06040-02

-

БОЛТ, ФЛАНЕЦ, 6x40

по запросу
02795701-08018-02

-

БОЛТ, ФЛАНЕЦ, 8x18

по запросу

Каталог запчастей для мотора Honda BF30A LHSJ


 
 

данный сайт носит информационный характер и не является публичной офертой

склад запчастей для водомоторной техники