вконтакте

Контактный телефон: +7 (981) 121-46-93, +7 (800) 200-90-76 , Email: parts-katalog@yandex.ru, где купить

 
 
Главная Как заказать Каталоги Контакты

  Логин:

Пароль:

Регистрация

Узнать наличие и цену запчасти:

Лодочные моторы :: Honda :: Четырехтактные :: Honda BF-90 DK0 LRTU


       Показать каталог запчастей для Honda BF90 LRTU в виде списка


КАТАЛОГ ЗАПЧАСТЕЙ
ВСЕ БЛОКИ ПОДВЕСНОГО ЛОДОЧНОГО МОТОРА HONDA BF90-DK0-LRTU

крышка блока цилиндров honda BF90 LRTU

крышка головки блока цилиндров (cylinder head cover) E1


головка блока цилиндров honda BF 90 LRTU

головка блока цилиндров (cylinder head) E2


блок цилиндра honda BF90DK0 LRTU

блок цилиндров (cylinder block) E3


масляеый насос honda BF90 DK0 LRTU лодочный мотор

масляный насос (oil pump assy) E5

масляеый кожух мотора honda BF 90 DK0 LRTU

масляный кожух (oil pan) E6


поршень и коленчатый вал honda BF90DK0 LRTU

коленвал и поршень (crankshaft / piston) E7


honda BF90 распредвал DK0 LRTU

распредвал и клапан (camshaft / valve) E9


мотор honda BF90 DK0 LRTU - корпус цепи

кожух цепи (chain case) E9-10


инжектор двигателя honda BF 90 D K0 LRTU

впускной коллектор / инжектор (inlet manifold / injector) E14


кожух глушителя honda BF90 D K0 LR TU

кожух глушителя (case muffler) E15


honda BF90 DK0 топливный насос

топливный насос (fuel pump) E18


влагоотделитель мотора honda BF 90

влагоотделитель (dehumidifier) E18-10


пароотделитель honda BF 90

пароотделитель (vapor eliminator) E18-20


генератор мотора honda BF90

генератор переменного тока (alterator) E19

генератор мотора honda BF90

катушка зажигания (plug top coil) E20


двигатель honda BF90DK0 электронный блок управления ECU

электронный блок управления (ECU Assy) E20-10


стартер для honda BF90 DK0 LRTU

стартер (starter motor assy) E21


ручка рулевого управления honda BF90

ручка рулевого управления (handlebar) F1


механизм переключаения honda BF90

вал механизма переключения (shift shaft) F2


удлиняющий кожух honda BF90

удлиняющий кожух (extension case) F3


картер коробки передач honda BF90DK0

картер коробки передач (case assy) F3-10

редуктор мотора honda BF90 DK0

картер коробки передач (case assy) F3-20


крепежный кожух honda BF90 LRTU

крепежный кожух (case mount) F3-30


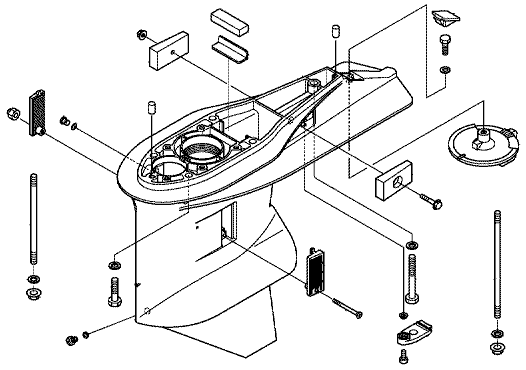
водяной насос мотора honda BF90 LRTU

Водяной насос и вертикальный вал (water pump + vertical shaft) F4


BF90 вал гребного винта

вал гребного винта (propeller shaft) F-5


топливный бак honda BF90 lrtu

топливный бак (fuel tank) F-6


honda BF90lrtu главный жгут проводов

главный жгут проводов (main wire harness) F-7


кабель стартрера honda BF90d lrtu

кабель стартера (cable starter assy) F-7-10


крышка компонентов honda BF90d lrtu

кожух электронных компонентов (electronic parts case) F-7-20

крышка генератора honda BF 90D lrtu

крышка генератора переменного тока (cover alternator) F-7-30


измеритель дифферента и тахометр honda BF 90 lrtu

измеритель дифферента и тахометр (trim Meter + tachometer) F-7-40


крышка двигателя honda BF 90 lrtu

крышка двигателя / нижний кожух (engine Cover + under case) F-8


крепление транца honda BF 90 lrtu

кронштейн транца и корпус шарниров (stern bracket + swivel case) F-10


honda BF90 lrtu вал рулевого управления

вал, рулевое управление, фрикционная муфта (steering, friction, shaft) F-10-1


мотор honda BF90 механизм дифферента и наклона

механизированный дифферент / наклон (power trim-tilt) F-11


honda BF90 этикетки двигателя

этикетки двигателя (label) F-12


стандартные инструменты honda BF-90

инструмент (instrument) F-13


honda BF-90-DK0 одинарная панель управления

одинарная панель управления (single control panel) (2-LED) F-14


дистанционное управление, крепление сбоку honda BF90-DK0

дистанционное управление (крепление сбоку) (remote control side mount) F-15


ДУ, крепление панели honda BF90DK0

дистанционное управление (крепление панели) (remote control panel mount) F-15-1


ДУ, крепление панели honda BF90DK0

дистанционное управление (внутренний кожух) (remote control - inner housing) F-15-2


honda BF90 DK0 цифровые приборы: спидометр и тахометр

комплект цифровых приборов (digital meter kit) FOP-1


трубки топливного бака honda BF90 DK0 LRTU

трубки топливного бака (fuel tube assy) FOP-2


крыльчатка и ремкомплект водяного насоса honda BF90 DK0 LRTU

комплект центробежного насоса
(impeller pump kit) FOP-3

дистанционное управление honda BF90 DK0 LRTU одинарное, верхняя установка справа

ДУ одиночного типа, верхняя установка справа
(remote control top mount single type right) FOP-4


дистанционное управление honda BF 90 DK0 LRTU одинарное, верхняя установка слева

ДУ одиночного типа, верхняя установка слева
(remote control top mount single type left) FOP-4-1


дистанционное управление honda BF90DK0 LRTU двойное, верхняя установка справа

ДУ двойного типа, верхняя установка справа
(remote control top mount doubletype right) FOP-4-2


дистанционное управление двигателя honda BF90 DK0 LRTU двойное, верхняя установка слева

ДУ двойного типа, верхняя установка справа
(remote control top mount doubletype left) FOP-4-3


дистанционное управление honda BF90 DK0 LRTU установка заподлицо справа

ДУ одинарного типа, установка заподлицо справа (remote control flush mount type right) FOP-4-4


дистанционное управление двигателя honda BF-90 DK0 LRTU установка заподлицо слева

ДУ одинарного типа, установка заподлицо слева (remote control flush mount type left) FOP-4-5


одинарный кабель honda BF90DK0 LRTU

кабель одинарный (single cable) FOP-5

двойной кабель мотора honda BF90 DK0 LRTU

кабель одинарный (double cable) FOP-5-1


комплект панели управления на 2 лампочки honda BF90 DK0 LRTU

комплект панели управления (control panel) (2 led) FOP-6


панель переключателей honda BF 90 DK0 LRTU - 2 выключателя, 4 лампочки

комплект панели выключателя switch panel kit (2-panel/4-led) FOP-6-1

2 переключателя honda BF90 + 4 лампочки

комплект панели выключателя (2) switch panel kit (2-panel/4-led) FOP-6-2


гребной винт honda BF 90 DK0 LRTU

гребной винт (propeller) FOP-8


honda BF90 DK0 LRTU набор спидометра

комплект спидометра (speedometer kit) FOP-7


болты крепления ДУ honda BF90 DK0 LRTU

комплект болтов (bolt kit) FOP-9


комплект для установки румеля на мотор honda BF90DK0

комплект для установки румпеля (handlebar kit) FOP-10


 
 

данный сайт носит информационный характер и не является публичной офертой

склад запчастей для водомоторной техники