вконтакте

Контактный телефон: +7 (981) 121-46-93, +7 (800) 200-90-76 , Email: parts-katalog@yandex.ru, где купить

 
 
Главная Как заказать Каталоги Контакты

  Логин:

Пароль:

Регистрация

Узнать наличие и цену запчасти:


УВАЖАЕМЫЕ КЛИЕНТЫ!
C 19 ДЕКАБРЯ 2025 ПО 02 МАРТА 2026 ГОДА ОТДЕЛ ЗАПЧАСТЕЙ И СЕРВИС РАБОТАТЬ НЕ БУДУТ
ПРОДАЖА ЛОДОЧНЫХ МОТОРОВ В ШТАТНОМ РЕЖИМЕ
ОБ ИЗМЕНЕНИЯХ В ГРАФИКЕ РАБОТЫ ЧИТАЙТЕ НА САЙТА



Лодочные моторы :: Suzuki :: Двухтактные :: Suzuki DT-30 LK11 2011


МОТОР SUZUKI DT-30 LK11 E1 2011
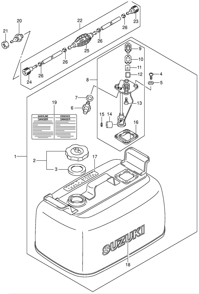
СТАЛЬНОЙ ТОПЛИВНЫЙ БАК (STEEL FUEL TANK)

suzuki dt30 lk11 2011 стальной топливный бак

Чтобы узнать цену, наличие запасной части на складе или купить, нажмите ссылку "запросить цену". Чтобы посмотреть подробную информацию и фотографии, нажмите на код запчасти. Для запчастей со статусом "не поставляется" можете попробовать уточнить возможность поставки.

все блоки

Номер
на чертеже
Код по каталогуНазвание (eng)Название (rus)Цена
00165800-92824-000

TANK SET, FUEL (24L) (6.3 U.S.GAL, 5.2 IMP.GAL)

Комплект бака топливного (24 литра) (6.3 галлона U.S., 5.3 галлона IMP)

по запросу
00265510-92D00-000

CAP ASSY, SEPARATE TANK

Крышка топливного бака, в сборе

по запросу
00365561-92D00-000

GASKET, TANK CAP

Прокладка крышки топливного бака

по запросу
00402142-06167-000

SCREW

Винт

по запросу
00509168-06026-000

WASHER

Шайба

по запросу
00665740-95500-000

CONNECTOR, FUEL

Топливный коннектор

по запросу
00709168-12015-000

GASKET, CONNECTOR

Прокладка коннектора

по запросу
00865850-92D01-000

GAUGE ASSY, FUEL

Датчик топлива в сборе

по запросу
00965855-92D10-000

COVER, GAUGE

Крышка топливного датчика

по запросу
01065854-92D20-000

GASKET

Прокладка

по запросу
01165853-92D00-000

LENS

Линза

по запросу
01265854-92D30-000

GASKET, LENS

Прокладка линзы

по запросу
01303222-04083-000

SCREW

Винт

по запросу
01465864-92D00-000

FLOAT

Поплавок

по запросу
01565866-92D00-000

PUSH, NUT

Гайка нажимная

по запросу
01665871-92D00-000

GASKET, FUEL

Прокладка топливная

по запросу
01765317-95260-000

MARK, FUEL CAPACITY

Маркировка - емкость бака

по запросу
01861441-98500-000

MARK, ORNAMENT

Маркировка - орнамент

по запросу
01965316-93331-000

MARK, FUEL CAUTION

Маркировка - "осторожно топливо!"

по запросу
02065720-98520-000

CONNECTOR, FUEL

Топливный коннектор

по запросу
02109140-10032-000

NUT

Гайка

по запросу
02265700-87D80-000

HOSE, FUEL (<-5700-87D19)

Топливный шланг (<-5700-87D19)

по запросу
02365750-95500-000

CONNECTOR, FUEL (IN)

Топливный коннектор, выход

по запросу
02465750-98505-000

Connector, Fuel (out)

Топливный коннектор, вход

по запросу
02565770-95541-000

PUMP, SQUEEZE

Сжимающий насос (груша)

по запросу
02665781-98500-000

CLIP

Ручной сжимной насос, груша

по запросу

Аксессуары для Suzuki DT30 LK11


 
 

данный сайт носит информационный характер и не является публичной офертой

склад запчастей для водомоторной техники