вконтакте

Контактный телефон: +7 (981) 121-46-93, +7 (800) 200-90-76 , Email: parts-katalog@yandex.ru, где купить

 
 
Главная Как заказать Каталоги Контакты

  Логин:

Пароль:

Регистрация

Узнать наличие и цену запчасти:


УВАЖАЕМЫЕ КЛИЕНТЫ!
C 19 ДЕКАБРЯ 2025 ПО 02 МАРТА 2026 ГОДА ОТДЕЛ ЗАПЧАСТЕЙ И СЕРВИС РАБОТАТЬ НЕ БУДУТ
ПРОДАЖА ЛОДОЧНЫХ МОТОРОВ В ШТАТНОМ РЕЖИМЕ
ОБ ИЗМЕНЕНИЯХ В ГРАФИКЕ РАБОТЫ ЧИТАЙТЕ НА САЙТА



Лодочные моторы :: Suzuki :: Двухтактные :: Suzuki DT 30 LK11 2011


ОРИГИНАЛЬНЫЕ ОПЦИИ НА МОТОР SUZUKI DT30 LK11 E1 2011
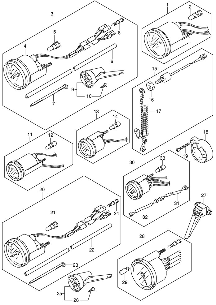
ИЗМЕРИТЕЛЬНЫЕ ПРИБОРЫ (METER)

измерительные приборы suzuki dt30 2011 - спидометры, тахометры

Чтобы узнать цену, наличие запасной части на складе или купить, нажмите ссылку "запросить цену". Чтобы посмотреть подробную информацию и фотографии, нажмите на код запчасти. Для запчастей со статусом "не поставляется" можете попробовать уточнить возможность поставки.

все блоки

Номер
на чертеже
Код по каталогуНазвание (eng)Название (rus)Цена
00134200-92E02-000

TACHOMETER

Тахометр

по запросу
00209471-12179-000

BULB

Лампочка

по запросу
00334102-92E10-000

SPEEDOMETER SET (MAX 80 KM/H)

Спидометр в сборе (шкала в км/ч, максимум 80 км/ч)

по запросу
34102-92E20-000

SPEEDOMETER SET (MAX 45 KNOTS)

Спидометр в сборе (шкала в милях, максимум 45 миль/ч)

по запросу
00434100-92E10-000

SPEEDOMETER (MAX 80 KM/H)

Спидометр (только прибор)
(шкала в км/ч, максимум 80 км/ч)

по запросу
34100-92E20-000

SPEEDOMETER (MAX 45 KNOTS)

Спидометр (только прибор)
(шкала в милях, максимум 45 миль/ч)

по запросу
00509471-12179-000

BULB

Лампочка

по запросу
00634191-92E00-000

TUBE

Трубка

по запросу
00709407-14407-000

BAND

Ремешок

по запросу
00836615-96300-000

TERMINAL, RESIN

Резиновый контакт

по запросу
00934190-95500-000

SENDER ASSY, SPEEDOMETER

Сенсор спидометра в сборе

по запросу
01003112-06303-000

SCREW

Винт

по запросу
01134500-92E00-000

METER ASSY, HOUR

Счетчик моточасов в сборе

по запросу
34500-93J00-000

METER ASSY, HOUR (BLACK, MODEL:05~)

Счетчик моточасов в сборе
(чёрный цвет, на модели после 2005 года)

по запросу
34500-93J11-000

METER ASSY, HOUR (WHITE, MODEL:05~)

Счетчик моточасов в сборе
(белый цвет, на модели после 2005 года)

по запросу
01209471-12180-000

BULB

Лампочка

по запросу
09471-12103-000

BULB (FOR 34500-93J00, 34500-93J11)

Лампочка (для 34500-93J00, 34500-93J11)

по запросу
01334600-92E00-000

METER ASSY, VOLTAGE

Вольтметр в сборе

по запросу
34600-93J00-000

METER ASSY, VOLTAGE (BLACK, MODEL:05~)

Вольтметр в сборе
(чёрный цвет, на модели после 2005 года)

по запросу
34600-93J11-000

METER ASSY, VOLTAGE (WHITE, MODEL:05~)

Вольтметр в сборе
(белый цвет, на модели после 2005 года)

по запросу
01409471-12180-000

BULB

Лампочка

по запросу
09471-12103-000

BULB (FOR 34500-93J00, 34500-93J11)

Лампочка (для 34500-93J00, 34500-93J11)

по запросу
01537820-92E03-000

SWITCH ASSY, EMERGENCY

Аварийный выключатель в сборе

по запросу
01637826-92E00-000

NUT

Гайка

по запросу
01737823-92E01-000

CAP & ROPE

Ключ-чека

по запросу
01838500-92X50-000

BUZZER ASSY, WARNING

Предупреждающий зуммер

по запросу
01902112-05207-000

SCREW

Винт

по запросу
02034100-93J20-000

SPEEDOMETER ASSY
(MAX 80KM/H BLACK, MODEL:05~)

Спидометр, в сборе (чёрный, максимум 80 км/ч)
(на модели после 2005 года)

по запросу
34100-93J31-000

SPEEDOMETER ASSY
(MAX 80KM/H WHITE, MODEL:05~)

Спидометр, в сборе (белый, максимум 80 км/ч)
(на модели после 2005 года)

по запросу
34100-93J40-000

SPEEDOMETER ASSY
(MAX 45KNOTS BLACK, MODEL:05~)

Спидометр, в сборе (чёрный, максимум 45 миль/ч)
(на модели после 2005 года)

по запросу
34100-93J51-000

SPEEDOMETER ASSY
(MAX 45KNOTS WHITE, MODEL:05~)

Спидометр, в сборе (белый, максимум 45 миль/ч)
(на модели после 2005 года)

по запросу
02109471-12028-000

BULB

Лампочка

по запросу
02234191-92E00-000

TUBE

Трубка

по запросу
02309407-14407-000

BAND

Ремешок

по запросу
02436615-96300-000

TERMINAL, RESIN

Резиновый контакт

по запросу
02534190-95500-000

SENDER ASSY, SPEEDOMETER (MODEL:05~)

Сенсор спидометра в сборе (модели после 2005 года)

по запросу
02603112-06303-000

SCREW

Винт

по запросу
02734190-87D00-000

SENDER ASSY, SPEEDOMETER (MODEL:05~)

Сенсор спидометра (модели после 2005 года)

по запросу
02834200-93J20-000

TACHOMETER ASSY (BLACK, MODEL:05~)

Тахометр в сборе (черный, на модели после 2005 года)

по запросу
34200-93J31-000

TACHOMETER ASSY (WHITE, MODEL:05~)

Тахометр в сборе (белый, на модели после 2005 года)

по запросу
02909471-12028-000

BULB

Лампочка

по запросу
03034300-93J00-000

GAUGE ASSY, FUEL (BLACK, MODEL:05~)

Датчик топлива, в сборе
(чёрный, на модели после 2005 года)

по запросу
34300-93J11-000

GAUGE ASSY, FUEL (WHITE, MODEL:05~)

Датчик топлива, в сборе
(белый, на модели после 2005 года)

по запросу
03134310-92E00-000

LEAD, FUEL GAUGE

Проводка датчика топлива

по запросу
03234360-92E00-000

ADAPTER, FUEL GAUGE

Адаптер датчика топлива

по запросу
03309471-12103-000

BULB

Лампочка

по запросу

Полный каталог дополнительных опций Suzuki DT-30 LK11


 
 

данный сайт носит информационный характер и не является публичной офертой

склад запчастей для водомоторной техники