вконтакте

Контактный телефон: +7 (981) 121-46-93, +7 (800) 200-90-76 , Email: parts-katalog@yandex.ru, где купить

 
 
Главная Как заказать Каталоги Контакты

  Логин:

Пароль:

Регистрация

Узнать наличие и цену запчасти:


УВАЖАЕМЫЕ КЛИЕНТЫ!
C 19 ДЕКАБРЯ 2025 ПО 02 МАРТА 2026 ГОДА ОТДЕЛ ЗАПЧАСТЕЙ И СЕРВИС РАБОТАТЬ НЕ БУДУТ
ПРОДАЖА ЛОДОЧНЫХ МОТОРОВ В ШТАТНОМ РЕЖИМЕ
ОБ ИЗМЕНЕНИЯХ В ГРАФИКЕ РАБОТЫ ЧИТАЙТЕ НА САЙТА



Лодочные моторы :: Suzuki :: Двухтактные :: Suzuki DT 30 LK11 2011


ПОДВЕСНОЙ ЛОДОЧНЫЙ МОТОР SUZUKI DT30 LK11-E1-2011
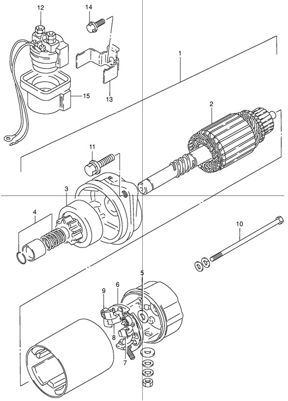
ДВИГАТЕЛЬ ЭЛЕКТРОСТАРТЕРА (STARTING MOTOR)

двигатель электростартера для suzuki dt30 lk11 2011

Чтобы узнать цену, наличие запасной части на складе или купить, нажмите ссылку "запросить цену". Чтобы посмотреть подробную информацию и фотографии, нажмите на код запчасти. Для запчастей со статусом "не поставляется" можете попробовать уточнить возможность поставки.

все блоки

Номер
на чертеже
Код по каталогуНазвание (eng)Название (rus)Цена
00131100-94401-000

MOTOR ASSY, STARTING

Двигатель стартера в сборе

по запросу
00231310-96300-000

ARMATURE

Якорь

по запросу
00331320-94400-000

PISTON ASSY

Шестерня в сборе

по запросу
00431312-96300-000

STOPPER SET, PINION

Комплект стопоров шестерни

по запросу
00531360-96300-000

WASHER

Шайба

по запросу
00631173-89J00-000

HOLDER ASSY, BRUSH

Держатель щётки

по запросу
00731131-96300-000

BRUSH (+)

Щётка (+)

по запросу
00831132-96300-000

BRUSH (-)

Щётка (-)

по запросу
00931135-89J00-000

SPRING, BRUSH (<-1135-96300)

Пружина щетки (<-1135-96300)

по запросу
01031281-93340-000

BOLT

Болт

по запросу
01101580-08257-000

BOLT

Болт

по запросу
01231800-94401-000

RELAY ASSY, STARTING MOTOR

Реле стартера в сборе

по запросу
01331805-96350-000

BRACKET, STARTING MOTOR

Кронштейн реле стартера

по запросу
01401550-06167-000

BOLT

Болт

по запросу
01538422-94520-000

DAMPER, TRIM RELAY

Демпфер реле трима

по запросу

Купить запчасти на лодочный мотор Suzuki DT 30 LK11 2011


 
 

данный сайт носит информационный характер и не является публичной офертой

склад запчастей для водомоторной техники