вконтакте

Контактный телефон: +7 (981) 121-46-93, +7 (800) 200-90-76 , Email: parts-katalog@yandex.ru, где купить

 
 

  Логин:

Пароль:

Регистрация

www.partskatalog.ru Все каталоги Запчасти Mercury Запчасти Suzuki Запчасти Tohatsu Запчасти Honda Контакты



УВАЖАЕМЫЕ КЛИЕНТЫ!
C 19 ДЕКАБРЯ 2025 ПО 02 МАРТА 2026 ГОДА ОТДЕЛ ЗАПЧАСТЕЙ И СЕРВИС РАБОТАТЬ НЕ БУДУТ
ПРОДАЖА ЛОДОЧНЫХ МОТОРОВ В ШТАТНОМ РЕЖИМЕ
ОБ ИЗМЕНЕНИЯХ В ГРАФИКЕ РАБОТЫ ЧИТАЙТЕ НА САЙТА




Вернуться к началу выбора


Год выпуска: 2013 год

Семейство или модельный ряд: Outlander

Модификация квадроцикла: Outlander 1000EFI, DPS, XT & XT-P, 2013

   Выберите раздел

найти расходники на квадроциклы BRP


Выберите раздел

00- Model Numbers (00- Model Numbers)

00- Model Numbers (00- Model Numbers)

01- Двигатель и Двигатель Sвышеport (01- Engine And Engine Support)

01- Двигатель и Двигатель Sвышеport (01- Engine And Engine Support)

01- Выхлопная система (01- Exhaust System)

01- Выхлопная система (01- Exhaust System)

01- Охлаждение System (01- Cooling System)

01- Охлаждение System (01- Cooling System)

01- Картер двигателя (01- Crankcase)

01- Картер двигателя (01- Crankcase)

01- Коленвал, Поршень и Цилиндр (01- Crankshaft, Piston And Cylinder)

01- Коленвал, Поршень и Цилиндр (01- Crankshaft, Piston And Cylinder)

01- Головка блока цилиндра, Front (01- Cylinder Head, Front)

01- Головка блока цилиндра, Front (01- Cylinder Head, Front)

01- Головка блока цилиндра, Rear (01- Cylinder Head, Rear)

01- Головка блока цилиндра, Rear (01- Cylinder Head, Rear)

01- Смазка двигателя (01- Engine Lubrication)

01- Смазка двигателя (01- Engine Lubrication)

01- Охлаждение двигателя (01- Engine Cooling)

01- Охлаждение двигателя (01- Engine Cooling)

02- Впускная система и дроссель газа (02- Air Intake Manifold And Throttle Body)

02- Впускная система и дроссель газа (02- Air Intake Manifold And Throttle Body)

02- Air Впуск глушителя (02- Air Intake Silencer)

02- Air Впуск глушителя (02- Air Intake Silencer)

02- Топливная система (02- Fuel System)

02- Топливная система (02- Fuel System)

03- Магнето и Электростартер Outlander (03- Magneto And Electric Starter Outlander)

03- Магнето и Электростартер Outlander (03- Magneto And Electric Starter Outlander)

05- Шестерня Box 1 (05- Gear Box 1)

05- Шестерня Box 1 (05- Gear Box 1)

05- Шестерня Box 2 (05- Gear Box 2)

05- Шестерня Box 2 (05- Gear Box 2)

05- Трансмиссия (05- Transmission)

05- Трансмиссия (05- Transmission)

06- тормозs (06- Brakes)

06- тормозs (06- Brakes)

07- Передняя подвеска (07- Front Suspension)

07- Передняя подвеска (07- Front Suspension)

07- Wheels и Tires Front (07- Wheels And Tires Front)

07- Wheels и Tires Front (07- Wheels And Tires Front)

07- Рулевая система (07- Steering)

07- Рулевая система (07- Steering)

07- Wheels и Tires Rear (07- Wheels And Tires Rear)

07- Wheels и Tires Rear (07- Wheels And Tires Rear)

07- Drive System, Front (07- Drive System, Front)

07- Drive System, Front (07- Drive System, Front)

08- Корпус вала передачи (08- Drive Shaft)

08- Корпус вала передачи (08- Drive Shaft)

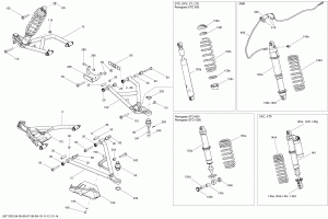
08- Задняя подвеска (08- Rear Suspension)

08- Задняя подвеска (08- Rear Suspension)

08- Drive System, Rear (08- Drive System, Rear)

08- Drive System, Rear (08- Drive System, Rear)

09- Седло (09- Seat)

09- Седло (09- Seat)

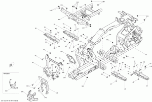
09- Рама (09- Frame)

09- Рама (09- Frame)

09- Корпус и Аксессуары (09- Body And Accessories)

09- Корпус и Аксессуары (09- Body And Accessories)

09- Rear Cargo Box (09- Rear Cargo Box)

09- Rear Cargo Box (09- Rear Cargo Box)

09- Наклейки (09- Decals)

09- Наклейки (09- Decals)

10- Электрика System (10- Electrical System)

10- Электрика System (10- Electrical System)

10- Электрика - жгут проводов Main (10- Electrical Harness Main)

10- Электрика - жгут проводов Main (10- Electrical Harness Main)

10- Двигатель Жгут проводов и Electronic Module (10- Engine Harness And Electronic Module)

10- Двигатель Жгут проводов и Electronic Module (10- Engine Harness And Electronic Module)

brp atv

Время выполнения запроса 0.41908288002014 сек.


 
 

данный сайт носит информационный характер и не является публичной офертой

склад запчастей для водомоторной техники