вконтакте

Контактный телефон: +7 (981) 121-46-93, +7 (800) 200-90-76 , Email: parts-katalog@yandex.ru, где купить

 
 

  Логин:

Пароль:

Регистрация

www.partskatalog.ru Все каталоги Запчасти Mercury Запчасти Suzuki Запчасти Tohatsu Запчасти Honda Контакты



УВАЖАЕМЫЕ КЛИЕНТЫ!
C 19 ДЕКАБРЯ 2025 ПО 02 МАРТА 2026 ГОДА ОТДЕЛ ЗАПЧАСТЕЙ И СЕРВИС РАБОТАТЬ НЕ БУДУТ
ПРОДАЖА ЛОДОЧНЫХ МОТОРОВ В ШТАТНОМ РЕЖИМЕ
ОБ ИЗМЕНЕНИЯХ В ГРАФИКЕ РАБОТЫ ЧИТАЙТЕ НА САЙТА




Вернуться к началу выбора


Год выпуска: 2009 год

Семейство или модельный ряд: Outlander

Модификация квадроцикла: Outlander Max 500 EFI XT, 2009

   Выберите раздел

найти расходники на квадроциклы BRP


Выберите раздел

00- Model Numbers Xt (00- Model Numbers Xt)

00- Model Numbers Xt (00- Model Numbers Xt)

01- Шестерня Box в сборе и 4x4 Пускатель (01- Gear Box Assy And 4x4 Actuator)

01- Шестерня Box в сборе и 4x4 Пускатель (01- Gear Box Assy And 4x4 Actuator)

01- Шестерня Box Output Вал (01- Gear Box Output Shaft)

01- Шестерня Box Output Вал (01- Gear Box Output Shaft)

01- Шестерня Box и Components (01- Gear Box And Components)

01- Шестерня Box и Components (01- Gear Box And Components)

01- Картер двигателя (01- Crankcase)

01- Картер двигателя (01- Crankcase)

01- Смазка двигателя (01- Engine Lubrication)

01- Смазка двигателя (01- Engine Lubrication)

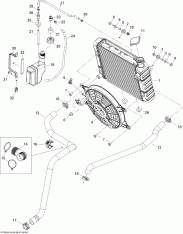
01- Охлаждение двигателя (01- Engine Cooling)

01- Охлаждение двигателя (01- Engine Cooling)

01- Коленвал, Поршень и Цилиндр (01- Crankshaft, Piston And Cylinder)

01- Коленвал, Поршень и Цилиндр (01- Crankshaft, Piston And Cylinder)

01- Головка блока цилиндра, Front (01- Cylinder Head, Front)

01- Головка блока цилиндра, Front (01- Cylinder Head, Front)

01- Головка блока цилиндра, Rear (01- Cylinder Head, Rear)

01- Головка блока цилиндра, Rear (01- Cylinder Head, Rear)

01- Охлаждение System (01- Cooling System)

01- Охлаждение System (01- Cooling System)

01- Двигатель и Двигатель Sвышеport (01- Engine And Engine Support)

01- Двигатель и Двигатель Sвышеport (01- Engine And Engine Support)

01- Выхлопная система (01- Exhaust System)

01- Выхлопная система (01- Exhaust System)

02- Air Впуск глушителя (02- Air Intake Silencer)

02- Air Впуск глушителя (02- Air Intake Silencer)

02- Топливная система (02- Fuel System)

02- Топливная система (02- Fuel System)

02- Впускная система и дроссель газа (02- Air Intake Manifold And Throttle Body)

02- Впускная система и дроссель газа (02- Air Intake Manifold And Throttle Body)

03- Магнето (03- Magneto)

03- Магнето (03- Magneto)

05- Трансмиссия (05- Transmission)

05- Трансмиссия (05- Transmission)

06- Гидравлический тормоз (06- Hydraulic Brakes)

06- Гидравлический тормоз (06- Hydraulic Brakes)

06- Гидравлический тормоз Европа (06- Hydraulic Brakes Europe)

06- Гидравлический тормоз Европа (06- Hydraulic Brakes Europe)

07- Drive System, Front Xt (07- Drive System, Front Xt)

07- Drive System, Front Xt (07- Drive System, Front Xt)

07- Передняя подвеска Xt (07- Front Suspension Xt)

07- Передняя подвеска Xt (07- Front Suspension Xt)

07- Рулевая система Xt (07- Steering Xt)

07- Рулевая система Xt (07- Steering Xt)

08- Drive System, Rear Xt (08- Drive System, Rear Xt)

08- Drive System, Rear Xt (08- Drive System, Rear Xt)

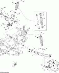
08- Задняя подвеска (08- Rear Suspension)

08- Задняя подвеска (08- Rear Suspension)

08- Корпус вала передачи (08- Drive Shaft)

08- Корпус вала передачи (08- Drive Shaft)

09- Корпус и Аксессуары 2 (09- Body And Accessories 2)

09- Корпус и Аксессуары 2 (09- Body And Accessories 2)

09- Рама (09- Frame)

09- Рама (09- Frame)

09- Седло (09- Seat)

09- Седло (09- Seat)

09- Корпус и Аксессуары 1, Xt (09- Body And Accessories 1, Xt)

09- Корпус и Аксессуары 1, Xt (09- Body And Accessories 1, Xt)

09- Корпус и Аксессуары 3, Xt (09- Body And Accessories 3, Xt)

09- Корпус и Аксессуары 3, Xt (09- Body And Accessories 3, Xt)

09- Корпус и Аксессуары 4, Xt (09- Body And Accessories 4, Xt)

09- Корпус и Аксессуары 4, Xt (09- Body And Accessories 4, Xt)

09- Наклейки Xt (09- Decals Xt)

09- Наклейки Xt (09- Decals Xt)

09- Fender и Central Panel Kit Xt (09- Fender And Central Panel Kit Xt)

09- Fender и Central Panel Kit Xt (09- Fender And Central Panel Kit Xt)

09- Front и Rear Trays Xt (09- Front And Rear Trays Xt)

09- Front и Rear Trays Xt (09- Front And Rear Trays Xt)

10- Электрика Аксессуары 1, Xt (10- Electrical Accessories 1, Xt)

10- Электрика Аксессуары 1, Xt (10- Electrical Accessories 1, Xt)

10- Электрика System Xt (10- Electrical System Xt)

10- Электрика System Xt (10- Electrical System Xt)

10- Электрика Аксессуары Euro (10- Electrical Accessories Euro)

10- Электрика Аксессуары Euro (10- Electrical Accessories Euro)

10- Main Жгут проводов (10- Main Harness)

10- Main Жгут проводов (10- Main Harness)

10- Main Жгут проводов Euro (10- Main Harness Euro)

10- Main Жгут проводов Euro (10- Main Harness Euro)

10- Двигатель Жгут проводов (10- Engine Harness)

10- Двигатель Жгут проводов (10- Engine Harness)

99- Atv Publications (99- Atv Publications)

99- Atv Publications (99- Atv Publications)

brp atv

Время выполнения запроса 0.30773091316223 сек.


 
 

данный сайт носит информационный характер и не является публичной офертой

склад запчастей для водомоторной техники