вконтакте

Контактный телефон: +7 (981) 121-46-93, +7 (800) 200-90-76 , Email: parts-katalog@yandex.ru, где купить

 
 

  Логин:

Пароль:

Регистрация

www.partskatalog.ru Все каталоги Запчасти Mercury Запчасти Suzuki Запчасти Tohatsu Запчасти Honda Контакты



УВАЖАЕМЫЕ КЛИЕНТЫ!
C 19 ДЕКАБРЯ 2025 ПО 02 МАРТА 2026 ГОДА ОТДЕЛ ЗАПЧАСТЕЙ И СЕРВИС РАБОТАТЬ НЕ БУДУТ
ПРОДАЖА ЛОДОЧНЫХ МОТОРОВ В ШТАТНОМ РЕЖИМЕ
ОБ ИЗМЕНЕНИЯХ В ГРАФИКЕ РАБОТЫ ЧИТАЙТЕ НА САЙТА




Вернуться к началу выбора


Год выпуска: 2009 год

Семейство или модельный ряд: Outlander

Модификация квадроцикла: Outlander Max 800R EFI, 2009

   Выберите раздел

найти расходники на квадроциклы BRP


Выберите раздел

00- Model Numbers Std (00- Model Numbers Std)

00- Model Numbers Std (00- Model Numbers Std)

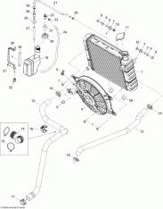
01- Охлаждение System (01- Cooling System)

01- Охлаждение System (01- Cooling System)

01- Двигатель и Двигатель Sвышеport (01- Engine And Engine Support)

01- Двигатель и Двигатель Sвышеport (01- Engine And Engine Support)

01- Выхлопная система (01- Exhaust System)

01- Выхлопная система (01- Exhaust System)

01- Картер двигателя (01- Crankcase)

01- Картер двигателя (01- Crankcase)

01- Смазка двигателя (01- Engine Lubrication)

01- Смазка двигателя (01- Engine Lubrication)

01- Охлаждение двигателя (01- Engine Cooling)

01- Охлаждение двигателя (01- Engine Cooling)

01- Коленвал, Поршень и Цилиндр (01- Crankshaft, Piston And Cylinder)

01- Коленвал, Поршень и Цилиндр (01- Crankshaft, Piston And Cylinder)

01- Головка блока цилиндра, Front (01- Cylinder Head, Front)

01- Головка блока цилиндра, Front (01- Cylinder Head, Front)

01- Головка блока цилиндра, Rear (01- Cylinder Head, Rear)

01- Головка блока цилиндра, Rear (01- Cylinder Head, Rear)

01- Шестерня Box Output Вал (01- Gear Box Output Shaft)

01- Шестерня Box Output Вал (01- Gear Box Output Shaft)

01- Шестерня Box в сборе и 4x4 Пускатель (01- Gear Box Assy And 4x4 Actuator)

01- Шестерня Box в сборе и 4x4 Пускатель (01- Gear Box Assy And 4x4 Actuator)

01- Шестерня Box и Components (01- Gear Box And Components)

01- Шестерня Box и Components (01- Gear Box And Components)

02- Впускная система и дроссель газа (02- Air Intake Manifold And Throttle Body)

02- Впускная система и дроссель газа (02- Air Intake Manifold And Throttle Body)

02- Air Впуск глушителя (02- Air Intake Silencer)

02- Air Впуск глушителя (02- Air Intake Silencer)

02- Топливная система (02- Fuel System)

02- Топливная система (02- Fuel System)

03- Магнето (03- Magneto)

03- Магнето (03- Magneto)

05- Трансмиссия Outlander (05- Transmission Outlander)

05- Трансмиссия Outlander (05- Transmission Outlander)

06- Гидравлический тормоз Европа (06- Hydraulic Brakes Europe)

06- Гидравлический тормоз Европа (06- Hydraulic Brakes Europe)

06- Гидравлический тормоз (06- Hydraulic Brakes)

06- Гидравлический тормоз (06- Hydraulic Brakes)

07- Drive System, Front Std (07- Drive System, Front Std)

07- Drive System, Front Std (07- Drive System, Front Std)

07- Передняя подвеска Std (07- Front Suspension Std)

07- Передняя подвеска Std (07- Front Suspension Std)

07- Рулевая система Std (07- Steering Std)

07- Рулевая система Std (07- Steering Std)

08- Drive System, Rear Std (08- Drive System, Rear Std)

08- Drive System, Rear Std (08- Drive System, Rear Std)

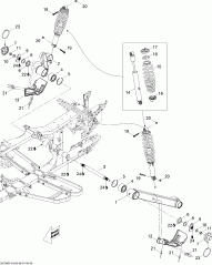
08- Задняя подвеска (08- Rear Suspension)

08- Задняя подвеска (08- Rear Suspension)

08- Корпус вала передачи (08- Drive Shaft)

08- Корпус вала передачи (08- Drive Shaft)

09- Корпус и Аксессуары 1, Std (09- Body And Accessories 1, Std)

09- Корпус и Аксессуары 1, Std (09- Body And Accessories 1, Std)

09- Корпус и Аксессуары 2, Std (09- Body And Accessories 2, Std)

09- Корпус и Аксессуары 2, Std (09- Body And Accessories 2, Std)

09- Корпус и Аксессуары 3, Std (09- Body And Accessories 3, Std)

09- Корпус и Аксессуары 3, Std (09- Body And Accessories 3, Std)

09- Корпус и Аксессуары 4, Std (09- Body And Accessories 4, Std)

09- Корпус и Аксессуары 4, Std (09- Body And Accessories 4, Std)

09- Наклейки Std (09- Decals Std)

09- Наклейки Std (09- Decals Std)

09- Fender и Central Panel Kit Std (09- Fender And Central Panel Kit Std)

09- Fender и Central Panel Kit Std (09- Fender And Central Panel Kit Std)

09- Рама (09- Frame)

09- Рама (09- Frame)

09- Front и Rear Trays Std (09- Front And Rear Trays Std)

09- Front и Rear Trays Std (09- Front And Rear Trays Std)

09- Седло (09- Seat)

09- Седло (09- Seat)

10- Электрика Аксессуары 1, Std (10- Electrical Accessories 1, Std)

10- Электрика Аксессуары 1, Std (10- Electrical Accessories 1, Std)

10- Электрика System Std (10- Electrical System Std)

10- Электрика System Std (10- Electrical System Std)

10- Main Жгут проводов Euro (10- Main Harness Euro)

10- Main Жгут проводов Euro (10- Main Harness Euro)

10- Main Жгут проводов (10- Main Harness)

10- Main Жгут проводов (10- Main Harness)

10- Электрика Аксессуары Euro (10- Electrical Accessories Euro)

10- Электрика Аксессуары Euro (10- Electrical Accessories Euro)

10- Двигатель Жгут проводов Outlander (10- Engine Harness Outlander)

10- Двигатель Жгут проводов Outlander (10- Engine Harness Outlander)

99- Atv Publications (99- Atv Publications)

99- Atv Publications (99- Atv Publications)

brp atv

Время выполнения запроса 0.27888703346252 сек.


 
 

данный сайт носит информационный характер и не является публичной офертой

склад запчастей для водомоторной техники