вконтакте

Контактный телефон: +7 (981) 121-46-93, +7 (800) 200-90-76 , Email: parts-katalog@yandex.ru, где купить

 
 

  Логин:

Пароль:

Регистрация

www.partskatalog.ru Все каталоги Запчасти Mercury Запчасти Suzuki Запчасти Tohatsu Запчасти Honda Контакты



УВАЖАЕМЫЕ КЛИЕНТЫ!
C 19 ДЕКАБРЯ 2025 ПО 02 МАРТА 2026 ГОДА ОТДЕЛ ЗАПЧАСТЕЙ И СЕРВИС РАБОТАТЬ НЕ БУДУТ
ПРОДАЖА ЛОДОЧНЫХ МОТОРОВ В ШТАТНОМ РЕЖИМЕ
ОБ ИЗМЕНЕНИЯХ В ГРАФИКЕ РАБОТЫ ЧИТАЙТЕ НА САЙТА




Вернуться к началу выбора


Год выпуска: 2005 год

Семейство или модельный ряд: Traxter

Модификация квадроцикла: Traxter XL, 2005

   Выберите раздел

найти расходники на квадроциклы BRP


Выберите раздел

01- Картер двигателя (01- Crankcase)

01- Картер двигателя (01- Crankcase)

01- Охлаждение System (01- Cooling System)

01- Охлаждение System (01- Cooling System)

01- Коленвал, Поршень и Цилиндр (01- Crankshaft, Piston And Cylinder)

01- Коленвал, Поршень и Цилиндр (01- Crankshaft, Piston And Cylinder)

01- Двигатель и Двигатель Sвышеport (01- Engine And Engine Support)

01- Двигатель и Двигатель Sвышеport (01- Engine And Engine Support)

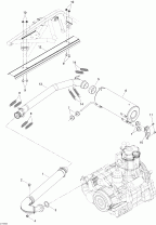
01- Выхлопная система (01- Exhaust System)

01- Выхлопная система (01- Exhaust System)

02- Air Система впуска (02- Air Intake)

02- Air Система впуска (02- Air Intake)

02- Карбюратор (02- Carburetor)

02- Карбюратор (02- Carburetor)

02- Топливная система (02- Fuel System)

02- Топливная система (02- Fuel System)

03- Ignition, Магнето и Водяной насос (03- Ignition, Magneto And Water Pump)

03- Ignition, Магнето и Водяной насос (03- Ignition, Magneto And Water Pump)

04- Rewind Стартер и Электрика Стартер (04- Rewind Starter And Electrical Starter)

04- Rewind Стартер и Электрика Стартер (04- Rewind Starter And Electrical Starter)

05- Сцепление (05- Clutch)

05- Сцепление (05- Clutch)

05- Сцепление Корпус и Крышка (05- Clutch Housing And Cover)

05- Сцепление Корпус и Крышка (05- Clutch Housing And Cover)

05- Шестерня Переключатель (05- Gear Shift)

05- Шестерня Переключатель (05- Gear Shift)

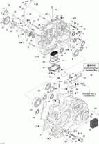
05- Трансмиссия (05- Transmission)

05- Трансмиссия (05- Transmission)

06- тормозs (06- Brakes)

06- тормозs (06- Brakes)

07- Drive System, Front (07- Drive System, Front)

07- Drive System, Front (07- Drive System, Front)

07- Передняя подвеска (07- Front Suspension)

07- Передняя подвеска (07- Front Suspension)

07- Рулевая система System (07- Steering System)

07- Рулевая система System (07- Steering System)

08- Drive System, Rear (08- Drive System, Rear)

08- Drive System, Rear (08- Drive System, Rear)

08- Задняя подвеска (08- Rear Suspension)

08- Задняя подвеска (08- Rear Suspension)

09- Корпус и Аксессуары (09- Body And Accessories)

09- Корпус и Аксессуары (09- Body And Accessories)

09- Наклейки (09- Decals)

09- Наклейки (09- Decals)

09- Рама, System (09- Frame, System)

09- Рама, System (09- Frame, System)

09- Front Storage Tray (09- Front Storage Tray)

09- Front Storage Tray (09- Front Storage Tray)

09- Luggage Racks (09- Luggage Racks)

09- Luggage Racks (09- Luggage Racks)

09- Rear Cargo Box (09- Rear Cargo Box)

09- Rear Cargo Box (09- Rear Cargo Box)

09- Седло (09- Seat)

09- Седло (09- Seat)

10- Электрика Аксессуары (10- Electrical Accessories)

10- Электрика Аксессуары (10- Electrical Accessories)

10- Электрика - жгут проводов, Рама (10- Electrical Harness, Frame)

10- Электрика - жгут проводов, Рама (10- Electrical Harness, Frame)

10- Электрика System (10- Electrical System)

10- Электрика System (10- Electrical System)

brp atv

Время выполнения запроса 3.3060879707336 сек.


 
 

данный сайт носит информационный характер и не является публичной офертой

склад запчастей для водомоторной техники