вконтакте

Контактный телефон: +7 (981) 121-46-93, +7 (800) 200-90-76 , Email: parts-katalog@yandex.ru, где купить

 
 

  Логин:

Пароль:

Регистрация

www.partskatalog.ru Все каталоги Запчасти Mercury Запчасти Suzuki Запчасти Tohatsu Запчасти Honda Контакты



УВАЖАЕМЫЕ КЛИЕНТЫ!
C 19 ДЕКАБРЯ 2025 ПО 02 МАРТА 2026 ГОДА ОТДЕЛ ЗАПЧАСТЕЙ И СЕРВИС РАБОТАТЬ НЕ БУДУТ
ПРОДАЖА ЛОДОЧНЫХ МОТОРОВ В ШТАТНОМ РЕЖИМЕ
ОБ ИЗМЕНЕНИЯХ В ГРАФИКЕ РАБОТЫ ЧИТАЙТЕ НА САЙТА




Вернуться к началу выбора


Год выпуска: 2001 год

Семейство или модельный ряд: Traxter/Traxter XT

Модификация квадроцикла: Traxter, 7419/7420/7425/7426 (red/rouge), 2001

   Выберите раздел

найти расходники на квадроциклы BRP


Выберите раздел

01- Выхлопная система (01- Exhaust System)

01- Выхлопная система (01- Exhaust System)

01- Охлаждение System (01- Cooling System)

01- Охлаждение System (01- Cooling System)

01- Картер двигателя (01- Crankcase)

01- Картер двигателя (01- Crankcase)

01- Коленвал, Поршни и Цилиндр (01- Crankshaft, Pistons And Cylinder)

01- Коленвал, Поршни и Цилиндр (01- Crankshaft, Pistons And Cylinder)

01- Сцепление Корпус и Крышка (01- Clutch Housing And Cover)

01- Сцепление Корпус и Крышка (01- Clutch Housing And Cover)

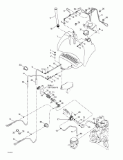
02- Топливный бак (02- Fuel Tank)

02- Топливный бак (02- Fuel Tank)

02- Air Впуск глушителя (02- Air Intake Silencer)

02- Air Впуск глушителя (02- Air Intake Silencer)

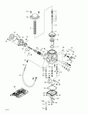
02- Карбюратор (02- Carburetor)

02- Карбюратор (02- Carburetor)

03- Ignition и Водяной насос (03- Ignition And Water Pump)

03- Ignition и Водяной насос (03- Ignition And Water Pump)

04- Rewind Стартер, Электростартер (04- Rewind Starter, Electric Starter)

04- Rewind Стартер, Электростартер (04- Rewind Starter, Electric Starter)

05- Сцепление (05- Clutch)

05- Сцепление (05- Clutch)

05- Шестерня Переключатель (05- Gear Shift)

05- Шестерня Переключатель (05- Gear Shift)

05- Трансмиссия (05- Transmission)

05- Трансмиссия (05- Transmission)

05- Drive System, Front (05- Drive System, Front)

05- Drive System, Front (05- Drive System, Front)

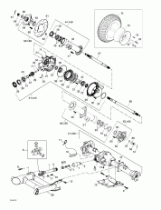
05- Drive System, Rear (05- Drive System, Rear)

05- Drive System, Rear (05- Drive System, Rear)

06- Hydraulic тормоз (06- Hydraulic Brake)

06- Hydraulic тормоз (06- Hydraulic Brake)

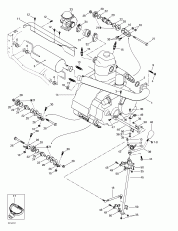
07- Рулевая система System (07- Steering System)

07- Рулевая система System (07- Steering System)

07- Передняя подвеска (07- Front Suspension)

07- Передняя подвеска (07- Front Suspension)

08- Задняя подвеска (08- Rear Suspension)

08- Задняя подвеска (08- Rear Suspension)

09- Седло (09- Seat)

09- Седло (09- Seat)

09- Front Tray (09- Front Tray)

09- Front Tray (09- Front Tray)

09- Рама и Luggage Racks (09- Frame And Luggage Racks)

09- Рама и Luggage Racks (09- Frame And Luggage Racks)

09- Корпус и Аксессуары (09- Body And Accessories)

09- Корпус и Аксессуары (09- Body And Accessories)

09- Наклейки (09- Decals)

09- Наклейки (09- Decals)

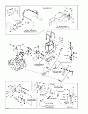
10- Battery и Электрика Аксессуары (10- Battery And Electrical Accessories)

10- Battery и Электрика Аксессуары (10- Battery And Electrical Accessories)

10- Main Жгут проводов и Электрика Аксессуары (10- Main Harness And Electrical Accessories)

10- Main Жгут проводов и Электрика Аксессуары (10- Main Harness And Electrical Accessories)

brp atv

Время выполнения запроса 0.38426399230957 сек.


 
 

данный сайт носит информационный характер и не является публичной офертой

склад запчастей для водомоторной техники