|   | 
   
     
 Выбрать другую модель 
вернуться к списку узлов и деталей ДЕТАЛИРОВКА ДЛЯ МОДЕЛИ:  BRP ATV DS 250 NA & INT, 2015 
Раздел: Магнето | Magneto
 
 
 
 
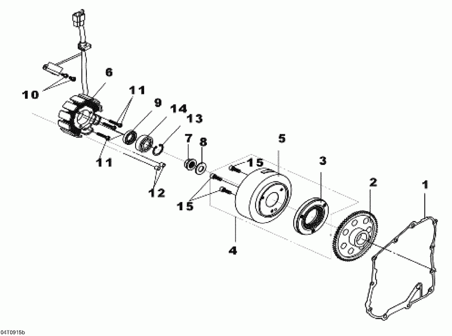
Номер на   рисунке | Артикул | Наименование | Кол-во   на складе | Цена |  
|  1  | S11394RB1000 | Крышка Прокладка (Cover Gasket)  | под заказ | 610 руб. |  |  
|  2  | S28110HMA000 | Стартер Wheel (Starter Wheel)  | под заказ | 7840 руб. |  |  
|  3  | S2812AHMA000 | One Way Сцепление (One Way Clutch)  | под заказ | 34600 руб. |  |  
|  4  | S3110ARB1000 | Генератор Маховик в сборе (Generator Flywheel Assy)  | под заказ | 55400 руб. |  |  
|  5  | NASP/NDPR | Не доступно As Spare Parts (Not Available As Spare Parts)  | под заказ | по запросу |  |  
|  6  | S31120RCA000 | Статор в сборе (Stator Assy)  | под заказ | 24300 руб. |  |  
|  7  | S90201KR8751 | Фланецd Гайка 14 mm (Flanged Nut 14 mm)  | под заказ | 910 руб. |  |  
|  8  | S90401KJ9000 | Упорная шайба (Thrust Washer)  | под заказ | 610 руб. |  |  
|  9  | S91202HMA000 | Сальник (Oil Seal)  | под заказ | 450 руб. |  |  
|  10  | S9210105012 | Шестигранный винт M5 X 12 (Hex. Screw M5 X 12)  | под заказ | 300 руб. |  |  
|  11  | 207644044 | Hex. Фланецd Винт M6 X 40 (Hex. Flanged Screw M6 X 40)  | под заказ | по запросу |  |  
|  12  | S9430108140 | Шпонка (Dowel Pin)  | под заказ | 300 руб. |  |  
|  13  | S9452032000 | Стопорное кольцо (Circlip)  | под заказ | 300 руб. |  |  
|  14  | S961406201310 | Шариковый подшипник (Ball Bearing)  | под заказ | 760 руб. |  |  
|  15  | NASP/NDPR | Не доступно As Spare Parts (Not Available As Spare Parts)  | под заказ | по запросу |  |  
 
 
 Время выполнения запроса 1.066370010376 сек.     
    | 
     |