| |
Выбрать другую модель
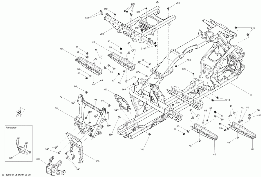
вернуться к списку узлов и деталей ДЕТАЛИРОВКА ДЛЯ МОДЕЛИ: BRP ATV Outlander 800R EFI, STD, DPS, XT & XT-P, 2013
Раздел: Рама | Frame
Номер на рисунке | Артикул | Наименование | Кол-во на складе | Цена |
| 10 | 705203139 | Рама, чёрный. Outlander (Frame, Black. Outlander) | под заказ | по запросу | |
| 10 | 705203477 | (последний код) Рама, чёрный. Outlander (Frame, Black. Outlander) | под заказ | 113100 руб. | |
| 40 | 705202021 | Footrest Sвышеport (Footrest Support) | под заказ | 1260 руб. | |
| 40 | 703500852 | (последний код) Footrest Sвышеport (Footrest Support) | под заказ | 1820 руб. | |
| 45 | 207782044 | Carriage Болт, M8 X 20 (Carriage Bolt, M8 X 20) | под заказ | 290 руб. | |
| 45 | M40058 | (последний код) | под заказ | по запросу | |
| 50 | 233281414 | Hex. Фланецd Elastic Гайка M8 (Hex. Flanged Elastic Nut M8) | под заказ | 290 руб. | |
| 50 | M33201 | (последний код) | под заказ | по запросу | |
| 55 | 234001410 | плоский Шайба 10 mm (Flat Washer 10 mm) | под заказ | 290 руб. | |
| 55 | 224001211 | (последний код) плоский Шайба 10 mm (Flat Washer 10 mm) | под заказ | 230 руб. | |
| 60 | 705201907 | Welded Rear Sвышеport (Welded Rear Support) | под заказ | по запросу | |
| 70 | 207602546 | Hex. Фланецd Винт M10 X 25 (Hex. Flanged Screw M10 X 25) | под заказ | 290 руб. | |
| 80 | 233201416 | Hex. Фланецd Elastic Гайка M10 (Hex. Flanged Elastic Nut M10) | под заказ | 720 руб. | |
| 80 | 233201436 | (последний код) Hex. Фланецd Elastic Гайка M10 (Hex. Flanged Elastic Nut M10) | под заказ | 860 руб. | |
| 260 | 705202291 | Welded Удлинитель, чёрный (Welded Extension, Black) | под заказ | 11560 руб. | |
| 265 | 207602546 | Hex. Фланецd Винт M10 X 25 (Hex. Flanged Screw M10 X 25) | под заказ | 290 руб. | |
| 270 | 233201416 | Hex. Фланецd Elastic Гайка M10 (Hex. Flanged Elastic Nut M10) | под заказ | 720 руб. | |
| 270 | 233201436 | (последний код) Hex. Фланецd Elastic Гайка M10 (Hex. Flanged Elastic Nut M10) | под заказ | 860 руб. | |
| 280 | 233281414 | Hex. Фланецd Elastic Гайка M8 (Hex. Flanged Elastic Nut M8) | под заказ | 290 руб. | |
| 280 | M33201 | (последний код) | под заказ | по запросу | |
| 300 | 715001329 | Welded Hitch, чёрный. Outlander (Welded Hitch, Black. Outlander) | под заказ | 8440 руб. | |
| 300 | 715002243 | (последний код) Welded Hitch, чёрный. Outlander (Welded Hitch, Black. Outlander) | под заказ | 10110 руб. | |
| 310 | 293450307 | Insert (Insert) | под заказ | 300 руб. | |
| 320 | 293450232 | Insert. Outlander (Insert. Outlander) | под заказ | 610 руб. | |
| 330 | 705203301 | Rear Sвышеport (Rear Support) | под заказ | 3060 руб. | |
| 340 | 207682046 | Hex. Фланецd Винт M8 X 20 (Hex. Flanged Screw M8 X 20) | под заказ | 290 руб. | |
| 350 | 233281416 | Hex. Elastic Фланецd Гайка M8 (Hex. Elastic Flanged Nut M8) | под заказ | 290 руб. | |
| 360 | 705202900 | Front Соединитель (Front Link) | под заказ | 2040 руб. | |

Время выполнения запроса 3.5816428661346 сек.
|
|