вконтакте

Контактный телефон: +7 (981) 121-46-93, +7 (800) 200-90-76 , Email: parts-katalog@yandex.ru, где купить

 
 

  Логин:

Пароль:

Регистрация

www.partskatalog.ru Все каталоги Запчасти Mercury Запчасти Suzuki Запчасти Tohatsu Запчасти Honda Контакты



УВАЖАЕМЫЕ КЛИЕНТЫ!
C 19 ДЕКАБРЯ 2025 ПО 02 МАРТА 2026 ГОДА ОТДЕЛ ЗАПЧАСТЕЙ И СЕРВИС РАБОТАТЬ НЕ БУДУТ
ПРОДАЖА ЛОДОЧНЫХ МОТОРОВ В ШТАТНОМ РЕЖИМЕ
ОБ ИЗМЕНЕНИЯХ В ГРАФИКЕ РАБОТЫ ЧИТАЙТЕ НА САЙТА




Выбрать другую модель

назад Раздел:   вперёд

вернуться к списку узлов и деталей

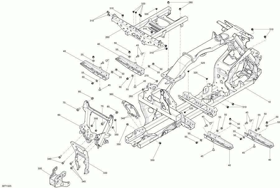
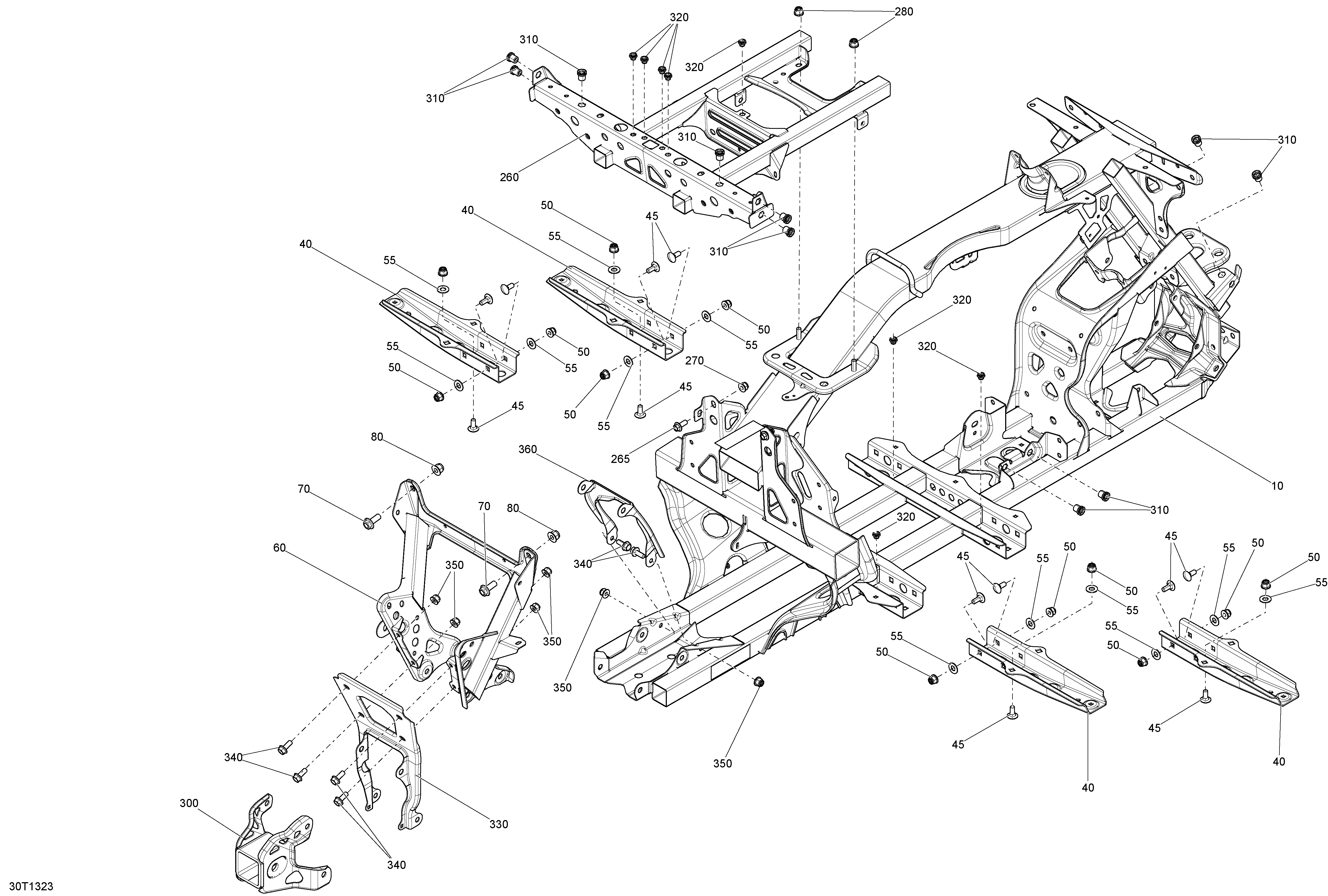
ДЕТАЛИРОВКА ДЛЯ МОДЕЛИ: BRP ATV Outlander 650EFI XMR, 2013

Раздел: Рама | Frame


Мотовездеход  Outlander 650EFI XMR, 2013 - Рама

Номер на
рисунке
АртикулНаименованиеКол-во
на складе
Цена
10 705203139

Рама, чёрный. Outlander (Frame, Black. Outlander)

под заказпо запросу
10 705203477

(последний код) Рама, чёрный. Outlander (Frame, Black. Outlander)

под заказ113100 руб.
40 705202021

Footrest Sвышеport (Footrest Support)

под заказ1260 руб.
40 703500852

(последний код) Footrest Sвышеport (Footrest Support)

под заказ1820 руб.
45 207782044

Carriage Болт, M8 X 20 (Carriage Bolt, M8 X 20)

под заказ290 руб.
45 M40058

(последний код)

под заказпо запросу
50 233281414

Hex. Фланецd Elastic Гайка M8 (Hex. Flanged Elastic Nut M8)

под заказ290 руб.
50 M33201

(последний код)

под заказпо запросу
55 234001410

плоский Шайба 10 mm (Flat Washer 10 mm)

под заказ290 руб.
55 224001211

(последний код) плоский Шайба 10 mm (Flat Washer 10 mm)

под заказ230 руб.
60 705201907

Welded Rear Sвышеport (Welded Rear Support)

под заказпо запросу
70 207602546

Hex. Фланецd Винт M10 X 25 (Hex. Flanged Screw M10 X 25)

под заказ290 руб.
80 233201416

Hex. Фланецd Elastic Гайка M10 (Hex. Flanged Elastic Nut M10)

под заказ720 руб.
80 233201436

(последний код) Hex. Фланецd Elastic Гайка M10 (Hex. Flanged Elastic Nut M10)

под заказ860 руб.
260 705202291

Welded Удлинитель, чёрный (Welded Extension, Black)

под заказ11560 руб.
265 207602546

Hex. Фланецd Винт M10 X 25 (Hex. Flanged Screw M10 X 25)

под заказ290 руб.
270 233201416

Hex. Фланецd Elastic Гайка M10 (Hex. Flanged Elastic Nut M10)

под заказ720 руб.
270 233201436

(последний код) Hex. Фланецd Elastic Гайка M10 (Hex. Flanged Elastic Nut M10)

под заказ860 руб.
280 233281414

Hex. Фланецd Elastic Гайка M8 (Hex. Flanged Elastic Nut M8)

под заказ290 руб.
280 M33201

(последний код)

под заказпо запросу
300 715001329

Welded Hitch, чёрный. Outlander (Welded Hitch, Black. Outlander)

под заказ8440 руб.
300 715002243

(последний код) Welded Hitch, чёрный. Outlander (Welded Hitch, Black. Outlander)

под заказ10110 руб.
310 293450307

Insert (Insert)

под заказ300 руб.
320 293450232

Insert. Outlander (Insert. Outlander)

под заказ610 руб.
330 705203301

Rear Sвышеport (Rear Support)

под заказ3060 руб.
340 207682046

Hex. Фланецd Винт M8 X 20 (Hex. Flanged Screw M8 X 20)

под заказ290 руб.
350 233281416

Hex. Elastic Фланецd Гайка M8 (Hex. Elastic Flanged Nut M8)

под заказ290 руб.
360 705202900

Front Соединитель (Front Link)

под заказ2040 руб.
brp atv

Время выполнения запроса 1.7674767971039 сек.


 
 

данный сайт носит информационный характер и не является публичной офертой

склад запчастей для водомоторной техники