вконтакте

Контактный телефон: +7 (981) 121-46-93, +7 (800) 200-90-76 , Email: parts-katalog@yandex.ru, где купить

 
 

  Логин:

Пароль:

Регистрация

www.partskatalog.ru Все каталоги Запчасти Mercury Запчасти Suzuki Запчасти Tohatsu Запчасти Honda Контакты



УВАЖАЕМЫЕ КЛИЕНТЫ!
C 19 ДЕКАБРЯ 2025 ПО 02 МАРТА 2026 ГОДА ОТДЕЛ ЗАПЧАСТЕЙ И СЕРВИС РАБОТАТЬ НЕ БУДУТ
ПРОДАЖА ЛОДОЧНЫХ МОТОРОВ В ШТАТНОМ РЕЖИМЕ
ОБ ИЗМЕНЕНИЯХ В ГРАФИКЕ РАБОТЫ ЧИТАЙТЕ НА САЙТА




Выбрать другую модель

назад Раздел:   вперёд

вернуться к списку узлов и деталей

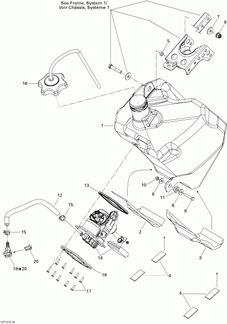
ДЕТАЛИРОВКА ДЛЯ МОДЕЛИ: BRP ATV DS 450EFI Xxc & Xmx, 2012

Раздел: Топливная система | Fuel System


ATV Bombardier модель DS 450EFI Xxc & Xmx, 2012 - Fuel System

Номер на
рисунке
АртикулНаименованиеКол-во
на складе
Цена
1 709000237

Топливный бак (Fuel Tank)

под заказ25000 руб.
1 709000180

(последний код) Топливный бак (Fuel Tank)

под заказ16260 руб.
2 709000242

Reflective Sheet (Reflective Sheet)

под заказ440 руб.
3 709000243

Reflective Sheet (Reflective Sheet)

под заказ440 руб.
4 709000401

Rubber Pad (Rubber Pad)

под заказ920 руб.
5 293900067

Втулка (Bushing)

под заказ630 руб.
6 250200082

плоский Шайба (Flat Washer)

под заказ270 руб.
6 399900800

(последний код) плоский Шайба (Flat Washer)

под заказ210 руб.
7 234082430

плоский Шайба M8 (Flat Washer M8)

под заказ290 руб.
8 233281434

Hex. Фланецd Elastic Гайка M8 (Hex. Flanged Elastic Nut M8)

под заказ290 руб.
9 207063544

Hex. Фланецd Винт M6 X 35 (Hex. Flanged Screw M6 X 35)

под заказ280 руб.
9 420941120

(последний код) Hex. Фланецd Винт M6 X 35 (Hex. Flanged Screw M6 X 35)

под заказ220 руб.
10 232561434

Эластичная гайка со стопором M6 (Elastic Stop Nut M6)

под заказ270 руб.
11 293900088

Втулка (Bushing)

под заказ660 руб.
12 709000163

Fuel Line (Fuel Line)

под заказпо запросу
12 709000142

(последний код) Fuel Line (Fuel Line)

под заказпо запросу
13 709000109

Прокладка (Gasket)

под заказ610 руб.
13 709000504

(последний код) Прокладка (Gasket)

под заказ1800 руб.
14 709000386

Топливный насос (Fuel Pump)

под заказ37400 руб.
15 293650047

Crimp Струбцина (Crimp Clamp)

под заказ290 руб.
16 709000117

Fuel Колпачок (Fuel Cap)

под заказ2130 руб.
17 250000242

Truss Torx Винт M4 X 16 (Truss Torx Screw M4 X 16)

под заказ250 руб.
18 709000170

Помпа Кольцо (Pump Ring)

под заказ1040 руб.
19 709000125

Female Quick Fitting в сборе. Includes 19 to 20 (Female Quick Fitting Assy. Includes 19 to 20)

под заказ1150 руб.
19 709000684

(последний код) Female Quick Fitting в сборе. Includes 19 to 20 (Female Quick Fitting Assy. Includes 19 to 20)

под заказ1000 руб.
20 513033135

Locking Зажим (Locking Clip)

под заказ430 руб.
20 UP-12740

   (не оригинальный аналог) Фиксатор топливного шланга BRP UP-12740

под заказ140 руб.
brp atv

Время выполнения запроса 1.3915090560913 сек.


 
 

данный сайт носит информационный характер и не является публичной офертой

склад запчастей для водомоторной техники