вконтакте

Контактный телефон: +7 (981) 121-46-93, +7 (800) 200-90-76 , Email: parts-katalog@yandex.ru, где купить

 
 

  Логин:

Пароль:

Регистрация

www.partskatalog.ru Все каталоги Запчасти Mercury Запчасти Suzuki Запчасти Tohatsu Запчасти Honda Контакты



УВАЖАЕМЫЕ КЛИЕНТЫ!
C 19 ДЕКАБРЯ 2025 ПО 02 МАРТА 2026 ГОДА ОТДЕЛ ЗАПЧАСТЕЙ И СЕРВИС РАБОТАТЬ НЕ БУДУТ
ПРОДАЖА ЛОДОЧНЫХ МОТОРОВ В ШТАТНОМ РЕЖИМЕ
ОБ ИЗМЕНЕНИЯХ В ГРАФИКЕ РАБОТЫ ЧИТАЙТЕ НА САЙТА




Выбрать другую модель

назад Раздел:   вперёд

вернуться к списку узлов и деталей

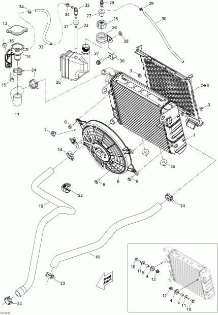
ДЕТАЛИРОВКА ДЛЯ МОДЕЛИ: BRP ATV Renagade 500EFI STD, 2012

Раздел: Охлаждение System | Cooling System


Renagade 500EFI STD, 2012 - Охлаждение System

Номер на
рисунке
АртикулНаименованиеКол-во
на складе
Цена
1 709200411

Radiator (Radiator)

под заказ27600 руб.
2 709200187

Radiator Защита Includes 2 to 3 (Radiator Protector. Includes 2 to 3)

под заказ3300 руб.
3 414479100

Зажим (Clip)

под заказ290 руб.
4 293720053

Пыльник (Grommet)

под заказ260 руб.
4 709000582

(последний код) Пыльник (Grommet)

под заказ310 руб.
4 SM-12511

   (не оригинальный аналог) Втулка резиновая BRP SM-12511

под заказ160 руб.
5 293900105

Втулка (Bushing)

под заказ580 руб.
6 709200371

Fan в сборе (Fan Assy)

под заказ22300 руб.
6 709200313

(последний код) Fan в сборе (Fan Assy)

под заказ14740 руб.
7 705600459

Струбцина (Clamp)

под заказ370 руб.
7 293650256

(последний код) Струбцина (Clamp)

под заказ480 руб.
8 207561644

Hex. Фланецd Винт M6 X 16, Scotch Рукоятка (Hex. Flanged Screw M6 X 16, Scotch Grip)

под заказ290 руб.
10 207662544

Hex. Фланецd Винт M6 X 25 (Hex. Flanged Screw M6 X 25)

под заказ290 руб.
10 420940568

(последний код) Hex. Фланецd Винт M6 X 25 (Hex. Flanged Screw M6 X 25)

под заказ230 руб.
11 391302000

плоский Шайба (Flat Washer)

под заказ210 руб.
11 250200082

(последний код) плоский Шайба (Flat Washer)

под заказ270 руб.
12 233261414

Hex. Фланецd Elastic Гайка M6 (Hex. Flanged Elastic Nut M6)

под заказ290 руб.
12 M33200

(последний код)

под заказпо запросу
13 709200207

Pressure Колпачок (Pressure Cap)

под заказ1400 руб.
13 709200033

(последний код) Pressure Колпачок (Pressure Cap)

под заказ1120 руб.
14 709200179

Filler Neck (Filler Neck)

под заказ1130 руб.
15 207662544

Hex. Фланецd Винт M6 X 25 (Hex. Flanged Screw M6 X 25)

под заказ290 руб.
15 420940568

(последний код) Hex. Фланецd Винт M6 X 25 (Hex. Flanged Screw M6 X 25)

под заказ230 руб.
16 233261414

Hex. Фланецd Elastic Гайка M6 (Hex. Flanged Elastic Nut M6)

под заказ290 руб.
16 M33200

(последний код)

под заказпо запросу
17 709200180

Filler Neck Шланг (Filler Neck Hose)

под заказ1520 руб.
18 709200182

вход Шланг (Inlet Hose)

под заказ1700 руб.
19 709200258

выход Шланг (Outlet Hose)

под заказ3090 руб.
22 275500590

Фиксатор (Retainer)

под заказ770 руб.
23 293650108

Norma Пружина Струбцина (Norma Spring Clamp)

под заказ570 руб.
24 293650109

Norma Пружина Струбцина (Norma Spring Clamp)

под заказ500 руб.
25 709200099

Coolant Tank (Coolant Tank)

под заказ5030 руб.
25 709200065

(последний код) Coolant Tank (Coolant Tank)

под заказ3930 руб.
26 548872589

Coolant Резервный бак Колпачок (Coolant Reserve Tank Cap)

под заказ740 руб.
26 709200262

(последний код) Coolant Резервный бак Колпачок (Coolant Reserve Tank Cap)

под заказ680 руб.
27 293830136

Пыльник (Grommet)

под заказ580 руб.
27 548872584

(последний код) Пыльник (Grommet)

под заказпо запросу
28 414554800

Пружина Струбцина (Spring Clamp)

под заказ140 руб.
28 414278600

(последний код) Пружина Струбцина (Spring Clamp)

под заказ110 руб.
29 414580700

Male Коннектор (Male Connector)

под заказ430 руб.
29 414388900

(последний код) Male Коннектор (Male Connector)

под заказ340 руб.
30 415080200

Шланг, Polyurethane (Hose, Polyurethane)

под заказ1150 руб.
30 709000183

(последний код) Шланг, Polyurethane (Hose, Polyurethane)

под заказпо запросу
31 709200285

Пыльник (Grommet)

под заказ720 руб.
31 570135100

(последний код) Пыльник (Grommet)

под заказ560 руб.
32 414580600

Elbow Male Коннектор (Elbow Male Connector)

под заказ430 руб.
32 414362500

(последний код) Elbow Male Коннектор (Elbow Male Connector)

под заказ340 руб.
33 415110000

Polyurethane Шланг 5.2 mm (Polyurethane Hose 5.2 mm)

под заказ280 руб.
33 709000017

(последний код) Polyurethane Шланг 5.2 mm (Polyurethane Hose 5.2 mm)

под заказ220 руб.
34 414554800

Пружина Струбцина (Spring Clamp)

под заказ140 руб.
34 414278600

(последний код) Пружина Струбцина (Spring Clamp)

под заказ110 руб.
35 709200285

Пыльник (Grommet)

под заказ720 руб.
35 570135100

(последний код) Пыльник (Grommet)

под заказ560 руб.
36 709200036

Шланг Anchor (Hose Anchor)

под заказ770 руб.
37 207562044

Фланецd Винт M6 X 20, Scotch Рукоятка (Flanged Screw M6 X 20, Scotch Grip)

под заказпо запросу
38 709200209

Кронштейн (Bracket)

под заказ460 руб.
38 709200196

(последний код) Кронштейн (Bracket)

под заказ340 руб.
39 732610072

Push Гайка (Push Nut)

под заказ270 руб.
39 732610068

(последний код) Push Гайка (Push Nut)

под заказ210 руб.
brp atv

Время выполнения запроса 5.1641778945923 сек.


 
 

данный сайт носит информационный характер и не является публичной офертой

склад запчастей для водомоторной техники