вконтакте

Контактный телефон: +7 (981) 121-46-93, +7 (800) 200-90-76 , Email: parts-katalog@yandex.ru, где купить

 
 

  Логин:

Пароль:

Регистрация

www.partskatalog.ru Все каталоги Запчасти Mercury Запчасти Suzuki Запчасти Tohatsu Запчасти Honda Контакты



УВАЖАЕМЫЕ КЛИЕНТЫ!
C 19 ДЕКАБРЯ 2025 ПО 02 МАРТА 2026 ГОДА ОТДЕЛ ЗАПЧАСТЕЙ И СЕРВИС РАБОТАТЬ НЕ БУДУТ
ПРОДАЖА ЛОДОЧНЫХ МОТОРОВ В ШТАТНОМ РЕЖИМЕ
ОБ ИЗМЕНЕНИЯХ В ГРАФИКЕ РАБОТЫ ЧИТАЙТЕ НА САЙТА




Выбрать другую модель

назад Раздел:   вперёд

вернуться к списку узлов и деталей

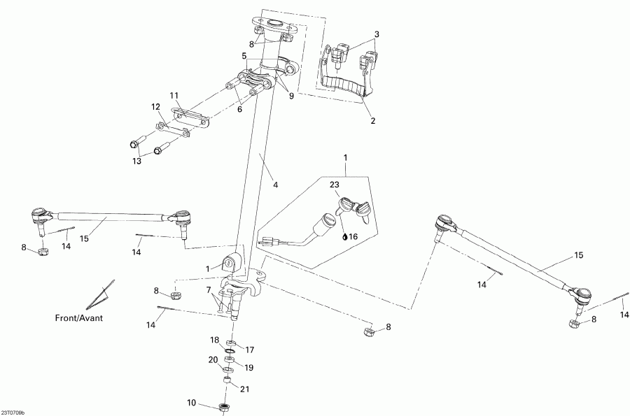
ДЕТАЛИРОВКА ДЛЯ МОДЕЛИ: BRP ATV DS 250, CE, 2007

Раздел: Рулевая система Подъемный механизм | Steering Linkage


Мотовездеход Bombardier DS 250, CE, 2007 раздел - Steering Linkage

Номер на
рисунке
АртикулНаименованиеКол-во
на складе
Цена
1 S35010RCA000

Ignition Переключатель и Ключ Set (Ignition Switch And Key Set)

под заказ4240 руб.
2 S53106RCA000

Спидометр Sвышеport (Speedometer Support)

под заказ1170 руб.
3 S53121RCA000

Handle Bar Bottom Струбцина (Handle Bar Bottom Clamp)

под заказ1690 руб.
4 S53200RCA000

Рулевая система Вал (Steering Shaft)

под заказ11560 руб.
5 S53202RCA000

Half Втулка (Half Bushing)

под заказ1510 руб.
6 S53203RCA000

Втулка (Bushing)

под заказ450 руб.
7 S90164X01000

плоский Замок винта M6 X 12 (Flat Lock Screw M6 X 12)

под заказ300 руб.
8 S90304M9Q000

Фланец U Гайка 10 mm (Flange U Nut 10 mm)

под заказ310 руб.
9 S91208RCA000

Сальник (Oil Seal)

под заказ910 руб.
10 S90305GW0901A

Self Стопорная гайка 14 mm (Self Lock Nut 14 mm)

под заказ460 руб.
11 S53204RCA000

Рулевая система Вал Держатель Пластина (Steering Shaft Holder Plate)

под заказ770 руб.
12 S53206RCA000

Lock Tab (Lock Tab)

под заказ460 руб.
13 S958010806007

Фланецd Болт M8 X 60 (Flanged Bolt M8 X 60)

под заказ300 руб.
14 S9420125250

Шплинт (Split Pin)

под заказ150 руб.
15 S50258RCA000

Tie-Тяга в сборе (Tie-rod Assy)

под заказ6820 руб.
16 293550004

Dielectric Смазка, 150 g (Dielectric Grease, 150 g)

под заказ4740 руб.
16 747018002

(последний код) Dielectric Смазка, 150 g (Dielectric Grease, 150 g)

под заказ3710 руб.
17 S91210RCA000

Сальник (Oil Seal)

под заказ610 руб.
18 S9452032000

Стопорное кольцо (Circlip)

под заказ300 руб.
19 S961306002310

Шариковый подшипник (Ball Bearing)

под заказ1360 руб.
20 S91211RCA000

Сальник (Oil Seal)

под заказ1360 руб.
21 S53207RCA000

Рулевая система Column Воротник (Steering Column Collar)

под заказ770 руб.
23 S35115RCA0000A

Blank Ignition Ключ A (Blank Ignition Key A)

под заказ1860 руб.
23 S35115RCA0000B

Blank Ignition Ключ B (Blank Ignition Key B)

под заказ1860 руб.
23 S35115RCA0000C

Blank Ignition Ключ C (Blank Ignition Key C)

под заказ1860 руб.
23 S35115RCA0000D

Blank Ignition Ключ D (Blank Ignition Key D)

под заказ1720 руб.
brp atv

Время выполнения запроса 1.6339230537415 сек.


 
 

данный сайт носит информационный характер и не является публичной офертой

склад запчастей для водомоторной техники