вконтакте

Контактный телефон: +7 (981) 121-46-93, +7 (800) 200-90-76 , Email: parts-katalog@yandex.ru, где купить

 
 

  Логин:

Пароль:

Регистрация

www.partskatalog.ru Все каталоги Запчасти Mercury Запчасти Suzuki Запчасти Tohatsu Запчасти Honda Контакты



УВАЖАЕМЫЕ КЛИЕНТЫ!
C 19 ДЕКАБРЯ 2025 ПО 02 МАРТА 2026 ГОДА ОТДЕЛ ЗАПЧАСТЕЙ И СЕРВИС РАБОТАТЬ НЕ БУДУТ
ПРОДАЖА ЛОДОЧНЫХ МОТОРОВ В ШТАТНОМ РЕЖИМЕ
ОБ ИЗМЕНЕНИЯХ В ГРАФИКЕ РАБОТЫ ЧИТАЙТЕ НА САЙТА




Выбрать другую модель

назад Раздел:   вперёд

вернуться к списку узлов и деталей

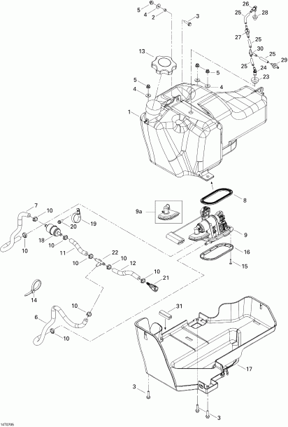
ДЕТАЛИРОВКА ДЛЯ МОДЕЛИ: BRP ATV Outlander MAX 800 STD 4 X 4, 2007

Раздел: Топливная система | Fuel System


Квадроцикл - Fuel System

Номер на
рисунке
АртикулНаименованиеКол-во
на складе
Цена
1 709000084

Топливный бак (Fuel Tank)

под заказ17480 руб.
1 709000176

(последний код) Топливный бак (Fuel Tank)

под заказ18140 руб.
2 293900029

Втулка (Bushing)

под заказ250 руб.
3 207662544

Hex Фланецd Винт M6 X 25 (Hex Flanged Screw M6 X 25)

под заказ290 руб.
3 420940568

(последний код) Hex Фланецd Винт M6 X 25 (Hex Flanged Screw M6 X 25)

под заказ230 руб.
4 391302000

плоский Шайба (Flat Washer)

под заказ210 руб.
4 250200082

(последний код) плоский Шайба (Flat Washer)

под заказ270 руб.
5 233261414

Hex Фланецd Elastic Гайка M6 (Hex Flanged Elastic Nut M6)

под заказ290 руб.
5 M33200

(последний код)

под заказпо запросу
6 709000142

Топливный шланг, 7.94 mm (Fuel Hose, 7.94 mm)

под заказпо запросу
6 709000163

(последний код) Топливный шланг, 7.94 mm (Fuel Hose, 7.94 mm)

под заказпо запросу
7 709000142

Топливный шланг, 7.94 mm (Fuel Hose, 7.94 mm)

под заказпо запросу
7 709000163

(последний код) Топливный шланг, 7.94 mm (Fuel Hose, 7.94 mm)

под заказпо запросу
8 709000109

Прокладка (Gasket)

под заказ610 руб.
8 709000504

(последний код) Прокладка (Gasket)

под заказ1800 руб.
9 703500771

Топливный насос (Fuel Pump)

под заказ33400 руб.
9 709000102

(последний код) Топливный насос (Fuel Pump)

под заказ22000 руб.
9 AT-07521

   (не оригинальный аналог) Топливный насос BRP AT-07521

под заказ11150 руб.
9a XXX

Фильтр Kit (Filter Kit)

10 293650046

Oetiker Струбцина (Oetiker Clamp)

под заказ290 руб.
11 709000142

Топливный шланг, 7.94 mm (Fuel Hose, 7.94 mm)

под заказпо запросу
11 709000163

(последний код) Топливный шланг, 7.94 mm (Fuel Hose, 7.94 mm)

под заказпо запросу
12 709000142

Топливный шланг, 7.94 mm (Fuel Hose, 7.94 mm)

под заказпо запросу
12 709000163

(последний код) Топливный шланг, 7.94 mm (Fuel Hose, 7.94 mm)

под заказпо запросу
13 513033025

Колпачок (Cap)

под заказ1720 руб.
13 580259400

(последний код) Колпачок (Cap)

под заказпо запросу
13 SM-07093

   (не оригинальный аналог) Крышка топливного бака BRP SM-07093

под заказ1730 руб.
14 414115200

Tie-rap 180 mm (Tie-rap 180 mm)

под заказ130 руб.
14 414587300

(последний код) Tie-rap 180 mm (Tie-rap 180 mm)

под заказ110 руб.
15 250000242

Truss Torx Винт M4 X 16 (Truss Torx Screw M4 X 16)

под заказ250 руб.
16 709000119

Помпа Кольцо (Pump Ring)

под заказ900 руб.
16 709000170

(последний код) Помпа Кольцо (Pump Ring)

под заказ1040 руб.
17 709000091

Tank Защита (Tank Protector)

под заказпо запросу
18 709000100

Топливный фильтр (Fuel Filter)

под заказ920 руб.
18 SM-07354

   (не оригинальный аналог) Топливный фильтр BRP SM-07354

под заказ1230 руб.
19 513033047

Open Струбцина (Open Clamp)

под заказ430 руб.
20 210261280

Hex Фланецd Винт M6 X 12 (Hex Flanged Screw M6 X 12)

под заказ250 руб.
21 709000125

Female Quick Fitting (Female Quick Fitting)

под заказ1150 руб.
21 709000684

(последний код) Female Quick Fitting (Female Quick Fitting)

под заказ1000 руб.
22 293710115

Y Fitting, 5 / 16 (Y Fitting, 5/16)

под заказпо запросу
23 293830136

Пыльник (Grommet)

под заказ580 руб.
23 548872584

(последний код) Пыльник (Grommet)

под заказпо запросу
24 414580700

Elbow Male Коннектор (Elbow Male Connector)

под заказ430 руб.
24 414388900

(последний код) Elbow Male Коннектор (Elbow Male Connector)

под заказ340 руб.
25 415080200

Polyurethane Шланг (Polyurethane Hose)

под заказ1150 руб.
25 709000183

(последний код) Polyurethane Шланг (Polyurethane Hose)

под заказпо запросу
26 414580600

Elbow Male Коннектор (Elbow Male Connector)

под заказ430 руб.
26 414362500

(последний код) Elbow Male Коннектор (Elbow Male Connector)

под заказ340 руб.
27 275500505

Обратный клапан (Check Valve)

под заказ2150 руб.
27 275500416

(последний код) Обратный клапан (Check Valve)

под заказ1680 руб.
28 293720029

Пыльник (Grommet)

под заказ580 руб.
29 275500398

Обратный клапан (Check Valve)

под заказ860 руб.
29 414824700

(последний код) Обратный клапан (Check Valve)

под заказ680 руб.
30 293710059

Y Fitting (Y Fitting)

под заказ720 руб.
30 420460635

(последний код) Y Fitting (Y Fitting)

под заказ560 руб.
31 293200093

Neoprene Сальник (Neoprene Seal)

под заказ1290 руб.
31 293200017

(последний код) Neoprene Сальник (Neoprene Seal)

под заказ1010 руб.
brp atv

Время выполнения запроса 2.5028548240662 сек.


 
 

данный сайт носит информационный характер и не является публичной офертой

склад запчастей для водомоторной техники