вконтакте

Контактный телефон: +7 (981) 121-46-93, +7 (800) 200-90-76 , Email: parts-katalog@yandex.ru, где купить

 
 

  Логин:

Пароль:

Регистрация

www.partskatalog.ru Все каталоги Запчасти Mercury Запчасти Suzuki Запчасти Tohatsu Запчасти Honda Контакты



УВАЖАЕМЫЕ КЛИЕНТЫ!
C 19 ДЕКАБРЯ 2025 ПО 02 МАРТА 2026 ГОДА ОТДЕЛ ЗАПЧАСТЕЙ И СЕРВИС РАБОТАТЬ НЕ БУДУТ
ПРОДАЖА ЛОДОЧНЫХ МОТОРОВ В ШТАТНОМ РЕЖИМЕ
ОБ ИЗМЕНЕНИЯХ В ГРАФИКЕ РАБОТЫ ЧИТАЙТЕ НА САЙТА




Выбрать другую модель

назад Раздел:   вперёд

вернуться к списку узлов и деталей

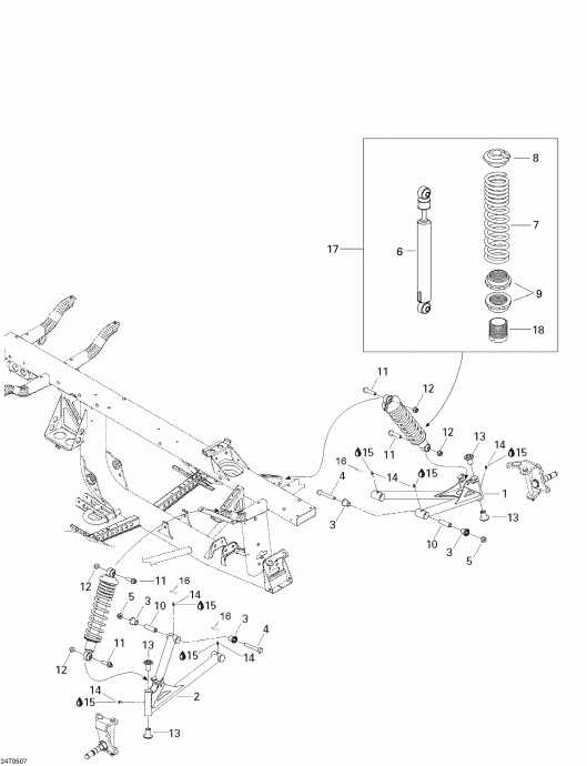
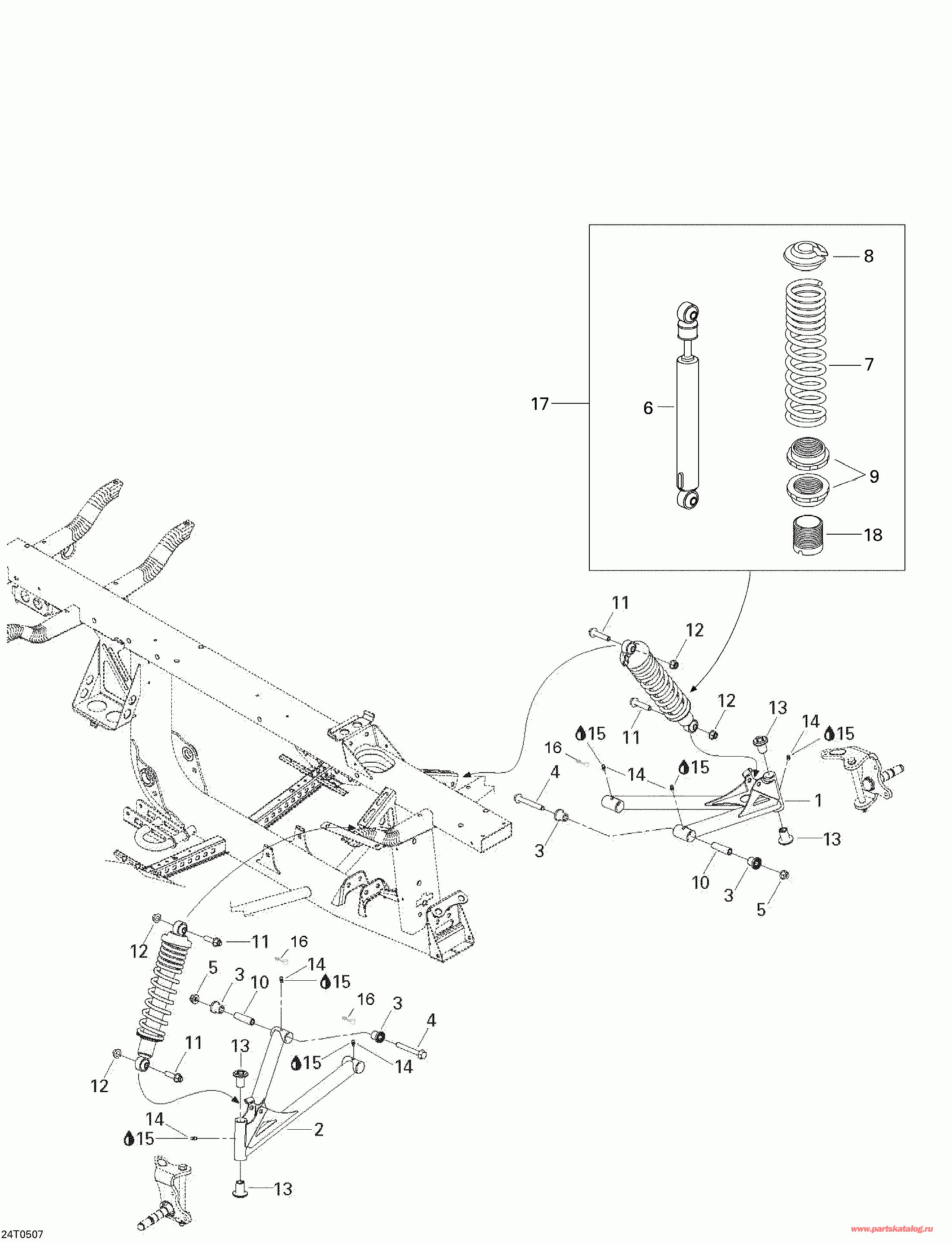
ДЕТАЛИРОВКА ДЛЯ МОДЕЛИ: BRP ATV Rally 175, 2005

Раздел: Передняя подвеска | Front Suspension


Rally 175, 2005 - Front Suspension

Номер на
рисунке
АртикулНаименованиеКол-во
на складе
Цена
1 706200175

L.H. Рычаг (L.H. Arm)

под заказ13400 руб.
2 706200176

R.H. Рычаг (R.H. Arm)

под заказ13260 руб.
3 706200063

Подушка (Cushion)

под заказ720 руб.
4 A9600010080

Hex Фланецd Винт M10 X 80 (Hex Flanged Screw M10 X 80)

под заказ1720 руб.
5 A9035110000

Hex Фланецd Elastic Гайка M10 (Hex Flanged Elastic Nut M10)

под заказ2010 руб.
6 A51411179000

Front Shock (Front Shock)

под заказ16080 руб.
7 A51401179000

Front Пружина (Front Spring)

под заказ2870 руб.
8 A51402179000

Пружина Стопор (Spring Stopper)

под заказ1640 руб.
9 A51421179000

Пружина Седло (Spring Seat)

под заказ2050 руб.
10 706200177

Inner Втулка (Inner Bushing)

под заказ1290 руб.
11 A9600010050

Hex Фланецd Винт M10 X 50 (Hex Flanged Screw M10 X 50)

под заказ860 руб.
12 A9035110000L

Hex Фланецd Elastic Гайка M10 (Hex Flanged Elastic Nut M10)

под заказ2010 руб.
13 706200169

Подушка (Cushion)

под заказ860 руб.
14 408200700

Смазочный фиттинг (Grease Fitting)

под заказ320 руб.
15 293550010

Synthetic Смазка (Synthetic Grease)

под заказ2490 руб.
15 293550018

(последний код) Synthetic Смазка (Synthetic Grease)

под заказ1950 руб.
16 A9650206000

Смазка Клапан Колпачок (Grease Valve Cap)

под заказ580 руб.
17 A51400179000

Front Shock в сборе (Front Shock Assy)

под заказ16080 руб.
18 A51422179000

Shock Регулятор (Shock Adjuster)

под заказ2630 руб.
brp atv

Время выполнения запроса 1.6652770042419 сек.


 
 

данный сайт носит информационный характер и не является публичной офертой

склад запчастей для водомоторной техники