Контактный телефон: +7 (981) 121-46-93, +7 (800) 200-90-76 , Email: parts-katalog@yandex.ru, где купить |
вернуться к списку узлов и деталей ДЕТАЛИРОВКА ДЛЯ МОДЕЛИ: BRP ATV Mini DS 90 2-strokes, 2002 Раздел: Генератор, Двигатель электростартера 170-12
|
|||||||||||||||||||||||||||||||||||||||||||||||||||||||||||||||||||||||||||||||||||||||||||||||||
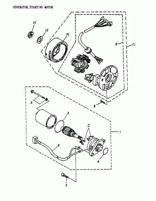
| Номер на рисунке | Артикул | Наименование | Кол-во на складе | Цена | |
| 1 | A31200116000 | Двигатель электростартера в сборе (Starting Motor Assy) | под заказ | 13960 руб. | |
| 2 | A31201104000 | Набор щёток (Brush Set) | под заказ | 2170 руб. | |
| 3 | A91342104000 | Oil Кольцо (Oil Ring) | под заказ | 820 руб. | |
| 4 | A91323104000 | Oil Кольцо (Oil Ring) | под заказ | 820 руб. | |
| 5 | A90115104000 | Болт Set (Bolt Set) | под заказ | по запросу | |
| 6 | A31202116000 | Cord Comp (Cord Comp) | под заказ | 4100 руб. | |
| 7 | A9100006020 | Hex. Socket Болт M6 x 20 (Hex. Socket Bolt M6 x 20) | под заказ | по запросу | |
| 8 | A9100006015 | Hex. Socket Болт M6 x 15 (Hex. Socket Bolt M6 x 15) | под заказ | 270 руб. | |
| 9 | A31120116000 | Статор Comp (Stator Comp) | под заказ | 18740 руб. | |
| 10 | A31110116000 | Генератор Маховик (Generator Flywheel) | под заказ | по запросу | |
| 11 | A31100116000 | Генератор в сборе (Generator Assy) | под заказ | 29900 руб. | |
| 12 | A941011022020 | Plain Шайба (10 x 22 x 2) (Plain Washer (10 x 22 x 2)) | под заказ | 280 руб. | |
| 13 | A9405010000 | Hex. Фланецd Гайка With Serration M10 (Hex. Flanged Nut With Serration M10) | под заказ | 290 руб. | |

Время выполнения запроса 0.47914409637451 сек.
склад запчастей для водомоторной техники