вконтакте

Контактный телефон: +7 (981) 121-46-93, +7 (800) 200-90-76 , Email: parts-katalog@yandex.ru, где купить

 
 

  Логин:

Пароль:

Регистрация

www.partskatalog.ru Все каталоги Запчасти Mercury Запчасти Suzuki Запчасти Tohatsu Запчасти Honda Контакты


Выбрать другую модель

назад Раздел:   вперёд

вернуться к списку узлов и деталей

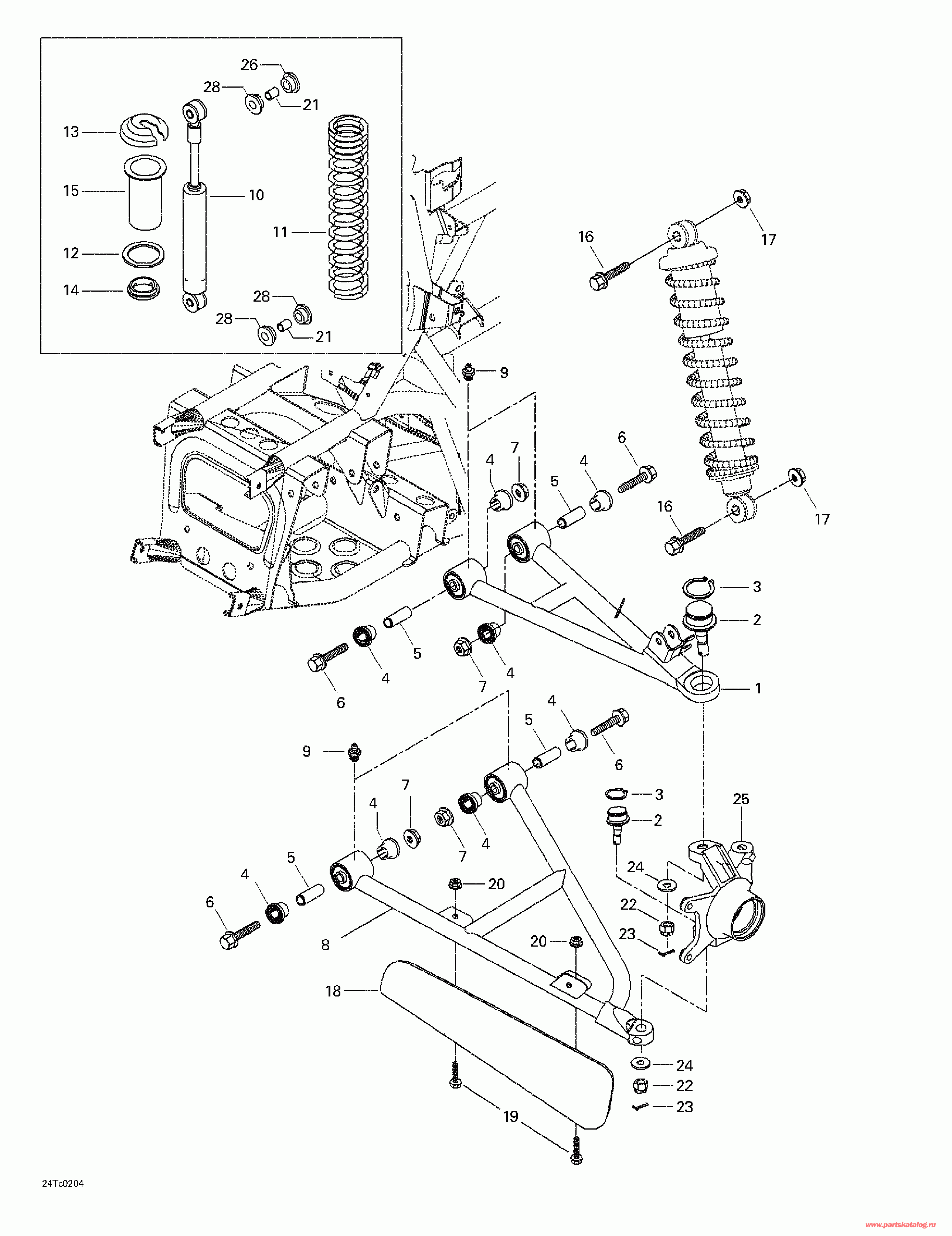
ДЕТАЛИРОВКА ДЛЯ МОДЕЛИ: BRP ATV Quest, 2002

Раздел: Передняя подвеска | Front Suspension


Квадроцикл  модель Quest, 2002 - Front Suspension

Номер на
рисунке
АртикулНаименованиеКол-во
на складе
Цена
1 706200187

R.H. верхний Рычаг (R.H. Upper Arm)

под заказ12690 руб.
1 706200152

(последний код) R.H. верхний Рычаг (R.H. Upper Arm)

под заказ9920 руб.
706200193

LH верхний Рычаг (LH Upper Arm)

под заказ14100 руб.
2 706200091

Шаровое соединение (Ball Joint)

под заказ2700 руб.
2 706200653

(последний код) Шаровое соединение (Ball Joint)

под заказ3790 руб.
2 AT-08810

   (не оригинальный аналог) Шаровая опора BRP AT-08810

под заказ2040 руб.
3 293370009

Стопорное кольцо (Circlip)

под заказ90 руб.
4 706200181

Подушка (Cushion)

под заказ170 руб.
4 706200157

(последний код) Подушка (Cushion)

под заказ130 руб.
5 706200182

Interior Втулка (Interior Bushing)

под заказ560 руб.
5 706200678

(последний код) Interior Втулка (Interior Bushing)

под заказ610 руб.
6 207607046

Hex. Фланецd Винт M10 x 7 (Hex. Flanged Screw M10 x 7)

под заказ290 руб.
7 233201416

Elastic Фланецd Stop Гайка M10 (Elastic Flanged Stop Nut M10)

под заказ720 руб.
7 233201436

(последний код) Elastic Фланецd Stop Гайка M10 (Elastic Flanged Stop Nut M10)

под заказ860 руб.
8 706200196

R.H. нижний Рычаг (R.H. Lower Arm)

под заказ13020 руб.
8 706200159

(последний код) R.H. нижний Рычаг (R.H. Lower Arm)

под заказ10190 руб.
706200200

LH нижний Рычаг (LH Lower Arm)

под заказ13020 руб.
706200161

(последний код) LH нижний Рычаг (LH Lower Arm)

под заказ10190 руб.
9 408200700

Смазочный фиттинг (Grease Fitting)

под заказ320 руб.
10 706200140

Front Shock (Front Shock)

под заказ6300 руб.
11 706200006

Front Пружина (Front Spring)

под заказ3150 руб.
12 706000028

Кольцо Держатель (Ring Holder)

под заказпо запросу
12 706000335

(последний код) Кольцо Держатель (Ring Holder)

под заказпо запросу
13 503140600

Пружина Стопор (Spring Stopper)

под заказ680 руб.
13 706200881

(последний код) Пружина Стопор (Spring Stopper)

под заказ860 руб.
14 706000007

Пружина Седло (Spring Seat)

под заказ900 руб.
14 706000197

(последний код) Пружина Седло (Spring Seat)

под заказ1150 руб.
15 503139800

Защита (Protector)

под заказ730 руб.
16 207604544

Hex. Фланецd Винт M10 x 45 (Hex. Flanged Screw M10 x 45)

под заказ290 руб.
17 233201414

Elastic Фланецd Stop Гайка M10 (Elastic Flanged Stop Nut M10)

под заказ280 руб.
17 228701045

(последний код) Elastic Фланецd Stop Гайка M10 (Elastic Flanged Stop Nut M10)

под заказ220 руб.
18 706200179

R.H. Рычаг Защита (R.H. Arm Protector)

под заказ860 руб.
18 706200007

(последний код) R.H. Рычаг Защита (R.H. Arm Protector)

под заказ680 руб.
706200180

LH Рычаг Защита (LH Arm Protector)

под заказ860 руб.
706200009

(последний код) LH Рычаг Защита (LH Arm Protector)

под заказ680 руб.
19 207661644

Hex. Фланецd Винт M6 x 16 (Hex. Flanged Screw M6 x 16)

под заказ280 руб.
20 233261414

Elastic Фланецd Stop Гайка M6 (Elastic Flanged Stop Nut M6)

под заказ290 руб.
20 M33200

(последний код)

под заказпо запросу
21 706200186

Interior Втулка (Interior Bushing)

под заказ460 руб.
22 232221414

Hex. Castellated Гайка M12 (Hex. Castellated Nut M12)

под заказ290 руб.
23 211400017

Шплинт (Cotter Pin)

под заказ130 руб.
24 503175400

Hardened Шайба (Hardened Washer)

под заказ240 руб.
25 709400095

RH. Knuckle (RH. Knuckle)

под заказ16330 руб.
709400097

LH. Knuckle (LH. Knuckle)

под заказ16330 руб.
26 706200185

Подушка (Cushion)

под заказ180 руб.
brp atv

Время выполнения запроса 0.99519085884094 сек.


 
 

данный сайт носит информационный характер и не является публичной офертой

склад запчастей для водомоторной техники