вконтакте

Контактный телефон: +7 (981) 121-46-93, +7 (800) 200-90-76 , Email: parts-katalog@yandex.ru, где купить

 
 

  Логин:

Пароль:

Регистрация

www.partskatalog.ru Все каталоги Запчасти Mercury Запчасти Suzuki Запчасти Tohatsu Запчасти Honda Контакты



УВАЖАЕМЫЕ КЛИЕНТЫ!
C 19 ДЕКАБРЯ 2025 ПО 02 МАРТА 2026 ГОДА ОТДЕЛ ЗАПЧАСТЕЙ И СЕРВИС РАБОТАТЬ НЕ БУДУТ
ПРОДАЖА ЛОДОЧНЫХ МОТОРОВ В ШТАТНОМ РЕЖИМЕ
ОБ ИЗМЕНЕНИЯХ В ГРАФИКЕ РАБОТЫ ЧИТАЙТЕ НА САЙТА




Выбрать другую модель

назад Раздел:   вперёд

вернуться к списку узлов и деталей

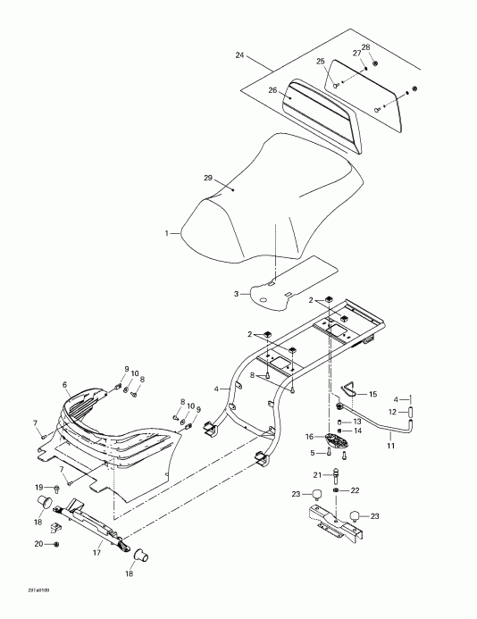
ДЕТАЛИРОВКА ДЛЯ МОДЕЛИ: BRP ATV Traxter XL, 7448, 2001

Раздел: Седло | Seat


Мотовездеход BRP Traxter XL, 7448, 2001 раздел - Седло

Номер на
рисунке
АртикулНаименованиеКол-во
на складе
Цена
1 708000061

Седло-в сборе. Includes 1 - 2. (7448 выше to S / N v000708) (Seat-Assy. Includes 1 - 2. (7448 Up to S/N v000708))

под заказпо запросу
708000099

Седло-в сборе. (7489) (7448 From S / N v000709) (Seat-Assy. (7489) (7448 From S/N v000709))

под заказпо запросу
2 708000046

Корпус-Гайка Ass (Housing-Nut Ass)

под заказ720 руб.
3 708000029

Sheet-Reflect (Sheet-Reflect)

под заказ1140 руб.
3 708000160

(последний код) Sheet-Reflect (Sheet-Reflect)

под заказ1460 руб.
4 708000069

Sвышеport-Седло (чёрный) (Support-Seat (Black))

под заказ18230 руб.
5 207662544

Винт-Hex.Фланец M6 x 25 (Screw-Hex.Flange M6 x 25)

под заказ290 руб.
5 420940568

(последний код) Винт-Hex.Фланец M6 x 25 (Screw-Hex.Flange M6 x 25)

под заказ230 руб.
6 705000187

Крышка-Двигатель (Cover-Engine)

под заказ12010 руб.
6 708000276

(последний код) Крышка-Двигатель (Cover-Engine)

под заказ15350 руб.
7 210261080

Винт-дляming Hex. M6 x 10 (Screw-Forming Hex. M6 x 10)

под заказ250 руб.
8 207661644

Винт-Hex.Фланец M6 x 16 (Screw-Hex.Flange M6 x 16)

под заказ280 руб.
9 708000042

Корпус-Гайка (Housing-Nut)

под заказ1060 руб.
10 224061201

Шайба-плоский (Washer-Flat)

под заказ290 руб.
10 224061200

(последний код) Шайба-плоский (Washer-Flat)

под заказ230 руб.
11 708000074

Рычаг-чёрный (Lever-Black)

под заказ2740 руб.
12 708000087

Колпачок-Vinyl (Cap-Vinyl)

под заказ550 руб.
13 708000084

Гильза (Sleeve)

под заказ680 руб.
13 293900078

(последний код) Гильза (Sleeve)

под заказ840 руб.
14 233261414

Гайка-Фланец Elastic M6 (Nut-Flange Elastic M6)

под заказ290 руб.
14 M33200

(последний код)

под заказпо запросу
15 708000073

Пружина (Spring)

под заказ1250 руб.
16 708000034

Основание-Latch (Base-Latch)

под заказ1860 руб.
17 708000044

Стержень-Седло (чёрный) (Pivot-Seat (Black))

под заказ6430 руб.
17 708000021

(последний код) Стержень-Седло (чёрный) (Pivot-Seat (Black))

под заказ5030 руб.
18 708000019

Втулка-Седло (Bushing-Seat)

под заказ920 руб.
19 207682044

Винт-Hex.Фланец M8 x 20 (Screw-Hex.Flange M8 x 20)

под заказ290 руб.
19 732601285

(последний код) Винт-Hex.Фланец M8 x 20 (Screw-Hex.Flange M8 x 20)

под заказ230 руб.
20 233281414

Гайка-Фланец Elastic M8 (Nut-Flange Elastic M8)

под заказ290 руб.
20 M33201

(последний код)

под заказпо запросу
21 291000689

Шпилька-Latch (Stud-Latch)

под заказ3330 руб.
21 291000493

(последний код) Шпилька-Latch (Stud-Latch)

под заказ2470 руб.
22 232100600

Гайка-Jam Hexagonal M10 (Nut-Jam Hexagonal M10)

под заказ290 руб.
22 218300600

(последний код) Гайка-Jam Hexagonal M10 (Nut-Jam Hexagonal M10)

под заказ230 руб.
23 708000006

Стопор-Rubber (Stopper-Rubber)

под заказ790 руб.
24 708000079

Backrest-в сборе. Includes 24 - 27. (Backrest-Assy. Includes 24 - 27.)

под заказ12700 руб.
25 207763060

Болт-Carriage M6 x 30 (Bolt-Carriage M6 x 30)

под заказ490 руб.
26 708000078

Крышка-Backrest (Cover-Backrest)

под заказ9930 руб.
26 708000079

(последний код) Крышка-Backrest (Cover-Backrest)

под заказ12700 руб.
27 250100020

Гайка-Locking (Nut-Locking)

под заказ250 руб.
28 233261414

Гайка-Фланец Elastic M6 (Nut-Flange Elastic M6)

под заказ290 руб.
28 M33200

(последний код)

под заказпо запросу
29 708000066

Крышка Седло (Cover Seat)

под заказ11170 руб.
brp atv

Время выполнения запроса 2.4086670875549 сек.


 
 

данный сайт носит информационный характер и не является публичной офертой

склад запчастей для водомоторной техники