| |
Выбрать другую модель
вернуться к списку узлов и деталей ДЕТАЛИРОВКА ДЛЯ МОДЕЛИ: BRP ATV Traxter Footshift, Green/vert, 2001
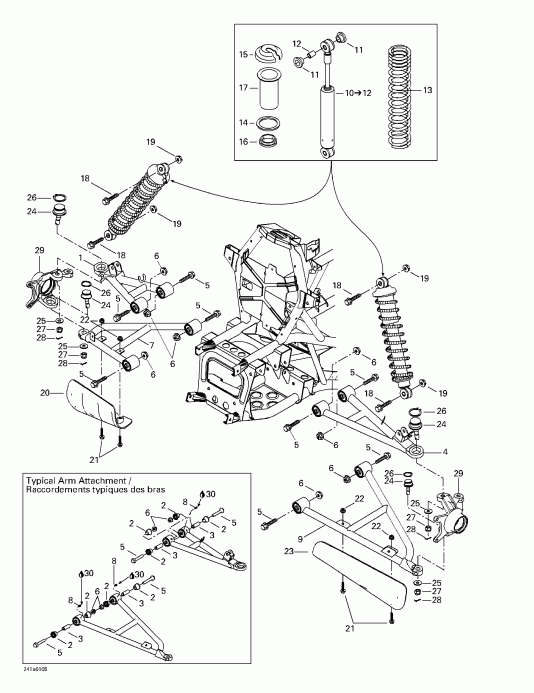
Раздел: Передняя подвеска | Front Suspension
Номер на рисунке | Артикул | Наименование | Кол-во на складе | Цена |
| 1 | 706200152 | R.H. верхний Рычаг (7439, 7440, 7441, 7442) (R.H. Upper Arm (7439,7440,7441,7442)) | под заказ | 9920 руб. | |
| 1 | 706200187 | (последний код) R.H. верхний Рычаг (7439, 7440, 7441, 7442) (R.H. Upper Arm (7439,7440,7441,7442)) | под заказ | 12690 руб. | |
| | 706200187 | R.H. верхний Рычаг (7473, 7474) (R.H. Upper Arm (7473,7474)) | под заказ | 12690 руб. | |
| | 706200152 | (последний код) R.H. верхний Рычаг (7473, 7474) (R.H. Upper Arm (7473,7474)) | под заказ | 9920 руб. | |
| 2 | 706200181 | Подушка (Cushion) | под заказ | 170 руб. | |
| 2 | 706200157 | (последний код) Подушка (Cushion) | под заказ | 130 руб. | |
| 3 | 706200182 | Inner Втулка (Inner Bushing) | под заказ | 560 руб. | |
| 3 | 706200678 | (последний код) Inner Втулка (Inner Bushing) | под заказ | 610 руб. | |
| 4 | 706200155 | L.H. верхний Рычаг (7439, 7440, 7441, 7442) (L.H. Upper Arm (7439,7440,7441,7442)) | под заказ | 18420 руб. | |
| | 706200193 | L.H. верхний Рычаг (7473, 7474) (L.H. Upper Arm (7473,7474)) | под заказ | 14100 руб. | |
| 5 | 207607046 | Hex. Фланецd Винт M10 x 70 (Hex. Flanged Screw M10 x 70) | под заказ | 290 руб. | |
| 6 | 233201416 | Elastic Фланецd Stop Гайка M10 (Elastic Flanged Stop Nut M10) | под заказ | 720 руб. | |
| 6 | 233201436 | (последний код) Elastic Фланецd Stop Гайка M10 (Elastic Flanged Stop Nut M10) | под заказ | 860 руб. | |
| 7 | 706200159 | R.H. нижний Рычаг (7439, 7440, 7441, 7442) (R.H. Lower Arm (7439,7440,7441,7442)) | под заказ | 10190 руб. | |
| 7 | 706200196 | (последний код) R.H. нижний Рычаг (7439, 7440, 7441, 7442) (R.H. Lower Arm (7439,7440,7441,7442)) | под заказ | 13020 руб. | |
| | 706200196 | R.H. нижний Рычаг (7473, 7474) (R.H. Lower Arm (7473,7474)) | под заказ | 13020 руб. | |
| | 706200159 | (последний код) R.H. нижний Рычаг (7473, 7474) (R.H. Lower Arm (7473,7474)) | под заказ | 10190 руб. | |
| 8 | 408200700 | Смазочный фиттинг (Grease Fitting) | под заказ | 320 руб. | |
| 9 | 706200161 | L.H. нижний Рычаг (7439, 7440, 7441, 7442) (L.H. Lower Arm (7439,7440,7441,7442)) | под заказ | 10190 руб. | |
| 9 | 706200200 | (последний код) L.H. нижний Рычаг (7439, 7440, 7441, 7442) (L.H. Lower Arm (7439,7440,7441,7442)) | под заказ | 13020 руб. | |
| | 706200200 | L.H. нижний Рычаг (7473, 7474) (L.H. Lower Arm (7473,7474)) | под заказ | 13020 руб. | |
| | 706200161 | (последний код) L.H. нижний Рычаг (7473, 7474) (L.H. Lower Arm (7473,7474)) | под заказ | 10190 руб. | |
| 10 | 706200137 | Front Shock. Includes 10 - 12. (Front Shock. Includes 10 - 12.) | под заказ | 6610 руб. | |
| 10 | 706200005 | (последний код) Front Shock. Includes 10 - 12. (Front Shock. Includes 10 - 12.) | под заказ | 5170 руб. | |
| 11 | 706200185 | Подушка (Cushion) | под заказ | 180 руб. | |
| 12 | 706200186 | Втулка (Bushing) | под заказ | 460 руб. | |
| 13 | 706200006 | Front Пружина (Front Spring) | под заказ | 3150 руб. | |
| 14 | 706000028 | Кольцо Держатель (Ring Holder) | под заказ | по запросу | |
| 14 | 706000335 | (последний код) Кольцо Держатель (Ring Holder) | под заказ | по запросу | |
| 15 | 503140600 | Пружина Стопор (Spring Stopper) | под заказ | 680 руб. | |
| 15 | 706200881 | (последний код) Пружина Стопор (Spring Stopper) | под заказ | 860 руб. | |
| 16 | 706000007 | Пружина Седло (Spring Seat) | под заказ | 900 руб. | |
| 16 | 706000197 | (последний код) Пружина Седло (Spring Seat) | под заказ | 1150 руб. | |
| 17 | 503139800 | Защита (Protector) | под заказ | 730 руб. | |
| 18 | 207604544 | Hex. Фланецd Винт M10 x 45 (Hex. Flanged Screw M10 x 45) | под заказ | 290 руб. | |
| 19 | 233201414 | Elastic Фланецd Stop Гайка M10 (Elastic Flanged Stop Nut M10) | под заказ | 280 руб. | |
| 19 | 228701045 | (последний код) Elastic Фланецd Stop Гайка M10 (Elastic Flanged Stop Nut M10) | под заказ | 220 руб. | |
| 20 | 706200007 | Рычаг Защита R.H. (7439, 7440, 7441, 7442) (Arm Protector R.H. (7439,7440,7441,7442)) | под заказ | 680 руб. | |
| 20 | 706200179 | (последний код) Рычаг Защита R.H. (7439, 7440, 7441, 7442) (Arm Protector R.H. (7439,7440,7441,7442)) | под заказ | 860 руб. | |
| | 706200179 | Рычаг Защита R.H. (7473, 7474) (Arm Protector R.H. (7473,7474)) | под заказ | 860 руб. | |
| | 706200007 | (последний код) Рычаг Защита R.H. (7473, 7474) (Arm Protector R.H. (7473,7474)) | под заказ | 680 руб. | |
| 21 | 207661644 | Hex. Фланецd Винт M6 x 16 (Hex. Flanged Screw M6 x 16) | под заказ | 280 руб. | |
| 22 | 233261414 | Elastic Фланецd Stop Гайка M6 (Elastic Flanged Stop Nut M6) | под заказ | 290 руб. | |
| 22 | M33200 | (последний код) | под заказ | по запросу | |
| 23 | 706200009 | Рычаг Защита L.H. (7439, 7440, 7441, 7442) (Arm Protector L.H. (7439,7440,7441,7442)) | под заказ | 680 руб. | |
| 23 | 706200180 | (последний код) Рычаг Защита L.H. (7439, 7440, 7441, 7442) (Arm Protector L.H. (7439,7440,7441,7442)) | под заказ | 860 руб. | |
| | 706200180 | Рычаг Защита L.H. (7473, 7474) (Arm Protector L.H. (7473,7474)) | под заказ | 860 руб. | |
| | 706200009 | (последний код) Рычаг Защита L.H. (7473, 7474) (Arm Protector L.H. (7473,7474)) | под заказ | 680 руб. | |
| 24 | 706200091 | Шаровое соединение (Ball Joint) | под заказ | 2700 руб. | |
| 24 | 706200653 | (последний код) Шаровое соединение (Ball Joint) | под заказ | 3790 руб. | |
| 24 | AT-08810 | (не оригинальный аналог) Шаровая опора BRP AT-08810 | под заказ | 2040 руб. |
| 25 | 503175400 | Hardened Шайба (Hardened Washer) | под заказ | 240 руб. | |
| 26 | 293370009 | Стопорное кольцо (Circlip) | под заказ | 90 руб. | |
| 27 | 232221414 | Hex. Castellated Гайка M12 (Hex. Castellated Nut M12) | под заказ | 290 руб. | |
| 28 | 211400017 | Шплинт (Cotter Pin) | под заказ | 130 руб. | |
| 29 | 703500063 | Knuckle Kit RH (7439, 7440, 7441, 7442) (Knuckle Kit RH (7439,7440,7441,7442)) | под заказ | по запросу | |
| | 709400095 | Knuckle Kit RH (7473, 7474) (Knuckle Kit RH (7473,7474)) | под заказ | 16330 руб. | |
| | 703500064 | Knuckle Kit LH (7439, 7440, 7441, 7442) (Knuckle Kit LH (7439,7440,7441,7442)) | под заказ | по запросу | |
| | 709400097 | Knuckle Kit LH (7473, 7474) (Knuckle Kit LH (7473,7474)) | под заказ | 16330 руб. | |
| 30 | 293550010 | Synthetic Смазка, 400 g (Synthetic Grease, 400 g) | под заказ | 2490 руб. | |
| 30 | 293550018 | (последний код) Synthetic Смазка, 400 g (Synthetic Grease, 400 g) | под заказ | 1950 руб. | |

Время выполнения запроса 2.5902328491211 сек.
|
|