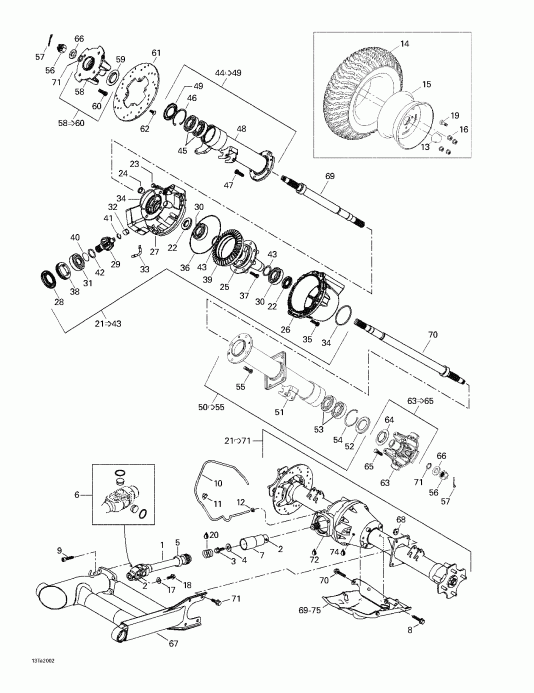
Номер на рисунке | Артикул | Наименование | Кол-во на складе | Цена |
| 1 | 703500007 | Rear Вал гребного винта в сборе (Rear Propeller Shaft Assy) | под заказ | по запросу | |
| 2 | 705400036 | Wear Кольцо (Wear Ring) | под заказ | 1460 руб. | |
| 3 | 705400034 | Фиксатор Винт (Retainer Screw) | под заказ | 230 руб. | |
| 3 | 250000060 | (последний код) Фиксатор Винт (Retainer Screw) | под заказ | 290 руб. | |
| 4 | 705400033 | Rondelle (Rondelle) | под заказ | 680 руб. | |
| 4 | 250200014 | (последний код) Rondelle (Rondelle) | под заказ | 860 руб. | |
| 5 | 705500097 | Сальникing Кольцо (Sealing Ring) | под заказ | 1280 руб. | |
| 6 | 703500002 | Universal Соединитель Прокладка Kit (Universal Joint Packing Kit) | под заказ | по запросу | |
| 6 | 703000024 | (последний код) Universal Соединитель Прокладка Kit (Universal Joint Packing Kit) | под заказ | 5750 руб. | |
| 6 | AT-08532 | (не оригинальный аналог) Крестовина карданного вала BRP AT-08532 | под заказ | 2270 руб. |
| 7 | XXX | Coвышеler (Coupler) | | | |
| 8 | 207581046 | Фланецd Шестигранный винт M8 x 10 (S. Рукоятка) (Flanged Hex. Screw M8 x 10 (S. Grip)) | под заказ | 290 руб. | |
| 9 | 205502544 | Socket Винт M10 x 25 (S.Рукоятка) (Socket Screw M10 x 25 (S.Grip)) | под заказ | 280 руб. | |
| 10 | 415110000 | Polyurethane Шланг 5.2 mm (Polyurethane Hose 5.2 mm) | под заказ | 280 руб. | |
| 10 | 709000017 | (последний код) Polyurethane Шланг 5.2 mm (Polyurethane Hose 5.2 mm) | под заказ | 220 руб. | |
| 11 | 414227300 | Зажим (Clip) | под заказ | 290 руб. | |
| 11 | 414943400 | (последний код) Зажим (Clip) | под заказ | 230 руб. | |
| 12 | 414554800 | Пружина Струбцина (Spring Clamp) | под заказ | 140 руб. | |
| 12 | 414278600 | (последний код) Пружина Струбцина (Spring Clamp) | под заказ | 110 руб. | |
| 13 | 705400012 | Wheel Колпачок (Wheel Cap) | под заказ | 760 руб. | |
| 14 | 705500004 | Rear Tire (Rear Tire) | под заказ | 5510 руб. | |
| 14 | 705500314 | (последний код) Rear Tire (Rear Tire) | под заказ | 7040 руб. | |
| 15 | 705500005 | Rear Rim (Rear Rim) | под заказ | 5170 руб. | |
| 15 | 705500555 | (последний код) Rear Rim (Rear Rim) | под заказ | 6610 руб. | |
| 16 | 705400013 | Hex. Гайка M10 (Hex. Nut M10) | под заказ | 610 руб. | |
| 17 | 211200041 | Шайба (Washer) | под заказ | 290 руб. | |
| 18 | 207581646 | Фланецd Винт M8 x 16 (Scotch Рукоятка) (Flanged Screw M8 x 16 (Scotch Grip)) | под заказ | 290 руб. | |
| 19 | 705400053 | Клапан, Rim (Valve, Rim) | под заказ | по запросу | |
| 20 | 293550019 | Смазка (Texaco), 300 ml (Grease (Texaco), 300 ml) | под заказ | по запросу | |
| 21 | 705500003 | Rigid Axle в сборе. Includes 21 - 47. (Rigid Axle Assy. Includes 21 - 47.) | под заказ | 191800 руб. | |
| 21 | 705500157 | (последний код) Rigid Axle в сборе. Includes 21 - 47. (Rigid Axle Assy. Includes 21 - 47.) | под заказ | 244200 руб. | |
| 21 | 703500033 | Differential (Central) Includes 21 - 43. (Differential (Central). Includes 21 - 43.) | под заказ | по запросу | |
| 22 | 705500081 | Сальник Oil (Seal Oil) | под заказ | 1800 руб. | |
| 22 | 705500255 | (последний код) Сальник Oil (Seal Oil) | под заказ | 1950 руб. | |
| 22 | AT-03588 | (не оригинальный аналог) Комплект сальников редуктора BRP AT-03588 | под заказ | 1130 руб. |
| 23 | 705500092 | Level / Filler Заглушка (Level/Filler Plug) | под заказ | 640 руб. | |
| 23 | 705500143 | (последний код) Level / Filler Заглушка (Level/Filler Plug) | под заказ | 820 руб. | |
| 24 | 705500093 | Drain Заглушка (Drain Plug) | под заказ | по запросу | |
| 25 | 705500011 | Золотник Propul (Spool Propul) | под заказ | 13200 руб. | |
| 25 | 705500159 | (последний код) Золотник Propul (Spool Propul) | под заказ | 16880 руб. | |
| 26 | 705500013 | Differential Колпачок (Differential Cap) | под заказ | 33200 руб. | |
| 27 | 705500014 | Differential Carrier (Differential Carrier) | под заказ | 24700 руб. | |
| 28 | 705400027 | Сальник-Oil (Seal-Oil) | под заказ | 1950 руб. | |
| 28 | 705401481 | (последний код) Сальник-Oil (Seal-Oil) | под заказ | 2300 руб. | |
| 28 | AT-03590 | (не оригинальный аналог) Комплект сальников редуктора BRP AT-03590 | под заказ | 1180 руб. |
| 29 | 705500076 | Шестерня-10 Theeth (Gear-10 Theeth) | под заказ | 21500 руб. | |
| 30 | 705500080 | Шариковый подшипник (Bearing-Ball) | под заказ | 3480 руб. | |
| 30 | 705500259 | (последний код) Шариковый подшипник (Bearing-Ball) | под заказ | 3790 руб. | |
| 30 | AT-03A28 | (не оригинальный аналог) Ремкомплект редуктора BRP AT-03A28 | под заказ | 7260 руб. |
| 31 | 705500074 | Шариковый подшипник (Bearing-Ball) | под заказ | 6650 руб. | |
| 32 | 705500077 | Подшипник-иголка (Bearing-Needle) | под заказ | 1410 руб. | |
| 33 | 705500124 | Клапан-Vent (Valve-Vent) | под заказ | 1230 руб. | |
| 34 | 705500078 | Кольцо-O (Ring-O) | под заказ | 1000 руб. | |
| 35 | 705500088 | Винт (Screw) | под заказ | 1000 руб. | |
| 36 | 705500091 | Сальник (Seal) | под заказ | 1440 руб. | |
| 37 | 705500090 | Винт-Кольцо Шестерня (Screw-Ring Gear) | под заказ | 1000 руб. | |
| 38 | 705500072 | Гайка (Nut) | под заказ | по запросу | |
| 39 | 705500087 | Шестерня-36 Theeth (Gear-36 Theeth) | под заказ | 20200 руб. | |
| 39 | 705400192 | (последний код) Шестерня-36 Theeth (Gear-36 Theeth) | под заказ | 25800 руб. | |
| 40 | 705500073 | Кольцо-O (Ring-O) | под заказ | 530 руб. | |
| 41 | 705500102 | Кольцо-Retaining (Ring-Retaining) | под заказ | 550 руб. | |
| 42 | 705500075 | Регулировочная шайба Шестерня Шестерня (Shim Pinion Gear) | под заказ | 930 руб. | |
| | 703350049 | Шестерня Регулировочная шайба Kit (NotShown) (Pinion Shim Kit (NotShown)) | под заказ | по запросу | |
| 43 | 705500079 | Регулировочная шайба Differential (Shim Differential) | под заказ | 8400 руб. | |
| 43 | 703500050 | (последний код) Регулировочная шайба Differential (Shim Differential) | под заказ | 5870 руб. | |
| | 703350050 | Differential Регулировочная шайба Kit (Not Shown) (Differential Shim Kit (Not Shown)) | под заказ | по запросу | |
| 44 | 703500034 | R.H. Трубка Kit. Includes 44 - 49. (R.H. Tube Kit. Includes 44 - 49.) | под заказ | по запросу | |
| 45 | 705500084 | Шариковый подшипник (Ball Bearing) | под заказ | 4720 руб. | |
| 45 | 705500251 | (последний код) Шариковый подшипник (Ball Bearing) | под заказ | 2380 руб. | |
| 46 | 705500085 | Стопорное кольцо (Retaining Ring) | под заказ | 1420 руб. | |
| 47 | 705500086 | Винт, Axle Трубка (Screw, Axle Tube) | под заказ | 630 руб. | |
| 47 | 250000085 | (последний код) Винт, Axle Трубка (Screw, Axle Tube) | под заказ | 800 руб. | |
| 48 | 705500082 | Axle Трубка R.H (Axle Tube R.H) | под заказ | по запросу | |
| 49 | 705500099 | Сальник (Oil Seal) | под заказ | 1960 руб. | |
| 49 | 705500015 | (последний код) Сальник (Oil Seal) | под заказ | 1460 руб. | |
| 50 | 703500035 | LH Трубка Kit (LH Tube Kit) | под заказ | по запросу | |
| 51 | 705500089 | Axle Трубка L.H (Axle Tube L.H) | под заказ | 42000 руб. | |
| 51 | 705500209 | (последний код) Axle Трубка L.H (Axle Tube L.H) | под заказ | 53700 руб. | |
| 52 | 705500099 | Сальник (Oil Seal) | под заказ | 1960 руб. | |
| 52 | 705500015 | (последний код) Сальник (Oil Seal) | под заказ | 1460 руб. | |
| 53 | 705500084 | Шариковый подшипник (Ball Bearing) | под заказ | 4720 руб. | |
| 53 | 705500251 | (последний код) Шариковый подшипник (Ball Bearing) | под заказ | 2380 руб. | |
| 54 | 705500085 | Стопорное кольцо (Retaining Ring) | под заказ | 1420 руб. | |
| 55 | 705500086 | Винт, Axle Трубка (Screw, Axle Tube) | под заказ | 630 руб. | |
| 55 | 250000085 | (последний код) Винт, Axle Трубка (Screw, Axle Tube) | под заказ | 800 руб. | |
| 56 | 232291413 | Hex. Castle Гайка M18 (Hex. Castle Nut M18) | под заказ | 750 руб. | |
| 56 | 250100047 | (последний код) Hex. Castle Гайка M18 (Hex. Castle Nut M18) | под заказ | 740 руб. | |
| 57 | 211400012 | Шплинт (Cotter Pin) | под заказ | 190 руб. | |
| 57 | 250400036 | (последний код) Шплинт (Cotter Pin) | под заказ | 290 руб. | |
| 58 | 705500006 | Rear Wheel Hub R.H (Rear Wheel Hub R.H) | под заказ | 34600 руб. | |
| 58 | 705500016 | (последний код) Rear Wheel Hub R.H (Rear Wheel Hub R.H) | под заказ | 27000 руб. | |
| 59 | 705500100 | Wear Гильза (Wear Sleeve) | под заказ | 1580 руб. | |
| 60 | 211300020 | Шпилька Wheel M10 x 30 (Stud Wheel M10 x 30) | под заказ | по запросу | |
| 60 | 250300045 | (последний код) Шпилька Wheel M10 x 30 (Stud Wheel M10 x 30) | под заказ | 290 руб. | |
| 61 | 705600033 | тормоз Disk 220 mm (Rear) (Brake Disk 220 mm (Rear)) | под заказ | 6550 руб. | |
| 61 | 705600170 | (последний код) тормоз Disk 220 mm (Rear) (Brake Disk 220 mm (Rear)) | под заказ | 8370 руб. | |
| 62 | 235381646 | Torque Винт M8 x 16 (Torque Screw M8 x 16) | под заказ | 290 руб. | |
| 62 | 250000025 | (последний код) Torque Винт M8 x 16 (Torque Screw M8 x 16) | под заказ | 230 руб. | |
| 63 | 705500006 | Rear Wheel Hub L.H. Includes 63 - 65. (Rear Wheel Hub L.H. Includes 63 - 65.) | под заказ | 34600 руб. | |
| 63 | 705500016 | (последний код) Rear Wheel Hub L.H. Includes 63 - 65. (Rear Wheel Hub L.H. Includes 63 - 65.) | под заказ | 27000 руб. | |
| 64 | 705500100 | Wear Гильза (Wear Sleeve) | под заказ | 1580 руб. | |
| 65 | 211300020 | Шпилька Wheel M10 x 30 (Stud Wheel M10 x 30) | под заказ | по запросу | |
| 65 | 250300045 | (последний код) Шпилька Wheel M10 x 30 (Stud Wheel M10 x 30) | под заказ | 290 руб. | |
| 66 | 211200049 | Шайба (Washer) | под заказ | 680 руб. | |
| 66 | 250200019 | (последний код) Шайба (Washer) | под заказ | 860 руб. | |
| 67 | 703500023 | Swing Рычаг Kit (See C8) (Swing Arm Kit (See C8)) | под заказ | по запросу | |
| 68 | 233201414 | Фланецd Elastic Гайка M10 (Flanged Elastic Nut M10) | под заказ | 280 руб. | |
| 68 | 228701045 | (последний код) Фланецd Elastic Гайка M10 (Flanged Elastic Nut M10) | под заказ | 220 руб. | |
| 69 | 705500049 | Axle в сборе R.H (Axle Assy R.H) | под заказ | 38300 руб. | |
| 70 | 705500050 | Axle в сборе L.H (Axle Assy L.H) | под заказ | 38500 руб. | |
| 71 | 293300052 | Уплотнительное кольцо (O-Ring) | под заказ | 310 руб. | |
| 71 | 705500271 | (последний код) Уплотнительное кольцо (O-Ring) | под заказ | 420 руб. | |
| 72 | 293800053 | Сальникant правый Stuff 26015, 7 oz (Sealant Right Stuff 26015, 7 oz) | под заказ | по запросу | |
| 73 | 207602544 | Фланецd Шестигранный винт M10 x 25 (Flanged Hex. Screw M10 x 25) | под заказ | 290 руб. | |
| 74 | 293600011 | Помпа Oil 75W90 (12 x 6 oz) (Pump Oil 75W90 (12 x 6 oz)) | под заказ | 1390 руб. | |
| 74 | 619590095 | (последний код) Помпа Oil 75W90 (12 x 6 oz) (Pump Oil 75W90 (12 x 6 oz)) | под заказ | 1650 руб. | |
| 75 | 705000019 | Защита Rear Differential (Protector Rear Differential) | под заказ | 13260 руб. | |
| 76 | 715500143 | Колпачок Oil Level (Cap Oil Level) | под заказ | по запросу | |