вконтакте

Контактный телефон: +7 (981) 121-46-93, +7 (800) 200-90-76 , Email: parts-katalog@yandex.ru, где купить

 
 

  Логин:

Пароль:

Регистрация

www.partskatalog.ru Все каталоги Запчасти Mercury Запчасти Suzuki Запчасти Tohatsu Запчасти Honda Контакты



УВАЖАЕМЫЕ КЛИЕНТЫ!
C 19 ДЕКАБРЯ 2025 ПО 02 МАРТА 2026 ГОДА ОТДЕЛ ЗАПЧАСТЕЙ И СЕРВИС РАБОТАТЬ НЕ БУДУТ
ПРОДАЖА ЛОДОЧНЫХ МОТОРОВ В ШТАТНОМ РЕЖИМЕ
ОБ ИЗМЕНЕНИЯХ В ГРАФИКЕ РАБОТЫ ЧИТАЙТЕ НА САЙТА




Выбрать другую модель

назад Раздел:   вперёд

вернуться к списку узлов и деталей

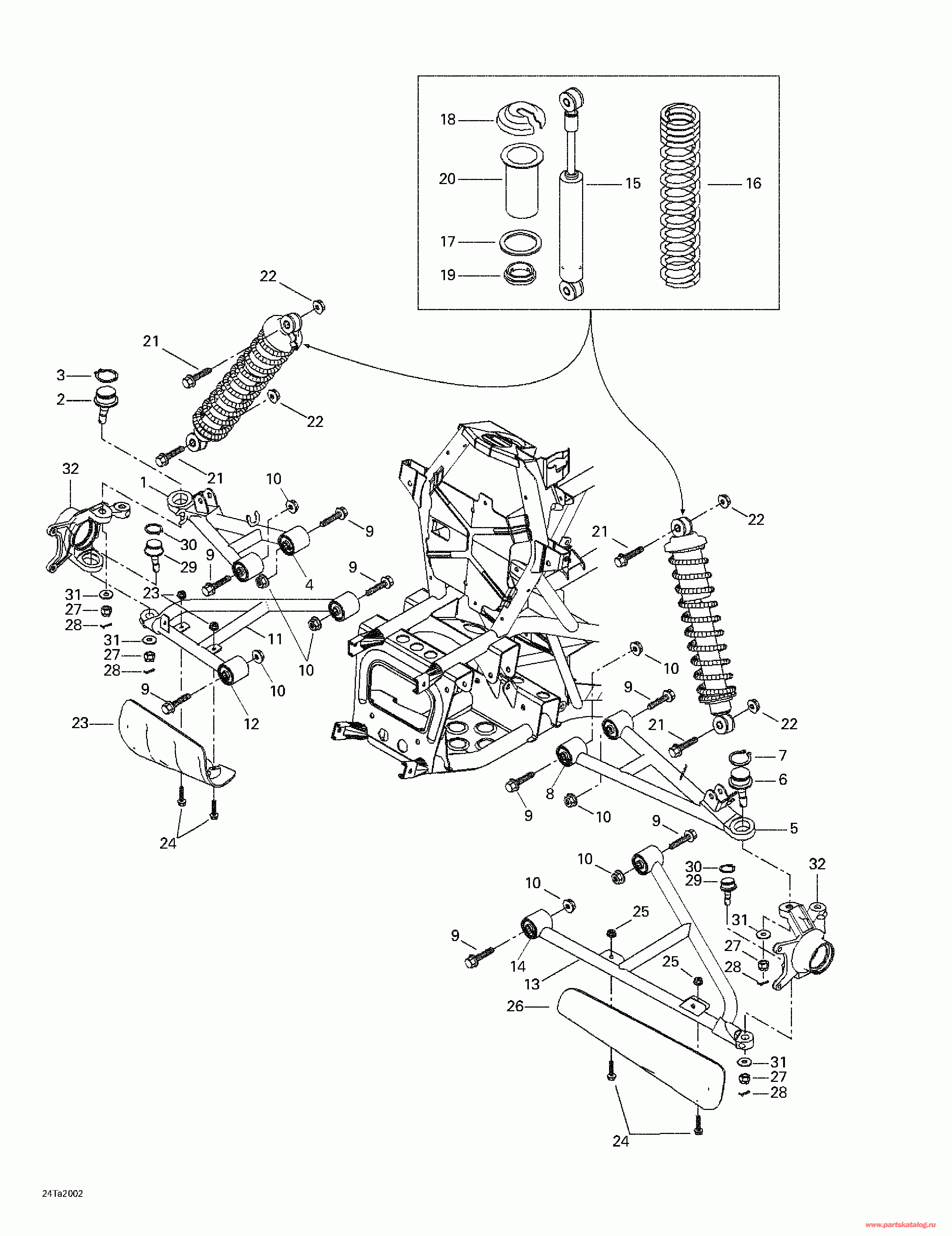
ДЕТАЛИРОВКА ДЛЯ МОДЕЛИ: BRP ATV Traxter, 7405/7406, 2000

Раздел: Передняя подвеска | Front Suspension


Квадроцикл  Traxter, 7405/7406, 2000 раздел - Front Suspension

Номер на
рисунке
АртикулНаименованиеКол-во
на складе
Цена
1 703500042

R.H. верхний Рычаг (R.H. Upper Arm)

под заказ22000 руб.
2 706200024

Шаровое соединение (Ball Joint)

под заказ2700 руб.
2 706200653

(последний код) Шаровое соединение (Ball Joint)

под заказ3790 руб.
2 AT-08810

   (не оригинальный аналог) Шаровая опора BRP AT-08810

под заказ2040 руб.
3 293370009

Стопорное кольцо (Circlip)

под заказ90 руб.
4 706200025

Подушка (Cushion)

под заказ9370 руб.
5 703500043

LH верхний Рычаг. Includes 5 - 8. (LH Upper Arm. Includes 5 - 8.)

под заказпо запросу
6 706200024

Шаровое соединение (Ball Joint)

под заказ2700 руб.
6 706200653

(последний код) Шаровое соединение (Ball Joint)

под заказ3790 руб.
6 AT-08810

   (не оригинальный аналог) Шаровая опора BRP AT-08810

под заказ2040 руб.
7 293370009

Стопорное кольцо (Circlip)

под заказ90 руб.
8 706200025

Подушка (Cushion)

под заказ9370 руб.
9 207607046

Hex. Фланецd Винт M10 x 70 (Hex. Flanged Screw M10 x 70)

под заказ290 руб.
10 233201416

Elastic Фланецd Stop Гайка M10 (Elastic Flanged Stop Nut M10)

под заказ720 руб.
10 233201436

(последний код) Elastic Фланецd Stop Гайка M10 (Elastic Flanged Stop Nut M10)

под заказ860 руб.
11 706200102

R.H. нижний Рычаг (R.H. Lower Arm)

под заказпо запросу
12 706200025

Подушка (Cushion)

под заказ9370 руб.
13 706200103

LH нижний Рычаг. Includes 13 - 14. (LH Lower Arm. Includes 13 - 14.)

под заказпо запросу
13 706200051

(последний код) LH нижний Рычаг. Includes 13 - 14. (LH Lower Arm. Includes 13 - 14.)

под заказпо запросу
13 AT-04348-2

   (не оригинальный аналог) Втулки передних рычагов BRP AT-04348-2

под заказ1880 руб.
14 706200025

Подушка (Cushion)

под заказ9370 руб.
15 706200005

Front Shock (Front Shock)

под заказ5170 руб.
15 706200137

(последний код) Front Shock (Front Shock)

под заказ6610 руб.
16 706200006

Front Пружина (Front Spring)

под заказ3150 руб.
17 706000028

Кольцо Держатель (Ring Holder)

под заказпо запросу
17 706000335

(последний код) Кольцо Держатель (Ring Holder)

под заказпо запросу
18 503140600

Пружина Стопор (Spring Stopper)

под заказ680 руб.
18 706200881

(последний код) Пружина Стопор (Spring Stopper)

под заказ860 руб.
19 706000007

Пружина Седло (Spring Seat)

под заказ900 руб.
19 706000197

(последний код) Пружина Седло (Spring Seat)

под заказ1150 руб.
20 503139800

Защита (Protector)

под заказ730 руб.
21 207604544

Hex. Фланецd Винт M10 x 45 (Hex. Flanged Screw M10 x 45)

под заказ290 руб.
22 233201414

Elastic Фланецd Stop Гайка M10 (Elastic Flanged Stop Nut M10)

под заказ280 руб.
22 228701045

(последний код) Elastic Фланецd Stop Гайка M10 (Elastic Flanged Stop Nut M10)

под заказ220 руб.
23 706200007

Рычаг Защита R.H (Arm Protector R.H)

под заказ680 руб.
23 706200179

(последний код) Рычаг Защита R.H (Arm Protector R.H)

под заказ860 руб.
24 207661644

Hex. Фланецd Винт M6 x 16 (Hex. Flanged Screw M6 x 16)

под заказ280 руб.
25 233261414

Elastic Фланецd Stop Гайка M6 (Elastic Flanged Stop Nut M6)

под заказ290 руб.
25 M33200

(последний код)

под заказпо запросу
26 706200009

Рычаг Защита L.H (Arm Protector L.H)

под заказ680 руб.
26 706200180

(последний код) Рычаг Защита L.H (Arm Protector L.H)

под заказ860 руб.
27 232221414

Hex. Castellated Гайка M12 (Hex. Castellated Nut M12)

под заказ290 руб.
28 211400017

Шплинт (Cotter Pin)

под заказ130 руб.
29 706200091

Шаровое соединение (Ball Joint)

под заказ2700 руб.
29 706200653

(последний код) Шаровое соединение (Ball Joint)

под заказ3790 руб.
29 AT-08810

   (не оригинальный аналог) Шаровая опора BRP AT-08810

под заказ2040 руб.
30 293370009

Стопорное кольцо (Circlip)

под заказ90 руб.
31 503175400

Hardened Шайба (Hardened Washer)

под заказ240 руб.
32 XXX

Knuckle RH (See B 11) (Knuckle RH (See B 11))

XXX

Knuckle LH (See B 11) (Knuckle LH (See B 11))

brp atv

Время выполнения запроса 2.8681511878967 сек.


 
 

данный сайт носит информационный характер и не является публичной офертой

склад запчастей для водомоторной техники