вконтакте

Контактный телефон: +7 (981) 121-46-93, +7 (800) 200-90-76 , Email: parts-katalog@yandex.ru, где купить

 
 

  Логин:

Пароль:

Регистрация

www.partskatalog.ru Все каталоги Запчасти Mercury Запчасти Suzuki Запчасти Tohatsu Запчасти Honda Контакты



УВАЖАЕМЫЕ КЛИЕНТЫ!
C 19 ДЕКАБРЯ 2025 ПО 02 МАРТА 2026 ГОДА ОТДЕЛ ЗАПЧАСТЕЙ И СЕРВИС РАБОТАТЬ НЕ БУДУТ
ПРОДАЖА ЛОДОЧНЫХ МОТОРОВ В ШТАТНОМ РЕЖИМЕ
ОБ ИЗМЕНЕНИЯХ В ГРАФИКЕ РАБОТЫ ЧИТАЙТЕ НА САЙТА




Вернуться к началу выбора


Мощность Вашего двигателя: 300 л.с.

Год выпуска: 2014 год

Тип двигателя: 1027

Модификация двигателя: Evinrude DE300PXABA

   Выберите раздел

найти расходники на лодочные моторы Evinrude


Выберите раздел

00_Запчасти в коробках, поставляемые с двигателем (00_in-box Parts Shipped With Engine)

00_Запчасти в коробках, поставляемые с двигателем (00_in-box Parts Shipped With Engine)

00_Литература (00_literature)

00_Литература (00_literature)

00_Краска (00_paint)

00_Краска (00_paint)

00_Чертежи профиля (00_profile Drawing)

00_Чертежи профиля (00_profile Drawing)

01-1_Наклейки (01-1_decals)

01-1_Наклейки (01-1_decals)

01-2_Крышка двигателя (капот) (01-2_engine Cover)

01-2_Крышка двигателя (капот) (01-2_engine Cover)

01-3_Нижняя крышка двигателя (01-3_lower Engine Cover)

01-3_Нижняя крышка двигателя (01-3_lower Engine Cover)

01-4_air Глушитель (01-4_air Silencer)

01-4_air Глушитель (01-4_air Silencer)

02-0_Электрика - жгут проводов (3.4 L) (02-0_electrical Harness (3.4 L))

02-0_Электрика - жгут проводов (3.4 L) (02-0_electrical Harness (3.4 L))

02-2_Электрика Кронштейн & Components (02-2_electrical Bracket & Components)

02-2_Электрика Кронштейн & Components (02-2_electrical Bracket & Components)

02-3_Маховик & Статор (02-3_flywheel & Stator)

02-3_Маховик & Статор (02-3_flywheel & Stator)

02-4_emm, Датчики, Катушка зажиганияs & Свеча зажиганияs (02-4_emm, Sensors, Ignition Coils & Spark Plugs)

02-4_emm, Датчики, Катушка зажиганияs & Свеча зажиганияs (02-4_emm, Sensors, Ignition Coils & Spark Plugs)

02-1_Электростартер (02-1_electric Starter)

02-1_Электростартер (02-1_electric Starter)

03-7_oil Tags & Наклейки (03-7_oil Tags & Labels)

03-7_oil Tags & Наклейки (03-7_oil Tags & Labels)

03-1_Топливный фильтр (03-1_fuel Filter)

03-1_Топливный фильтр (03-1_fuel Filter)

03-2_Лифтовый топливный насос (3.4 L) (03-2_fuel Lift Pump (3.4 L))

03-2_Лифтовый топливный насос (3.4 L) (03-2_fuel Lift Pump (3.4 L))

03-3_Топливный насос & Пароотделитель (03-3_fuel Pump & Vapor Separator)

03-3_Топливный насос & Пароотделитель (03-3_fuel Pump & Vapor Separator)

03-4_Топливный инжектор & Rails (03-4_fuel Injector & Rails)

03-4_Топливный инжектор & Rails (03-4_fuel Injector & Rails)

03-6_Масляный насос (3.4 L) (03-6_oil Pump (3.4 L))

03-6_Масляный насос (3.4 L) (03-6_oil Pump (3.4 L))

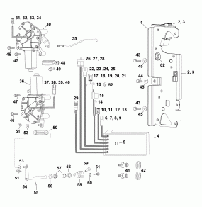
04-4_electronic Переключатель и Дроссель (04-4_electronic Shift And Throttle)

04-4_electronic Переключатель и Дроссель (04-4_electronic Shift And Throttle)

05-1_Впускной коллектор в сборе (05-1_intake Manifold Assembly)

05-1_Впускной коллектор в сборе (05-1_intake Manifold Assembly)

05-2_Коленвал & Поршни (05-2_crankshaft & Pistons)

05-2_Коленвал & Поршни (05-2_crankshaft & Pistons)

05-3_Цилиндр & Картер двигателя (05-3_cylinder & Crankcase)

05-3_Цилиндр & Картер двигателя (05-3_cylinder & Crankcase)

05-5_Cистема рециркуляции масла (05-5_oil Recirculation System)

05-5_Cистема рециркуляции масла (05-5_oil Recirculation System)

05-6_Клапан сброса давления воды (05-6_water Pressure Relief Valve)

05-6_Клапан сброса давления воды (05-6_water Pressure Relief Valve)

05-7_Шланги охлаждения (05-7_cooling Hoses)

05-7_Шланги охлаждения (05-7_cooling Hoses)

05-8_Прокладка & Комплект сальников (05-8_gasket & Seal Kit)

05-8_Прокладка & Комплект сальников (05-8_gasket & Seal Kit)

06-1_Удлинитель корпуса & Muffler (06-1_exhaust Housing & Muffler)

06-1_Удлинитель корпуса & Muffler (06-1_exhaust Housing & Muffler)

06-2_Удлинитель корпуса Inner (3.4 L) (06-2_exhaust Housing Inner (3.4 L))

06-2_Удлинитель корпуса Inner (3.4 L) (06-2_exhaust Housing Inner (3.4 L))

06-3_Поворотный кронштейн (06-3_swivel Bracket)

06-3_Поворотный кронштейн (06-3_swivel Bracket)

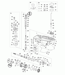
07-1_Редуктор, M2-type (07-1_gearcase, M2-type)

07-1_Редуктор, M2-type (07-1_gearcase, M2-type)

07-0_Спидометр Шланг Assembly (07-0_speedometer Hose Assembly)

07-0_Спидометр Шланг Assembly (07-0_speedometer Hose Assembly)

07-2_Арматура гребного винта, All V6 (07-2_propeller Hardware, All V6)

07-2_Арматура гребного винта, All V6 (07-2_propeller Hardware, All V6)

08-1_trim & Tilt Hydraulic Assembly - All V6 & 25 дюйм V4 Models (08-1_trim & Tilt Hydraulic Assembly - All V6 & 25 In. V4 Models)

08-1_trim & Tilt Hydraulic Assembly - All V6 & 25 дюйм V4 Models (08-1_trim & Tilt Hydraulic Assembly - All V6 & 25 In. V4 Models)

evinrude

Время выполнения запроса 9.3363118171692 сек.


 
 

данный сайт носит информационный характер и не является публичной офертой

склад запчастей для водомоторной техники