вконтакте

Контактный телефон: +7 (981) 121-46-93, +7 (800) 200-90-76 , Email: parts-katalog@yandex.ru, где купить

 
 

  Логин:

Пароль:

Регистрация

www.partskatalog.ru Все каталоги Запчасти Mercury Запчасти Suzuki Запчасти Tohatsu Запчасти Honda Контакты



УВАЖАЕМЫЕ КЛИЕНТЫ!
C 19 ДЕКАБРЯ 2025 ПО 02 МАРТА 2026 ГОДА ОТДЕЛ ЗАПЧАСТЕЙ И СЕРВИС РАБОТАТЬ НЕ БУДУТ
ПРОДАЖА ЛОДОЧНЫХ МОТОРОВ В ШТАТНОМ РЕЖИМЕ
ОБ ИЗМЕНЕНИЯХ В ГРАФИКЕ РАБОТЫ ЧИТАЙТЕ НА САЙТА




Вернуться к началу выбора


Мощность Вашего двигателя: 6 л.с.

Год выпуска: 2013 год

Тип двигателя: 1083

Модификация двигателя: Evinrude E6RX4AAB

   Выберите раздел

найти расходники на лодочные моторы Evinrude


Выберите раздел

10_Запчасти в коробках, поставляемые с двигателем (10_in-box Parts Shipped With Engine)

10_Запчасти в коробках, поставляемые с двигателем (10_in-box Parts Shipped With Engine)

10_publications (10_publications)

10_publications (10_publications)

11-2_верхний  Крышка двигателя (капот) (11-2_upper Engine Cover)

11-2_верхний Крышка двигателя (капот) (11-2_upper Engine Cover)

11-3_Нижняя крышка двигателя (11-3_lower Engine Cover)

11-3_Нижняя крышка двигателя (11-3_lower Engine Cover)

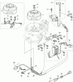
12-5_ignition System (12-5_ignition System)

12-5_ignition System (12-5_ignition System)

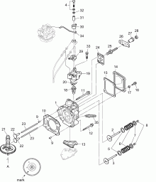
13-3_Карбюратор & Топливный насос (13-3_carburetor & Fuel Pump)

13-3_Карбюратор & Топливный насос (13-3_carburetor & Fuel Pump)

15-2_Коленвал & Поршень (15-2_crankshaft & Piston)

15-2_Коленвал & Поршень (15-2_crankshaft & Piston)

15-6_Цилиндр & Картер двигателя (15-6_cylinder & Crankcase)

15-6_Цилиндр & Картер двигателя (15-6_cylinder & Crankcase)

15-7_Головка блока цилиндра Assembly (15-7_cylinder Head Assembly)

15-7_Головка блока цилиндра Assembly (15-7_cylinder Head Assembly)

15-0_Барабанный стартер (15-0_recoil Starter)

15-0_Барабанный стартер (15-0_recoil Starter)

16-4_stern & Поворотный кронштейн (16-4_stern & Swivel Bracket)

16-4_stern & Поворотный кронштейн (16-4_stern & Swivel Bracket)

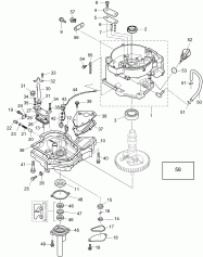
16-0_Корпус вала передачи (16-0_driveshaft Housing)

16-0_Корпус вала передачи (16-0_driveshaft Housing)

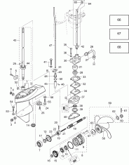
17-1_Редуктор (17-1_gearcase)

17-1_Редуктор (17-1_gearcase)

19-0_Аксессуары (19-0_accessories)

19-0_Аксессуары (19-0_accessories)

19-8_Топливный бак в сборе (19-8_fuel Tank Assembly)

19-8_Топливный бак в сборе (19-8_fuel Tank Assembly)

evinrude

Время выполнения запроса 0.21131801605225 сек.


 
 

данный сайт носит информационный характер и не является публичной офертой

склад запчастей для водомоторной техники