вконтакте

Контактный телефон: +7 (981) 121-46-93, +7 (800) 200-90-76 , Email: parts-katalog@yandex.ru, где купить

 
 

  Логин:

Пароль:

Регистрация

www.partskatalog.ru Все каталоги Запчасти Mercury Запчасти Suzuki Запчасти Tohatsu Запчасти Honda Контакты



УВАЖАЕМЫЕ КЛИЕНТЫ!
C 19 ДЕКАБРЯ 2025 ПО 02 МАРТА 2026 ГОДА ОТДЕЛ ЗАПЧАСТЕЙ И СЕРВИС РАБОТАТЬ НЕ БУДУТ
ПРОДАЖА ЛОДОЧНЫХ МОТОРОВ В ШТАТНОМ РЕЖИМЕ
ОБ ИЗМЕНЕНИЯХ В ГРАФИКЕ РАБОТЫ ЧИТАЙТЕ НА САЙТА




Вернуться к началу выбора


Мощность Вашего двигателя: 15 л.с.

Год выпуска: 2012 год

Тип двигателя: 1106

Модификация двигателя: Evinrude B15RL4INS

   Выберите раздел

найти расходники на лодочные моторы Evinrude


Выберите раздел

10_Запчасти в коробках, поставляемые с двигателем (10_in-box Parts Shipped With Engine)

10_Запчасти в коробках, поставляемые с двигателем (10_in-box Parts Shipped With Engine)

10_publications (10_publications)

10_publications (10_publications)

11-1_Нижняя крышка двигателя (11-1_lower Engine Cover)

11-1_Нижняя крышка двигателя (11-1_lower Engine Cover)

11-2_верхний  Крышка двигателя (капот) (11-2_upper Engine Cover)

11-2_верхний Крышка двигателя (капот) (11-2_upper Engine Cover)

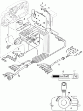
12-0_Электрика System (12-0_electrical System)

12-0_Электрика System (12-0_electrical System)

13-3_Карбюратор в сборе (13-3_carburetor Assembly)

13-3_Карбюратор в сборе (13-3_carburetor Assembly)

14-1_Переключатель сцепления (tiller Models) (14-1_shift Linkage (tiller Models))

14-1_Переключатель сцепления (tiller Models) (14-1_shift Linkage (tiller Models))

15-6_Цилиндр & Картер двигателя в сборе (15-6_cylinder & Crankcase Assembly)

15-6_Цилиндр & Картер двигателя в сборе (15-6_cylinder & Crankcase Assembly)

15-2_Коленвал & Поршни (15-2_crankshaft & Pistons)

15-2_Коленвал & Поршни (15-2_crankshaft & Pistons)

15-7_Головка блока цилиндра Assembly (15-7_cylinder Head Assembly)

15-7_Головка блока цилиндра Assembly (15-7_cylinder Head Assembly)

15-4_Ремень распредвала & Шкивs (15-4_timing Belt & Pulleys)

15-4_Ремень распредвала & Шкивs (15-4_timing Belt & Pulleys)

15-1_Впускной коллектор & Топливный насос (15-1_intake Manifold & Fuel Pump)

15-1_Впускной коллектор & Топливный насос (15-1_intake Manifold & Fuel Pump)

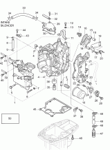
16-0_Корпус вала передачи (16-0_driveshaft Housing)

16-0_Корпус вала передачи (16-0_driveshaft Housing)

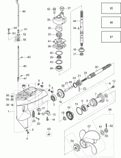
17-1_Редуктор (17-1_gearcase)

17-1_Редуктор (17-1_gearcase)

19-8_Топливный бак в сборе (19-8_fuel Tank Assembly)

19-8_Топливный бак в сборе (19-8_fuel Tank Assembly)

19-2_монтаж сбоку Дистанционное управление (19-2_side Mount Remote Control)

19-2_монтаж сбоку Дистанционное управление (19-2_side Mount Remote Control)

19-3_монтаж сбоку Управление (Электрика) (19-3_side Mount Control (electrical))

19-3_монтаж сбоку Управление (Электрика) (19-3_side Mount Control (electrical))

19-1_binnacle Крепление Дистанционное управление (19-1_binnacle Mount Remote Control)

19-1_binnacle Крепление Дистанционное управление (19-1_binnacle Mount Remote Control)

19-0_Аксессуары (19-0_accessories)

19-0_Аксессуары (19-0_accessories)

evinrude

Время выполнения запроса 0.20098304748535 сек.


 
 

данный сайт носит информационный характер и не является публичной офертой

склад запчастей для водомоторной техники