вконтакте

Контактный телефон: +7 (981) 121-46-93, +7 (800) 200-90-76 , Email: parts-katalog@yandex.ru, где купить

 
 

  Логин:

Пароль:

Регистрация

www.partskatalog.ru Все каталоги Запчасти Mercury Запчасти Suzuki Запчасти Tohatsu Запчасти Honda Контакты


Вернуться к началу выбора


Мощность Вашего двигателя: 250 л.с.

Год выпуска: 2008 год

Тип двигателя: 1172

Модификация двигателя: Evinrude E250DPXSCG

   Выберите раздел

найти расходники на лодочные моторы Evinrude


Выберите раздел

Air Глушитель (Air Silencer)

Air Глушитель (Air Silencer)

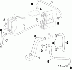
Шланги охлаждения (Cooling Hoses)

Шланги охлаждения (Cooling Hoses)

Коленвал & Поршни (Crankshaft & Pistons)

Коленвал & Поршни (Crankshaft & Pistons)

Цилиндр & Картер двигателя (Cylinder & Crankcase)

Цилиндр & Картер двигателя (Cylinder & Crankcase)

Цилиндр & Прокладка картера и комплект сальников (Cylinder & Crankcase Gasket & Seal Kit)

Цилиндр & Прокладка картера и комплект сальников (Cylinder & Crankcase Gasket & Seal Kit)

Наклейки (Decals)

Наклейки (Decals)

Электрика - жгут проводов (Electrical Harness)

Электрика - жгут проводов (Electrical Harness)

Электрика Кронштейн & Components (Electrical Bracket & Components)

Электрика Кронштейн & Components (Electrical Bracket & Components)

Emm, Датчики, Катушка зажиганияs & Свеча зажиганияs (Emm, Sensors, Ignition Coils & Spark Plugs)

Emm, Датчики, Катушка зажиганияs & Свеча зажиганияs (Emm, Sensors, Ignition Coils & Spark Plugs)

Крышка двигателя (капот) (Engine Cover)

Крышка двигателя (капот) (Engine Cover)

Удлинитель корпуса & Muffler (Exhaust Housing & Muffler)

Удлинитель корпуса & Muffler (Exhaust Housing & Muffler)

Удлинитель корпуса Inner (Exhaust Housing Inner)

Удлинитель корпуса Inner (Exhaust Housing Inner)

Маховик & Статор (Flywheel & Stator)

Маховик & Статор (Flywheel & Stator)

Лифтовый топливный насос (Fuel Lift Pump)

Лифтовый топливный насос (Fuel Lift Pump)

Топливный фильтр (Fuel Filter)

Топливный фильтр (Fuel Filter)

Топливный насос & Пароотделитель (Fuel Pump & Vapor Separator)

Топливный насос & Пароотделитель (Fuel Pump & Vapor Separator)

Топливный инжектор & Rails (Fuel Injector & Rails)

Топливный инжектор & Rails (Fuel Injector & Rails)

Редуктор (Gearcase)

Редуктор (Gearcase)

Впускной коллектор в сборе (Intake Manifold Assembly)

Впускной коллектор в сборе (Intake Manifold Assembly)

Литература (Literature)

Литература (Literature)

Нижняя крышка двигателя (Lower Engine Cover)

Нижняя крышка двигателя (Lower Engine Cover)

Oil Recirculation Шлангs (Oil Recirculation Hoses)

Oil Recirculation Шлангs (Oil Recirculation Hoses)

Масляный насос (Oil Pump)

Масляный насос (Oil Pump)

Краска (Paint)

Краска (Paint)

Чертежи профиля (Profile Drawing)

Чертежи профиля (Profile Drawing)

Арматура гребного винта (Propeller Hardware)

Арматура гребного винта (Propeller Hardware)

Переключатель сцепления (Shift Linkage)

Переключатель сцепления (Shift Linkage)

Спидометр Шланг Assembly (Speedometer Hose Assembly)

Спидометр Шланг Assembly (Speedometer Hose Assembly)

Двигатель стартера (Starter Motor)

Двигатель стартера (Starter Motor)

Поворотный кронштейн (Swivel Bracket)

Поворотный кронштейн (Swivel Bracket)

Соединитель дросселяage (Throttle Linkage)

Соединитель дросселяage (Throttle Linkage)

Trim / tilt Hydraulic Assembly (Trim/tilt Hydraulic Assembly)

Trim / tilt Hydraulic Assembly (Trim/tilt Hydraulic Assembly)

Клапан сброса давления воды (Water Pressure Relief Valve)

Клапан сброса давления воды (Water Pressure Relief Valve)

evinrude

Время выполнения запроса 0.44177293777466 сек.


 
 

данный сайт носит информационный характер и не является публичной офертой

склад запчастей для водомоторной техники