вконтакте

Контактный телефон: +7 (981) 121-46-93, +7 (800) 200-90-76 , Email: parts-katalog@yandex.ru, где купить

 
 

  Логин:

Пароль:

Регистрация

www.partskatalog.ru Все каталоги Запчасти Mercury Запчасти Suzuki Запчасти Tohatsu Запчасти Honda Контакты


Вернуться к началу выбора


Мощность Вашего двигателя: 200 л.с.

Год выпуска: 2002 год

Тип двигателя: 1246

Модификация двигателя: Evinrude E200FCXSNF Ficht RAM Injection, 25 in.,

   Выберите раздел

найти расходники на лодочные моторы Evinrude


Выберите раздел

Battery Клемма Kit (Battery Terminal Kit)

Battery Клемма Kit (Battery Terminal Kit)

Коленвал и Поршни (Crankshaft And Pistons)

Коленвал и Поршни (Crankshaft And Pistons)

Цилиндр & Картер двигателя (Cylinder & Crankcase)

Цилиндр & Картер двигателя (Cylinder & Crankcase)

Наклейки - белый Models (Decals - White Models)

Наклейки - белый Models (Decals - White Models)

Dual Рулевая система Коннектор Kit (Dual Steering Connector Kit)

Dual Рулевая система Коннектор Kit (Dual Steering Connector Kit)

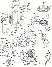
Электрика System (Electrical System)

Электрика System (Electrical System)

Двигатель Жгут проводов Assembly (Engine Harness Assembly)

Двигатель Жгут проводов Assembly (Engine Harness Assembly)

Крышка двигателя (капот) (Engine Cover)

Крышка двигателя (капот) (Engine Cover)

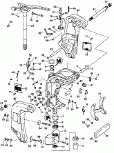
Удлинитель корпуса (Exhaust Housing)

Удлинитель корпуса (Exhaust Housing)

Удлинитель Кабели (Extension Cable)

Удлинитель Кабели (Extension Cable)

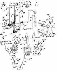
Топливная система (Fuel System)

Топливная система (Fuel System)

Редуктор - Fcx & Fcz Models (Gearcase - Fcx & Fcz Models)

Редуктор - Fcx & Fcz Models (Gearcase - Fcx & Fcz Models)

Впускной коллектор (Intake Manifold)

Впускной коллектор (Intake Manifold)

Литература (Literature)

Литература (Literature)

Нижняя крышка двигателя (Lower Engine Cover)

Нижняя крышка двигателя (Lower Engine Cover)

Midsection (Midsection)

Midsection (Midsection)

Oil System (Oil System)

Oil System (Oil System)

Краска (Paint)

Краска (Paint)

Power trim и Tilt (Power Trim And Tilt)

Power trim и Tilt (Power Trim And Tilt)

Двигатель стартера (Starter Motor)

Двигатель стартера (Starter Motor)

Рулевая система Соединитель Kit (Steering Link Kit)

Рулевая система Соединитель Kit (Steering Link Kit)

evinrude

Время выполнения запроса 0.75330901145935 сек.


 
 

данный сайт носит информационный характер и не является публичной офертой

склад запчастей для водомоторной техники