вконтакте

Контактный телефон: +7 (981) 121-46-93, +7 (800) 200-90-76 , Email: parts-katalog@yandex.ru, где купить

 
 

  Логин:

Пароль:

Регистрация

www.partskatalog.ru Все каталоги Запчасти Mercury Запчасти Suzuki Запчасти Tohatsu Запчасти Honda Контакты


Вернуться к началу выбора


Мощность Вашего двигателя: 225 л.с.

Год выпуска: 2001 год

Тип двигателя: 1254

Модификация двигателя: Evinrude E225FPLSIF FFI

   Выберите раздел

найти расходники на лодочные моторы Evinrude


Выберите раздел

Accessory Transom - Опции (Accessory Transom - Optional)

Accessory Transom - Опции (Accessory Transom - Optional)

Коленвал & Поршень (Crankshaft & Piston)

Коленвал & Поршень (Crankshaft & Piston)

Цилиндр & Картер двигателя (Cylinder & Crankcase)

Цилиндр & Картер двигателя (Cylinder & Crankcase)

Dual Рулевая система Коннектор Kit - Опции (Dual Steering Connector Kit - Optional)

Dual Рулевая система Коннектор Kit - Опции (Dual Steering Connector Kit - Optional)

Электрика System (Electrical System)

Электрика System (Electrical System)

Крышка двигателя (капот) (Engine Cover)

Крышка двигателя (капот) (Engine Cover)

Двигатель Кабели (Engine Cable)

Двигатель Кабели (Engine Cable)

Удлинитель корпуса (Exhaust Housing)

Удлинитель корпуса (Exhaust Housing)

Fuel Components (Fuel Components)

Fuel Components (Fuel Components)

Редуктор - стандарт Rotation - Fl - Fpl - Fsl - Fs Models (Gearcase - Standard Rotation - Fl - Fpl - Fsl - Fs Models)

Редуктор - стандарт Rotation - Fl - Fpl - Fsl - Fs Models (Gearcase - Standard Rotation - Fl - Fpl - Fsl - Fs Models)

Впускной коллектор (Intake Manifold)

Впускной коллектор (Intake Manifold)

Литература (Literature)

Литература (Literature)

Нижняя крышка двигателя (Lower Engine Cover)

Нижняя крышка двигателя (Lower Engine Cover)

Oil Components (Oil Components)

Oil Components (Oil Components)

Краска (Paint)

Краска (Paint)

Механизированный дифферент наклона Hydraulic Assembly (Power Trim/tilt Hydraulic Assembly)

Механизированный дифферент наклона Hydraulic Assembly (Power Trim/tilt Hydraulic Assembly)

Двигатель стартера (Starter Motor)

Двигатель стартера (Starter Motor)

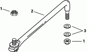
Рулевая система Соединитель Kit (Steering Link Kit)

Рулевая система Соединитель Kit (Steering Link Kit)

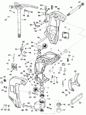
Stern & Поворотный кронштейн (Stern & Swivel Bracket)

Stern & Поворотный кронштейн (Stern & Swivel Bracket)

evinrude

Время выполнения запроса 0.66745615005493 сек.


 
 

данный сайт носит информационный характер и не является публичной офертой

склад запчастей для водомоторной техники