вконтакте

Контактный телефон: +7 (981) 121-46-93, +7 (800) 200-90-76 , Email: parts-katalog@yandex.ru, где купить

 
 

  Логин:

Пароль:

Регистрация

www.partskatalog.ru Все каталоги Запчасти Mercury Запчасти Suzuki Запчасти Tohatsu Запчасти Honda Контакты


Вернуться к началу выбора


Мощность Вашего двигателя: 30 л.с.

Год выпуска: 2001 год

Тип двигателя: 1270

Модификация двигателя: Evinrude E30TEL4SIC 4-Stroke, Elec. Start, Tiller

   Выберите раздел

найти расходники на лодочные моторы Evinrude


Выберите раздел

Air Глушитель (Air Silencer)

Air Глушитель (Air Silencer)

Распределительный вал & Клапан (Camshaft & Valve)

Распределительный вал & Клапан (Camshaft & Valve)

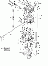
Карбюратор (Carburetor)

Карбюратор (Carburetor)

Коленвал (Crankshaft)

Коленвал (Crankshaft)

Цилиндр & Картер двигателя (Cylinder & Crankcase)

Цилиндр & Картер двигателя (Cylinder & Crankcase)

Корпус вала передачи & Вал гребного винта (Drive Shaft & Propeller Shaft)

Корпус вала передачи & Вал гребного винта (Drive Shaft & Propeller Shaft)

Электрика System (Electrical System)

Электрика System (Electrical System)

Крышка двигателя (капот) (Engine Cover)

Крышка двигателя (капот) (Engine Cover)

Маховик (Flywheel)

Маховик (Flywheel)

Топливный бак - 6 галлон (Fuel Tank - 6 Gallon)

Топливный бак - 6 галлон (Fuel Tank - 6 Gallon)

Топливный шланг & Топливная груша - 5 / 16 дюйм I.d. (Fuel Hose & Primer Bulb - 5/16 In. I.d.)

Топливный шланг & Топливная груша - 5 / 16 дюйм I.d. (Fuel Hose & Primer Bulb - 5/16 In. I.d.)

Топливный насос (Fuel Pump)

Топливный насос (Fuel Pump)

Редуктор (Gearcase)

Редуктор (Gearcase)

Литература (Literature)

Литература (Literature)

Нижняя крышка двигателя (Lower Engine Cover)

Нижняя крышка двигателя (Lower Engine Cover)

Midsection & Oil System (Midsection & Oil System)

Midsection & Oil System (Midsection & Oil System)

Краска (Paint)

Краска (Paint)

Механизированный дифферент наклона Hydraulic (Power Trim/tilt Hydraulic)

Механизированный дифферент наклона Hydraulic (Power Trim/tilt Hydraulic)

Rewind Стартер & Нижний сальник (Rewind Starter & Under Oil Seal)

Rewind Стартер & Нижний сальник (Rewind Starter & Under Oil Seal)

Переключающая тяга (Shift Rod)

Переключающая тяга (Shift Rod)

Переключатель Handle & Рычаг (Shift Handle & Lever)

Переключатель Handle & Рычаг (Shift Handle & Lever)

Румпель (Steering Handle)

Румпель (Steering Handle)

Stern & Поворотный кронштейн (Stern & Swivel Bracket)

Stern & Поворотный кронштейн (Stern & Swivel Bracket)

Термостат (Thermostat)

Термостат (Thermostat)

Управление дросселем (Throttle Control)

Управление дросселем (Throttle Control)

Tilt Assist Цилиндр (Tilt Assist Cylinder)

Tilt Assist Цилиндр (Tilt Assist Cylinder)

evinrude

Время выполнения запроса 1.6938478946686 сек.


 
 

данный сайт носит информационный характер и не является публичной офертой

склад запчастей для водомоторной техники