вконтакте

Контактный телефон: +7 (981) 121-46-93, +7 (800) 200-90-76 , Email: parts-katalog@yandex.ru, где купить

 
 

  Логин:

Пароль:

Регистрация

www.partskatalog.ru Все каталоги Запчасти Mercury Запчасти Suzuki Запчасти Tohatsu Запчасти Honda Контакты


Вернуться к началу выбора


Мощность Вашего двигателя: 175 л.с.

Год выпуска: 2000 год

Тип двигателя: 1282

Модификация двигателя: Evinrude RE175FXSSR FFI, Elec Start, TNT, 25 IN.

   Выберите раздел

найти расходники на лодочные моторы Evinrude


Выберите раздел

Battery Клемма Kit (Battery Terminal Kit)

Battery Клемма Kit (Battery Terminal Kit)

Коленвал & Поршни (Crankshaft & Pistons)

Коленвал & Поршни (Crankshaft & Pistons)

Цилиндр & Картер двигателя (Cylinder & Crankcase)

Цилиндр & Картер двигателя (Cylinder & Crankcase)

Dual Рулевая система Коннектор Kit - Опции (Dual Steering Connector Kit - Optional)

Dual Рулевая система Коннектор Kit - Опции (Dual Steering Connector Kit - Optional)

Электростартер (Electric Starter)

Электростартер (Electric Starter)

Электрика System (Electrical System)

Электрика System (Electrical System)

Крышка двигателя (капот) (Engine Cover)

Крышка двигателя (капот) (Engine Cover)

Удлинитель корпуса (Exhaust Housing)

Удлинитель корпуса (Exhaust Housing)

Fuel Components (Fuel Components)

Fuel Components (Fuel Components)

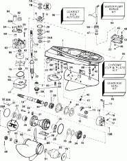
Редуктор - стандарт Rotation - Fpl, Fl Models (Gearcase - Standard Rotation - Fpl, Fl Models)

Редуктор - стандарт Rotation - Fpl, Fl Models (Gearcase - Standard Rotation - Fpl, Fl Models)

Редуктор - стандарт Rotation - Fsl, Fs, Fpx, Fx Models (Gearcase - Standard Rotation - Fsl, Fs, Fpx, Fx Models)

Редуктор - стандарт Rotation - Fsl, Fs, Fpx, Fx Models (Gearcase - Standard Rotation - Fsl, Fs, Fpx, Fx Models)

Редуктор - обратное вращение - Fcx, Fc Models (Gearcase - Counter Rotation - Fcx, Fc Models)

Редуктор - обратное вращение - Fcx, Fc Models (Gearcase - Counter Rotation - Fcx, Fc Models)

Шланг Routing (Hose Routing)

Шланг Routing (Hose Routing)

Впускной коллектор (Intake Manifold)

Впускной коллектор (Intake Manifold)

Литература (Literature)

Литература (Literature)

Нижняя крышка двигателя (Lower Engine Cover)

Нижняя крышка двигателя (Lower Engine Cover)

Midsection (Midsection)

Midsection (Midsection)

Motor Кабели Assembly (Motor Cable Assembly)

Motor Кабели Assembly (Motor Cable Assembly)

Oil Components (Oil Components)

Oil Components (Oil Components)

Краска (Paint)

Краска (Paint)

Механизированный дифферент наклона Hydraulic Assembly (Power Trim/tilt Hydraulic Assembly)

Механизированный дифферент наклона Hydraulic Assembly (Power Trim/tilt Hydraulic Assembly)

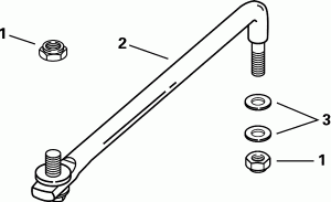
Рулевая система Соединитель Kit (Steering Link Kit)

Рулевая система Соединитель Kit (Steering Link Kit)

Соединитель дросселяage (Throttle Linkage)

Соединитель дросселяage (Throttle Linkage)

evinrude

Время выполнения запроса 0.37718296051025 сек.


 
 

данный сайт носит информационный характер и не является публичной офертой

склад запчастей для водомоторной техники