вконтакте

Контактный телефон: +7 (981) 121-46-93, +7 (800) 200-90-76 , Email: parts-katalog@yandex.ru, где купить

 
 

  Логин:

Пароль:

Регистрация

www.partskatalog.ru Все каталоги Запчасти Mercury Запчасти Suzuki Запчасти Tohatsu Запчасти Honda Контакты



УВАЖАЕМЫЕ КЛИЕНТЫ!
C 19 ДЕКАБРЯ 2025 ПО 02 МАРТА 2026 ГОДА ОТДЕЛ ЗАПЧАСТЕЙ И СЕРВИС РАБОТАТЬ НЕ БУДУТ
ПРОДАЖА ЛОДОЧНЫХ МОТОРОВ В ШТАТНОМ РЕЖИМЕ
ОБ ИЗМЕНЕНИЯХ В ГРАФИКЕ РАБОТЫ ЧИТАЙТЕ НА САЙТА




Вернуться к началу выбора


Мощность Вашего двигателя: 15 л.с.

Год выпуска: 2000 год

Тип двигателя: 1299

Модификация двигателя: Evinrude E15WRLSSC Commercial, Rope Start, Tiller

   Выберите раздел

найти расходники на лодочные моторы Evinrude


Выберите раздел

Карбюратор (Carburetor)

Карбюратор (Carburetor)

Коленвал & Поршень (Crankshaft & Piston)

Коленвал & Поршень (Crankshaft & Piston)

Цилиндр & Картер двигателя (Cylinder & Crankcase)

Цилиндр & Картер двигателя (Cylinder & Crankcase)

Крышка двигателя (капот) - Evinrude (Engine Cover - Evinrude)

Крышка двигателя (капот) - Evinrude (Engine Cover - Evinrude)

Крышка двигателя (капот) - Johnson (Engine Cover - Johnson)

Крышка двигателя (капот) - Johnson (Engine Cover - Johnson)

Удлинитель корпуса (Exhaust Housing)

Удлинитель корпуса (Exhaust Housing)

Топливный насос (Fuel Pump)

Топливный насос (Fuel Pump)

Топливный бак - 6 галлон Опции (Fuel Tank - 6 Gallon Optional)

Топливный бак - 6 галлон Опции (Fuel Tank - 6 Gallon Optional)

Топливный бак - 6 галлон (Fuel Tank - 6 Gallon)

Топливный бак - 6 галлон (Fuel Tank - 6 Gallon)

Топливный шланг & Primer - 5 / 16 дюйм I.d. (Fuel Hose & Primer - 5/16 In. I.d.)

Топливный шланг & Primer - 5 / 16 дюйм I.d. (Fuel Hose & Primer - 5/16 In. I.d.)

Редуктор (Gearcase)

Редуктор (Gearcase)

Ignition (Ignition)

Ignition (Ignition)

Впускной коллектор (Intake Manifold)

Впускной коллектор (Intake Manifold)

Литература (Literature)

Литература (Literature)

Нижняя крышка двигателя (Lower Engine Cover)

Нижняя крышка двигателя (Lower Engine Cover)

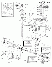
Midsection (Midsection)

Midsection (Midsection)

Краска (Paint)

Краска (Paint)

Rewind Стартер (Rewind Starter)

Rewind Стартер (Rewind Starter)

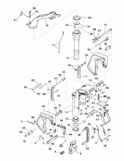
Рулевая система и Переключатель Handle (Steering And Shift Handle)

Рулевая система и Переключатель Handle (Steering And Shift Handle)

evinrude

Время выполнения запроса 0.26952815055847 сек.


 
 

данный сайт носит информационный характер и не является публичной офертой

склад запчастей для водомоторной техники