вконтакте

Контактный телефон: +7 (981) 121-46-93, +7 (800) 200-90-76 , Email: parts-katalog@yandex.ru, где купить

 
 

  Логин:

Пароль:

Регистрация

www.partskatalog.ru Все каталоги Запчасти Mercury Запчасти Suzuki Запчасти Tohatsu Запчасти Honda Контакты



УВАЖАЕМЫЕ КЛИЕНТЫ!
C 19 ДЕКАБРЯ 2025 ПО 02 МАРТА 2026 ГОДА ОТДЕЛ ЗАПЧАСТЕЙ И СЕРВИС РАБОТАТЬ НЕ БУДУТ
ПРОДАЖА ЛОДОЧНЫХ МОТОРОВ В ШТАТНОМ РЕЖИМЕ
ОБ ИЗМЕНЕНИЯХ В ГРАФИКЕ РАБОТЫ ЧИТАЙТЕ НА САЙТА




Вернуться к началу выбора


Мощность Вашего двигателя: 175 л.с.

Год выпуска: 1998 год

Тип двигателя: 1333

Модификация двигателя: Evinrude E175NXECD 1998

   Выберите раздел

найти расходники на лодочные моторы Evinrude


Выберите раздел

Карбюратор & Впускной коллектор -- 150 Hp (Carburetor & Intake Manifold -- 150 Hp)

Карбюратор & Впускной коллектор -- 150 Hp (Carburetor & Intake Manifold -- 150 Hp)

Карбюратор & Впускной коллектор -- 175 Hp (Carburetor & Intake Manifold -- 175 Hp)

Карбюратор & Впускной коллектор -- 175 Hp (Carburetor & Intake Manifold -- 175 Hp)

Коленвал & Поршни (Crankshaft & Pistons)

Коленвал & Поршни (Crankshaft & Pistons)

Цилиндр & Картер двигателя (Cylinder & Crankcase)

Цилиндр & Картер двигателя (Cylinder & Crankcase)

Dual Рулевая система Коннектор Kit -- Опции (Dual Steering Connector Kit -- Optional)

Dual Рулевая система Коннектор Kit -- Опции (Dual Steering Connector Kit -- Optional)

Электростартер & Solenoid (Electric Starter & Solenoid)

Электростартер & Solenoid (Electric Starter & Solenoid)

Крышка двигателя (капот) -- Evinrude (Engine Cover -- Evinrude)

Крышка двигателя (капот) -- Evinrude (Engine Cover -- Evinrude)

Крышка двигателя (капот) -- Johnson (Engine Cover -- Johnson)

Крышка двигателя (капот) -- Johnson (Engine Cover -- Johnson)

Удлинитель корпуса (Exhaust Housing)

Удлинитель корпуса (Exhaust Housing)

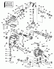
Fuel Кронштейн & Components (Fuel Bracket & Components)

Fuel Кронштейн & Components (Fuel Bracket & Components)

Редуктор-std Rotation-20

Редуктор-std Rotation-20" 150sl, El, 175sl & All 25" Models (Gearcase-std Rotation-20" 150sl, El, 175sl & All 25" Models)

Редуктор -- Counter-rotation (Gearcase -- Counter-rotation)

Редуктор -- Counter-rotation (Gearcase -- Counter-rotation)

Редуктор -- стандарт Rotation -- Gl Models (Gearcase -- Standard Rotation -- Gl Models)

Редуктор -- стандарт Rotation -- Gl Models (Gearcase -- Standard Rotation -- Gl Models)

Ignition System (Ignition System)

Ignition System (Ignition System)

Jet Drive Unit (Jet Drive Unit)

Jet Drive Unit (Jet Drive Unit)

Литература (Literature)

Литература (Literature)

Нижняя крышка двигателя (Lower Engine Cover)

Нижняя крышка двигателя (Lower Engine Cover)

Midsection (Midsection)

Midsection (Midsection)

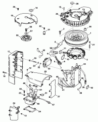
Motor Жгут проводов (Motor Harness)

Motor Жгут проводов (Motor Harness)

Краска (Paint)

Краска (Paint)

Механизированный дифферент наклона Электрика (Power Trim/tilt Electrical)

Механизированный дифферент наклона Электрика (Power Trim/tilt Electrical)

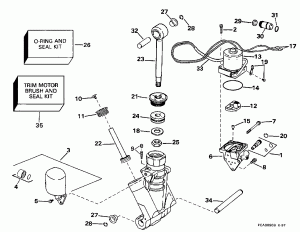
Механизированный дифферент наклона Hydraulic Assembly (Power Trim/tilt Hydraulic Assembly)

Механизированный дифферент наклона Hydraulic Assembly (Power Trim/tilt Hydraulic Assembly)

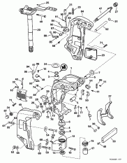
Рулевая система Соединитель Kit (Steering Link Kit)

Рулевая система Соединитель Kit (Steering Link Kit)

Соединитель дросселяage (Throttle Linkage)

Соединитель дросселяage (Throttle Linkage)

evinrude

Время выполнения запроса 0.32036399841309 сек.


 
 

данный сайт носит информационный характер и не является публичной офертой

склад запчастей для водомоторной техники