вконтакте

Контактный телефон: +7 (981) 121-46-93, +7 (800) 200-90-76 , Email: parts-katalog@yandex.ru, где купить

 
 

  Логин:

Пароль:

Регистрация

www.partskatalog.ru Все каталоги Запчасти Mercury Запчасти Suzuki Запчасти Tohatsu Запчасти Honda Контакты



УВАЖАЕМЫЕ КЛИЕНТЫ!
C 19 ДЕКАБРЯ 2025 ПО 02 МАРТА 2026 ГОДА ОТДЕЛ ЗАПЧАСТЕЙ И СЕРВИС РАБОТАТЬ НЕ БУДУТ
ПРОДАЖА ЛОДОЧНЫХ МОТОРОВ В ШТАТНОМ РЕЖИМЕ
ОБ ИЗМЕНЕНИЯХ В ГРАФИКЕ РАБОТЫ ЧИТАЙТЕ НА САЙТА




Вернуться к началу выбора


Мощность Вашего двигателя: 90 л.с.

Год выпуска: 1998 год

Тип двигателя: 1340

Модификация двигателя: Evinrude E90SLECM 1998

   Выберите раздел

найти расходники на лодочные моторы Evinrude


Выберите раздел

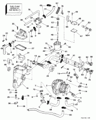
Карбюратор & Впускной коллектор (Carburetor & Intake Manifold)

Карбюратор & Впускной коллектор (Carburetor & Intake Manifold)

Коленвал & Поршень (Crankshaft & Piston)

Коленвал & Поршень (Crankshaft & Piston)

Цилиндр & Картер двигателя (Cylinder & Crankcase)

Цилиндр & Картер двигателя (Cylinder & Crankcase)

Электростартер & Solenoid (Electric Starter & Solenoid)

Электростартер & Solenoid (Electric Starter & Solenoid)

Крышка двигателя (капот) -- Evinrude (Engine Cover -- Evinrude)

Крышка двигателя (капот) -- Evinrude (Engine Cover -- Evinrude)

Крышка двигателя (капот) -- Johnson (Engine Cover -- Johnson)

Крышка двигателя (капот) -- Johnson (Engine Cover -- Johnson)

Удлинитель корпуса (Exhaust Housing)

Удлинитель корпуса (Exhaust Housing)

Fuel Кронштейн & Components (Fuel Bracket & Components)

Fuel Кронштейн & Components (Fuel Bracket & Components)

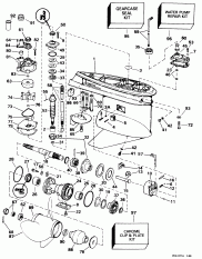
Редуктор -- 90 & 115 El, Gl, Sl Models (Gearcase -- 90 & 115 El, Gl, Sl Models)

Редуктор -- 90 & 115 El, Gl, Sl Models (Gearcase -- 90 & 115 El, Gl, Sl Models)

Редуктор -- 90 & 115 Sx Models (Gearcase -- 90 & 115 Sx Models)

Редуктор -- 90 & 115 Sx Models (Gearcase -- 90 & 115 Sx Models)

Ignition System (Ignition System)

Ignition System (Ignition System)

Jet Drive Unit (Jet Drive Unit)

Jet Drive Unit (Jet Drive Unit)

Литература (Literature)

Литература (Literature)

Нижняя крышка двигателя (Lower Engine Cover)

Нижняя крышка двигателя (Lower Engine Cover)

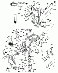
Midsection (Midsection)

Midsection (Midsection)

Краска (Paint)

Краска (Paint)

Механизированный дифферент наклона Электрика (Power Trim/tilt Electrical)

Механизированный дифферент наклона Электрика (Power Trim/tilt Electrical)

Механизированный дифферент наклона Hydraulic Assembly (Power Trim/tilt Hydraulic Assembly)

Механизированный дифферент наклона Hydraulic Assembly (Power Trim/tilt Hydraulic Assembly)

Рулевая система Соединитель Kit (Steering Link Kit)

Рулевая система Соединитель Kit (Steering Link Kit)

Соединитель дросселяage (Throttle Linkage)

Соединитель дросселяage (Throttle Linkage)

evinrude

Время выполнения запроса 0.24309110641479 сек.


 
 

данный сайт носит информационный характер и не является публичной офертой

склад запчастей для водомоторной техники