вконтакте

Контактный телефон: +7 (981) 121-46-93, +7 (800) 200-90-76 , Email: parts-katalog@yandex.ru, где купить

 
 

  Логин:

Пароль:

Регистрация

www.partskatalog.ru Все каталоги Запчасти Mercury Запчасти Suzuki Запчасти Tohatsu Запчасти Honda Контакты



УВАЖАЕМЫЕ КЛИЕНТЫ!
C 19 ДЕКАБРЯ 2025 ПО 02 МАРТА 2026 ГОДА ОТДЕЛ ЗАПЧАСТЕЙ И СЕРВИС РАБОТАТЬ НЕ БУДУТ
ПРОДАЖА ЛОДОЧНЫХ МОТОРОВ В ШТАТНОМ РЕЖИМЕ
ОБ ИЗМЕНЕНИЯХ В ГРАФИКЕ РАБОТЫ ЧИТАЙТЕ НА САЙТА




Вернуться к началу выбора


Мощность Вашего двигателя: 70 л.с.

Год выпуска: 1998 год

Тип двигателя: 1342

Модификация двигателя: Evinrude E70FLTLECS 1998

   Выберите раздел

найти расходники на лодочные моторы Evinrude


Выберите раздел

Распределительный вал (Camshaft)

Распределительный вал (Camshaft)

Коленвал (Crankshaft)

Коленвал (Crankshaft)

Цилиндр & Картер двигателя (Cylinder & Crankcase)

Цилиндр & Картер двигателя (Cylinder & Crankcase)

DriveВал & Вал гребного винта (Driveshaft & Propeller Shaft)

DriveВал & Вал гребного винта (Driveshaft & Propeller Shaft)

Электрика System (Electrical System)

Электрика System (Electrical System)

Крышка двигателя (капот) -- Evinrude (Engine Cover -- Evinrude)

Крышка двигателя (капот) -- Evinrude (Engine Cover -- Evinrude)

Крышка двигателя (капот) -- Johnson (Engine Cover -- Johnson)

Крышка двигателя (капот) -- Johnson (Engine Cover -- Johnson)

Выхлопной патрубок (Exhaust Manifold)

Выхлопной патрубок (Exhaust Manifold)

Маховик (Flywheel)

Маховик (Flywheel)

Топливный насос & Separator (Fuel Pump & Separator)

Топливный насос & Separator (Fuel Pump & Separator)

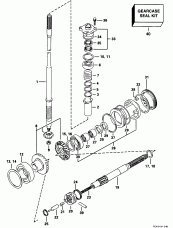
Редуктор (Gearcase)

Редуктор (Gearcase)

инжектор & Дроссель газа (Injector & Throttle Body)

инжектор & Дроссель газа (Injector & Throttle Body)

Впускной коллектор (Intake Manifold)

Впускной коллектор (Intake Manifold)

Литература (Literature)

Литература (Literature)

Нижняя крышка двигателя (Lower Engine Cover)

Нижняя крышка двигателя (Lower Engine Cover)

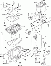
Midsection & Oil System (Midsection & Oil System)

Midsection & Oil System (Midsection & Oil System)

Краска (Paint)

Краска (Paint)

Механизированный дифферент наклона Hydraulic (Power Trim/tilt Hydraulic)

Механизированный дифферент наклона Hydraulic (Power Trim/tilt Hydraulic)

Шкив & Timing (Pulley & Timing)

Шкив & Timing (Pulley & Timing)

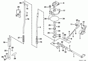
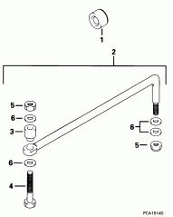
Переключающая тяга & Рычаг (Shift Rod & Lever)

Переключающая тяга & Рычаг (Shift Rod & Lever)

Двигатель стартера (Starter Motor)

Двигатель стартера (Starter Motor)

Рулевая система Коннектор (Steering Connector)

Рулевая система Коннектор (Steering Connector)

Stern & Поворотный кронштейн (Stern & Swivel Bracket)

Stern & Поворотный кронштейн (Stern & Swivel Bracket)

Термостат (Thermostat)

Термостат (Thermostat)

evinrude

Время выполнения запроса 0.33141899108887 сек.


 
 

данный сайт носит информационный характер и не является публичной офертой

склад запчастей для водомоторной техники