вконтакте

Контактный телефон: +7 (981) 121-46-93, +7 (800) 200-90-76 , Email: parts-katalog@yandex.ru, где купить

 
 

  Логин:

Пароль:

Регистрация

www.partskatalog.ru Все каталоги Запчасти Mercury Запчасти Suzuki Запчасти Tohatsu Запчасти Honda Контакты


Вернуться к началу выбора


Мощность Вашего двигателя: 50 л.с.

Год выпуска: 1998 год

Тип двигателя: 1346

Модификация двигателя: Evinrude BE50TLECR 1998

   Выберите раздел

найти расходники на лодочные моторы Evinrude


Выберите раздел

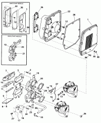
Карбюратор (Carburetor)

Карбюратор (Carburetor)

Коленвал & Поршень (Crankshaft & Piston)

Коленвал & Поршень (Crankshaft & Piston)

Цилиндр & Картер двигателя (Cylinder & Crankcase)

Цилиндр & Картер двигателя (Cylinder & Crankcase)

Электростартер & Solenoid (Electric Starter & Solenoid)

Электростартер & Solenoid (Electric Starter & Solenoid)

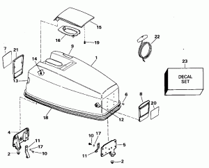
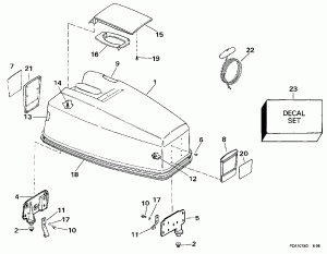
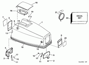
Крышка двигателя (капот) -- Evinrude -- Electric Start Only (Engine Cover -- Evinrude -- Electric Start Only)

Крышка двигателя (капот) -- Evinrude -- Electric Start Only (Engine Cover -- Evinrude -- Electric Start Only)

Крышка двигателя (капот) -- Evinrude -- Шнур Start Only (Engine Cover -- Evinrude -- Rope Start Only)

Крышка двигателя (капот) -- Evinrude -- Шнур Start Only (Engine Cover -- Evinrude -- Rope Start Only)

Крышка двигателя (капот) -- Johnson -- Electric Start Only (Engine Cover -- Johnson -- Electric Start Only)

Крышка двигателя (капот) -- Johnson -- Electric Start Only (Engine Cover -- Johnson -- Electric Start Only)

Крышка двигателя (капот) -- Johnson -- Шнур Start Only (Engine Cover -- Johnson -- Rope Start Only)

Крышка двигателя (капот) -- Johnson -- Шнур Start Only (Engine Cover -- Johnson -- Rope Start Only)

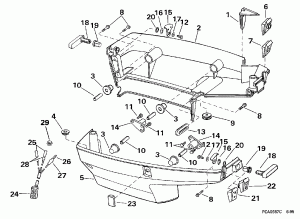
Удлинитель корпуса & Stern & Поворотный кронштейн (Exhaust Housing & Stern & Swivel Bracket)

Удлинитель корпуса & Stern & Поворотный кронштейн (Exhaust Housing & Stern & Swivel Bracket)

Топливный шланг & Топливная груша -- 5 / 16 дюйм I.d. (Fuel Hose & Primer Bulb -- 5/16 In. I.d.)

Топливный шланг & Топливная груша -- 5 / 16 дюйм I.d. (Fuel Hose & Primer Bulb -- 5/16 In. I.d.)

Топливный насос (Fuel Pump)

Топливный насос (Fuel Pump)

Топливный насос & Фильтр (Fuel Pump & Filter)

Топливный насос & Фильтр (Fuel Pump & Filter)

Топливный бак -- 6 галлон (Fuel Tank -- 6 Gallon)

Топливный бак -- 6 галлон (Fuel Tank -- 6 Gallon)

Gauge в сборе. -- 2 Inch (Gauge Assy. -- 2 Inch)

Gauge в сборе. -- 2 Inch (Gauge Assy. -- 2 Inch)

Редуктор (Gearcase)

Редуктор (Gearcase)

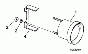
Horn в сборе. (Horn Assy.)

Horn в сборе. (Horn Assy.)

Ignition System -- 40-50 Electric Start (Ignition System -- 40-50 Electric Start)

Ignition System -- 40-50 Electric Start (Ignition System -- 40-50 Electric Start)

Ignition System -- Шнур Start (Ignition System -- Rope Start)

Ignition System -- Шнур Start (Ignition System -- Rope Start)

Ignition Переключатель & Кабели -- 40te, 40ttl (Ignition Switch & Cable -- 40te, 40ttl)

Ignition Переключатель & Кабели -- 40te, 40ttl (Ignition Switch & Cable -- 40te, 40ttl)

Впускной коллектор (Intake Manifold)

Впускной коллектор (Intake Manifold)

Литература (Literature)

Литература (Literature)

Нижняя крышка двигателя (Lower Engine Cover)

Нижняя крышка двигателя (Lower Engine Cover)

Краска (Paint)

Краска (Paint)

Механизированный дифферент наклона (Power Trim/tilt)

Механизированный дифферент наклона (Power Trim/tilt)

Primer System -- ручной Start (Primer System -- Manual Start)

Primer System -- ручной Start (Primer System -- Manual Start)

Primer System -- Electric Start (Primer System -- Electric Start)

Primer System -- Electric Start (Primer System -- Electric Start)

Remote Tilt Переключатель Kit -- 40ttl Only (Remote Tilt Switch Kit -- 40ttl Only)

Remote Tilt Переключатель Kit -- 40ttl Only (Remote Tilt Switch Kit -- 40ttl Only)

Rewind Стартер (Rewind Starter)

Rewind Стартер (Rewind Starter)

Переключатель сцепления (Shift Linkage)

Переключатель сцепления (Shift Linkage)

Рулевая система & Переключатель Handle (Steering & Shift Handle)

Рулевая система & Переключатель Handle (Steering & Shift Handle)

Рулевая система Соединитель Kit (Steering Link Kit)

Рулевая система Соединитель Kit (Steering Link Kit)

Соединитель дросселяage (Throttle Linkage)

Соединитель дросселяage (Throttle Linkage)

Tilt Assist Цилиндр (Tilt Assist Cylinder)

Tilt Assist Цилиндр (Tilt Assist Cylinder)

Transom Крепление Kit -- 40 Шнур (Transom Mount Kit -- 40 Rope)

Transom Крепление Kit -- 40 Шнур (Transom Mount Kit -- 40 Rope)

Transom Крепление Kit -- 50 Шнур (Transom Mount Kit -- 50 Rope)

Transom Крепление Kit -- 50 Шнур (Transom Mount Kit -- 50 Rope)

evinrude

Время выполнения запроса 0.55991291999817 сек.


 
 

данный сайт носит информационный характер и не является публичной офертой

склад запчастей для водомоторной техники