вконтакте

Контактный телефон: +7 (981) 121-46-93, +7 (800) 200-90-76 , Email: parts-katalog@yandex.ru, где купить

 
 

  Логин:

Пароль:

Регистрация

www.partskatalog.ru Все каталоги Запчасти Mercury Запчасти Suzuki Запчасти Tohatsu Запчасти Honda Контакты



УВАЖАЕМЫЕ КЛИЕНТЫ!
C 19 ДЕКАБРЯ 2025 ПО 02 МАРТА 2026 ГОДА ОТДЕЛ ЗАПЧАСТЕЙ И СЕРВИС РАБОТАТЬ НЕ БУДУТ
ПРОДАЖА ЛОДОЧНЫХ МОТОРОВ В ШТАТНОМ РЕЖИМЕ
ОБ ИЗМЕНЕНИЯХ В ГРАФИКЕ РАБОТЫ ЧИТАЙТЕ НА САЙТА




Вернуться к началу выбора


Мощность Вашего двигателя: 9.90 л.с.

Год выпуска: 1997 год

Тип двигателя: 1391

Модификация двигателя: Evinrude E10RLEUS 1997

   Выберите раздел

найти расходники на лодочные моторы Evinrude


Выберите раздел

Карбюратор (Carburetor)

Карбюратор (Carburetor)

Коленвал & Поршень (Crankshaft & Piston)

Коленвал & Поршень (Crankshaft & Piston)

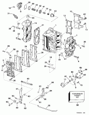
Цилиндр & Картер двигателя (Cylinder & Crankcase)

Цилиндр & Картер двигателя (Cylinder & Crankcase)

Electric Primer System (Electric Primer System)

Electric Primer System (Electric Primer System)

Крышка двигателя (капот) - Evinrude (Engine Cover - Evinrude)

Крышка двигателя (капот) - Evinrude (Engine Cover - Evinrude)

Крышка двигателя (капот) - Johnson (Engine Cover - Johnson)

Крышка двигателя (капот) - Johnson (Engine Cover - Johnson)

Удлинитель корпуса (Exhaust Housing)

Удлинитель корпуса (Exhaust Housing)

Топливный шланг & Топливная груша 5 / 16 дюйм I.d. (Fuel Hose & Primer Bulb 5/16 In. I.d.)

Топливный шланг & Топливная груша 5 / 16 дюйм I.d. (Fuel Hose & Primer Bulb 5/16 In. I.d.)

Топливный насос (Fuel Pump)

Топливный насос (Fuel Pump)

Топливный бак - 6 галлон (Fuel Tank - 6 Gallon)

Топливный бак - 6 галлон (Fuel Tank - 6 Gallon)

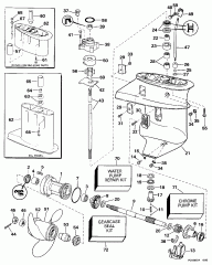
Редуктор (Gearcase)

Редуктор (Gearcase)

Ignition - Electric (Ignition - Electric)

Ignition - Electric (Ignition - Electric)

Ignition - Шнур (Ignition - Rope)

Ignition - Шнур (Ignition - Rope)

Впускной коллектор (Intake Manifold)

Впускной коллектор (Intake Manifold)

Нижняя крышка двигателя (Lower Engine Cover)

Нижняя крышка двигателя (Lower Engine Cover)

Midsection (Midsection)

Midsection (Midsection)

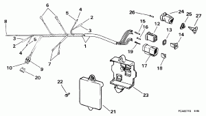
Motor Кабели (Motor Cable)

Motor Кабели (Motor Cable)

Краска (Paint)

Краска (Paint)

Rewind Стартер (Rewind Starter)

Rewind Стартер (Rewind Starter)

Двигатель стартера & Solenoid (Starter Motor & Solenoid)

Двигатель стартера & Solenoid (Starter Motor & Solenoid)

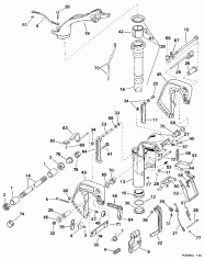
Рулевая система & Переключатель Handle (Steering & Shift Handle)

Рулевая система & Переключатель Handle (Steering & Shift Handle)

Рулевая система Соединитель Kit (Steering Link Kit)

Рулевая система Соединитель Kit (Steering Link Kit)

evinrude

Время выполнения запроса 0.29806184768677 сек.


 
 

данный сайт носит информационный характер и не является публичной офертой

склад запчастей для водомоторной техники