вконтакте

Контактный телефон: +7 (981) 121-46-93, +7 (800) 200-90-76 , Email: parts-katalog@yandex.ru, где купить

 
 

  Логин:

Пароль:

Регистрация

www.partskatalog.ru Все каталоги Запчасти Mercury Запчасти Suzuki Запчасти Tohatsu Запчасти Honda Контакты



УВАЖАЕМЫЕ КЛИЕНТЫ!
C 19 ДЕКАБРЯ 2025 ПО 02 МАРТА 2026 ГОДА ОТДЕЛ ЗАПЧАСТЕЙ И СЕРВИС РАБОТАТЬ НЕ БУДУТ
ПРОДАЖА ЛОДОЧНЫХ МОТОРОВ В ШТАТНОМ РЕЖИМЕ
ОБ ИЗМЕНЕНИЯХ В ГРАФИКЕ РАБОТЫ ЧИТАЙТЕ НА САЙТА




Вернуться к началу выбора


Мощность Вашего двигателя: 3.30 л.с.

Год выпуска: 1997 год

Тип двигателя: 1396

Модификация двигателя: Evinrude HE3ROEUD 1997

   Выберите раздел

найти расходники на лодочные моторы Evinrude


Выберите раздел

Якорь Пластина & Coil Assembly (Armature Plate & Coil Assembly)

Якорь Пластина & Coil Assembly (Armature Plate & Coil Assembly)

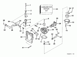
Карбюратор (Carburetor)

Карбюратор (Carburetor)

Цилиндр & Картер двигателя, Язычковый клапан (Cylinder & Crankcase, Reed Valve)

Цилиндр & Картер двигателя, Язычковый клапан (Cylinder & Crankcase, Reed Valve)

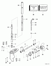
Редуктор (Gearcase)

Редуктор (Gearcase)

Midsection (Midsection)

Midsection (Midsection)

Motor Крышка - Johnson / evinrude & Встроенный топливный бак (Motor Cover - Johnson/evinrude & Integral Fuel Tank)

Motor Крышка - Johnson / evinrude & Встроенный топливный бак (Motor Cover - Johnson/evinrude & Integral Fuel Tank)

Краска (Paint)

Краска (Paint)

Поршень & Коленвал (Piston & Crankshaft)

Поршень & Коленвал (Piston & Crankshaft)

Барабанный стартер в сборе (Recoil Starter Assembly)

Барабанный стартер в сборе (Recoil Starter Assembly)

Кронштейн транца & Поворотный кронштейн (Stern Bracket & Swivel Bracket)

Кронштейн транца & Поворотный кронштейн (Stern Bracket & Swivel Bracket)

evinrude

Время выполнения запроса 0.20579504966736 сек.


 
 

данный сайт носит информационный характер и не является публичной офертой

склад запчастей для водомоторной техники