вконтакте

Контактный телефон: +7 (981) 121-46-93, +7 (800) 200-90-76 , Email: parts-katalog@yandex.ru, где купить

 
 

  Логин:

Пароль:

Регистрация

www.partskatalog.ru Все каталоги Запчасти Mercury Запчасти Suzuki Запчасти Tohatsu Запчасти Honda Контакты


Вернуться к началу выбора


Мощность Вашего двигателя: 90 л.с.

Год выпуска: 1996 год

Тип двигателя: 1411

Модификация двигателя: Evinrude BE90TLEDA 1996

   Выберите раздел

найти расходники на лодочные моторы Evinrude


Выберите раздел

Карбюратор (Carburetor)

Карбюратор (Carburetor)

Коленвал & Поршень (Crankshaft & Piston)

Коленвал & Поршень (Crankshaft & Piston)

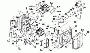
Цилиндр & Картер двигателя (Cylinder & Crankcase)

Цилиндр & Картер двигателя (Cylinder & Crankcase)

Электростартер & Solenoid (Electric Starter & Solenoid)

Электростартер & Solenoid (Electric Starter & Solenoid)

Крышка двигателя (капот) - Evinrude (Engine Cover - Evinrude)

Крышка двигателя (капот) - Evinrude (Engine Cover - Evinrude)

Крышка двигателя (капот) - Johnson (Engine Cover - Johnson)

Крышка двигателя (капот) - Johnson (Engine Cover - Johnson)

Удлинитель корпуса (Exhaust Housing)

Удлинитель корпуса (Exhaust Housing)

Топливный насос - 88 Models (Fuel Pump - 88 Models)

Топливный насос - 88 Models (Fuel Pump - 88 Models)

Топливный насос - 90 / 115 Models (Fuel Pump - 90/115 Models)

Редуктор (Gearcase)

Редуктор (Gearcase)

Ignition System (Ignition System)

Ignition System (Ignition System)

Впускной коллектор (Intake Manifold)

Впускной коллектор (Intake Manifold)

Jet Drive Unit (Jet Drive Unit)

Jet Drive Unit (Jet Drive Unit)

Нижняя крышка двигателя (Lower Engine Cover)

Нижняя крышка двигателя (Lower Engine Cover)

Краска (Paint)

Краска (Paint)

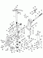
Механизированный дифферент наклона Электрика (Power Trim/tilt Electrical)

Механизированный дифферент наклона Электрика (Power Trim/tilt Electrical)

Механизированный дифферент наклона Hydraulic Assembly (Power Trim/tilt Hydraulic Assembly)

Механизированный дифферент наклона Hydraulic Assembly (Power Trim/tilt Hydraulic Assembly)

Рулевая система Соединитель Kit (with Механизированный дифферент наклона) (Steering Link Kit (with Power Trim & Tilt))

Рулевая система Соединитель Kit (with Механизированный дифферент наклона) (Steering Link Kit (with Power Trim & Tilt))

Рулевая система Соединитель Kit (without Механизированный дифферент наклона) (Steering Link Kit (without Power Trim & Tilt))

Рулевая система Соединитель Kit (without Механизированный дифферент наклона) (Steering Link Kit (without Power Trim & Tilt))

Кронштейн транца - ручной Tilt Models (Stern Bracket - Manual Tilt Models)

Кронштейн транца - ручной Tilt Models (Stern Bracket - Manual Tilt Models)

Кронштейн транца - Механизированный дифферент наклона (Stern Bracket - Power Trim & Tilt)

Кронштейн транца - Механизированный дифферент наклона (Stern Bracket - Power Trim & Tilt)

evinrude

Время выполнения запроса 0.49060106277466 сек.


 
 

данный сайт носит информационный характер и не является публичной офертой

склад запчастей для водомоторной техники