вконтакте

Контактный телефон: +7 (981) 121-46-93, +7 (800) 200-90-76 , Email: parts-katalog@yandex.ru, где купить

 
 

  Логин:

Пароль:

Регистрация

www.partskatalog.ru Все каталоги Запчасти Mercury Запчасти Suzuki Запчасти Tohatsu Запчасти Honda Контакты



УВАЖАЕМЫЕ КЛИЕНТЫ!
C 19 ДЕКАБРЯ 2025 ПО 02 МАРТА 2026 ГОДА ОТДЕЛ ЗАПЧАСТЕЙ И СЕРВИС РАБОТАТЬ НЕ БУДУТ
ПРОДАЖА ЛОДОЧНЫХ МОТОРОВ В ШТАТНОМ РЕЖИМЕ
ОБ ИЗМЕНЕНИЯХ В ГРАФИКЕ РАБОТЫ ЧИТАЙТЕ НА САЙТА




Вернуться к началу выбора


Мощность Вашего двигателя: 15 л.с.

Год выпуска: 1996 год

Тип двигателя: 1428

Модификация двигателя: Evinrude SE15RPG 1996

   Выберите раздел

найти расходники на лодочные моторы Evinrude


Выберите раздел

Карбюратор (Carburetor)

Карбюратор (Carburetor)

Коленвал & Поршень (Crankshaft & Piston)

Коленвал & Поршень (Crankshaft & Piston)

Цилиндр & Картер двигателя (Cylinder & Crankcase)

Цилиндр & Картер двигателя (Cylinder & Crankcase)

Крышка двигателя (капот) - Evinrude (Engine Cover - Evinrude)

Крышка двигателя (капот) - Evinrude (Engine Cover - Evinrude)

Крышка двигателя (капот) - Johnson (Engine Cover - Johnson)

Крышка двигателя (капот) - Johnson (Engine Cover - Johnson)

Удлинитель корпуса (Exhaust Housing)

Удлинитель корпуса (Exhaust Housing)

Топливный шланг Топливная груша 5 / 16 дюйм I.d. (Fuel Hose Primer Bulb 5/16 In. I.d.)

Топливный шланг Топливная груша 5 / 16 дюйм I.d. (Fuel Hose Primer Bulb 5/16 In. I.d.)

Топливный насос - 10-15rp Models Only (Fuel Pump - 10-15rp Models Only)

Топливный насос - 10-15rp Models Only (Fuel Pump - 10-15rp Models Only)

Топливный насос - 15kc Models Only (Fuel Pump - 15kc Models Only)

Топливный насос - 15kc Models Only (Fuel Pump - 15kc Models Only)

Топливный бак - 3 галлон - 15kc Models Only (Fuel Tank - 3 Gallon - 15kc Models Only)

Топливный бак - 3 галлон - 15kc Models Only (Fuel Tank - 3 Gallon - 15kc Models Only)

Топливный бак - 6 галлон - 10-15rp Models Only (Fuel Tank - 6 Gallon - 10-15rp Models Only)

Топливный бак - 6 галлон - 10-15rp Models Only (Fuel Tank - 6 Gallon - 10-15rp Models Only)

Топливный бак - 6 галлон - 10rp Models Only (Fuel Tank - 6 Gallon - 10rp Models Only)

Топливный бак - 6 галлон - 10rp Models Only (Fuel Tank - 6 Gallon - 10rp Models Only)

Топливный бак - 6 галлон - 15kc Models Only (Fuel Tank - 6 Gallon - 15kc Models Only)

Топливный бак - 6 галлон - 15kc Models Only (Fuel Tank - 6 Gallon - 15kc Models Only)

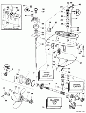
Редуктор (Gearcase)

Редуктор (Gearcase)

Ignition (Ignition)

Ignition (Ignition)

Впускной коллектор (Intake Manifold)

Впускной коллектор (Intake Manifold)

Нижняя крышка двигателя (Lower Engine Cover)

Нижняя крышка двигателя (Lower Engine Cover)

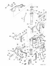
Midsection (Midsection)

Midsection (Midsection)

Краска (Paint)

Краска (Paint)

Primer Помпа - 15kc Models Only (Primer Pump - 15kc Models Only)

Primer Помпа - 15kc Models Only (Primer Pump - 15kc Models Only)

Rewind Стартер (Rewind Starter)

Rewind Стартер (Rewind Starter)

Рулевая система & Переключатель Handle (Steering & Shift Handle)

Рулевая система & Переключатель Handle (Steering & Shift Handle)

evinrude

Время выполнения запроса 0.37629580497742 сек.


 
 

данный сайт носит информационный характер и не является публичной офертой

склад запчастей для водомоторной техники