вконтакте

Контактный телефон: +7 (981) 121-46-93, +7 (800) 200-90-76 , Email: parts-katalog@yandex.ru, где купить

 
 

  Логин:

Пароль:

Регистрация

www.partskatalog.ru Все каталоги Запчасти Mercury Запчасти Suzuki Запчасти Tohatsu Запчасти Honda Контакты



УВАЖАЕМЫЕ КЛИЕНТЫ!
C 19 ДЕКАБРЯ 2025 ПО 02 МАРТА 2026 ГОДА ОТДЕЛ ЗАПЧАСТЕЙ И СЕРВИС РАБОТАТЬ НЕ БУДУТ
ПРОДАЖА ЛОДОЧНЫХ МОТОРОВ В ШТАТНОМ РЕЖИМЕ
ОБ ИЗМЕНЕНИЯХ В ГРАФИКЕ РАБОТЫ ЧИТАЙТЕ НА САЙТА




Вернуться к началу выбора


Мощность Вашего двигателя: 60 л.с.

Год выпуска: 1995 год

Тип двигателя: 1457

Модификация двигателя: Evinrude E60ELEOC 1995

   Выберите раздел

найти расходники на лодочные моторы Evinrude


Выберите раздел

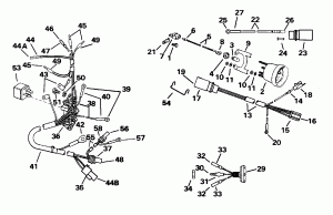
Кабель аккумулятора (Battery Cable)

Кабель аккумулятора (Battery Cable)

Карбюратор - 25si (Carburetor - 25si)

Карбюратор - 25si (Carburetor - 25si)

Карбюратор - 50, 60, 70 (Carburetor - 50, 60, 70)

Карбюратор - 50, 60, 70 (Carburetor - 50, 60, 70)

Коленвал & Поршень (Crankshaft & Piston)

Коленвал & Поршень (Crankshaft & Piston)

Цилиндр & Картер двигателя (Cylinder & Crankcase)

Цилиндр & Картер двигателя (Cylinder & Crankcase)

Electric Primer System (Electric Primer System)

Electric Primer System (Electric Primer System)

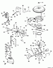
Электростартер (Electric Starter)

Электростартер (Electric Starter)

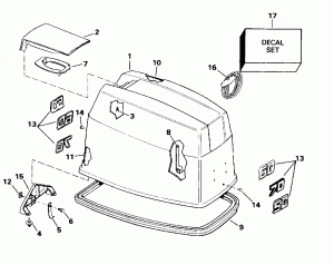
Крышка двигателя (капот) - Evinrude (Engine Cover - Evinrude)

Крышка двигателя (капот) - Evinrude (Engine Cover - Evinrude)

Крышка двигателя (капот) - Johnson (Engine Cover - Johnson)

Крышка двигателя (капот) - Johnson (Engine Cover - Johnson)

Удлинитель корпуса (Exhaust Housing)

Удлинитель корпуса (Exhaust Housing)

Топливный насос (Fuel Pump)

Топливный насос (Fuel Pump)

Топливный бак (Fuel Tank)

Топливный бак (Fuel Tank)

Редуктор (Gearcase)

Редуктор (Gearcase)

Ignition System (Ignition System)

Ignition System (Ignition System)

Впускной коллектор (Intake Manifold)

Впускной коллектор (Intake Manifold)

Jet Drive Unit - J70jl Only (Jet Drive Unit - J70jl Only)

Jet Drive Unit - J70jl Only (Jet Drive Unit - J70jl Only)

Нижняя крышка двигателя (Lower Engine Cover)

Нижняя крышка двигателя (Lower Engine Cover)

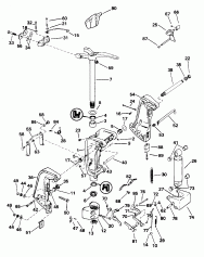
Midsection - ручной Tilt (Midsection - Manual Tilt)

Midsection - ручной Tilt (Midsection - Manual Tilt)

Midsection - Механизированный дифферент наклона (Midsection - Power Trim & Tilt)

Midsection - Механизированный дифферент наклона (Midsection - Power Trim & Tilt)

Краска (Paint)

Краска (Paint)

Механизированный дифферент наклона Электрика (Power Trim/tilt Electrical)

Механизированный дифферент наклона Электрика (Power Trim/tilt Electrical)

Механизированный дифферент наклона Hydraulic Assembly (Power Trim/tilt Hydraulic Assembly)

Механизированный дифферент наклона Hydraulic Assembly (Power Trim/tilt Hydraulic Assembly)

Рулевая система Соединитель Kit (w / o Механизированный дифферент наклона) (Steering Link Kit (w/o Power Trim & Tilt))

Рулевая система Соединитель Kit (with Механизированный дифферент наклона) (Steering Link Kit (with Power Trim & Tilt))

Рулевая система Соединитель Kit (with Механизированный дифферент наклона) (Steering Link Kit (with Power Trim & Tilt))

evinrude

Время выполнения запроса 0.28869605064392 сек.


 
 

данный сайт носит информационный характер и не является публичной офертой

склад запчастей для водомоторной техники