вконтакте

Контактный телефон: +7 (981) 121-46-93, +7 (800) 200-90-76 , Email: parts-katalog@yandex.ru, где купить

 
 

  Логин:

Пароль:

Регистрация

www.partskatalog.ru Все каталоги Запчасти Mercury Запчасти Suzuki Запчасти Tohatsu Запчасти Honda Контакты


Вернуться к началу выбора


Мощность Вашего двигателя: 200 л.с.

Год выпуска: 1993 год

Тип двигателя: 1519

Модификация двигателя: Evinrude E200TZATS 1993

   Выберите раздел

найти расходники на лодочные моторы Evinrude


Выберите раздел

Accessory Transom Пластина (Accessory Transom Plate)

Accessory Transom Пластина (Accessory Transom Plate)

Карбюратор & Подъемный механизм - 185, 200 Suffix

Карбюратор & Подъемный механизм - 185, 200 Suffix "f" Models (Carburetor & Linkage - 185, 200 Suffix "f" Models)

Карбюратор & Подъемный механизм - 225 Suffix

Карбюратор & Подъемный механизм - 225 Suffix "a, C, D, S" Models (Carburetor & Linkage - 225 Suffix "a, C, D, S" Models)

Карбюратор & Подъемный механизм - 185, 200 Suffix

Карбюратор & Подъемный механизм - 185, 200 Suffix "a, C, D, S" Models (Carburetor & Linkage - 185, 200 Suffix "a, C, D, S" Models)

Карбюратор и Подъемный механизм - 225 Suffix

Карбюратор и Подъемный механизм - 225 Suffix "f" Models (Carburetor And Linkage - 225 Suffix "f" Models)

Коленвал & Поршень (Crankshaft & Piston)

Коленвал & Поршень (Crankshaft & Piston)

Цилиндр Клапан Assembly (Cylinder Valve Assembly)

Цилиндр Клапан Assembly (Cylinder Valve Assembly)

Цилиндр & Картер двигателя (Cylinder & Crankcase)

Цилиндр & Картер двигателя (Cylinder & Crankcase)

Dual Рулевая система Коннектор Kit - 200stl, 225stl Only (Dual Steering Connector Kit - 200stl, 225stl Only)

Dual Рулевая система Коннектор Kit - 200stl, 225stl Only (Dual Steering Connector Kit - 200stl, 225stl Only)

Крышка двигателя (капот) - Evinrude - 200 Stl, Ve200sl, 225stl (Engine Cover - Evinrude - 200 Stl, Ve200sl, 225stl)

Крышка двигателя (капот) - Evinrude - 200 Stl, Ve200sl, 225stl (Engine Cover - Evinrude - 200 Stl, Ve200sl, 225stl)

Крышка двигателя (капот) - Johnson - 200 Stl, Vj200sl, 225stll (Engine Cover - Johnson - 200 Stl, Vj200sl, 225stll)

Крышка двигателя (капот) - Johnson - 200 Stl, Vj200sl, 225stll (Engine Cover - Johnson - 200 Stl, Vj200sl, 225stll)

Крышка двигателя (капот) - Evinrude - 200tx, 200cx, 225 (Engine Cover - Evinrude - 200tx, 200cx, 225)

Крышка двигателя (капот) - Evinrude - 200tx, 200cx, 225 (Engine Cover - Evinrude - 200tx, 200cx, 225)

Крышка двигателя (капот) - 185 (Engine Cover - 185)

Крышка двигателя (капот) - 185 (Engine Cover - 185)

Крышка двигателя (капот) - Johnson - 200tx, 200cx, 225 (Engine Cover - Johnson - 200tx, 200cx, 225)

Крышка двигателя (капот) - Johnson - 200tx, 200cx, 225 (Engine Cover - Johnson - 200tx, 200cx, 225)

Удлинитель корпуса (Exhaust Housing)

Удлинитель корпуса (Exhaust Housing)

Топливный насос (Fuel Pump)

Топливный насос (Fuel Pump)

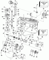
Редуктор - обратное вращение (Gearcase - Counter Rotation)

Редуктор - обратное вращение (Gearcase - Counter Rotation)

Редуктор - стандарт Rotation - 20 дюйм Models (Gearcase - Standard Rotation - 20 In. Models)

Редуктор - стандарт Rotation - 20 дюйм Models (Gearcase - Standard Rotation - 20 In. Models)

Редуктор - стандарт Rotation - 25 дюйм & 30 дюйм Models (Gearcase - Standard Rotation - 25 In. & 30 In. Models)

Редуктор - стандарт Rotation - 25 дюйм & 30 дюйм Models (Gearcase - Standard Rotation - 25 In. & 30 In. Models)

Ignition System & Двигатель стартера (Ignition System & Starter Motor)

Ignition System & Двигатель стартера (Ignition System & Starter Motor)

Впускной коллектор -

Впускной коллектор - "f" Suffix Models (Intake Manifold - "f" Suffix Models)

Впускной коллектор - Suffix

Впускной коллектор - Suffix "a, C, D, S" Models (Intake Manifold - Suffix "a, C, D, S" Models)

Литература (Literature)

Литература (Literature)

Нижняя крышка двигателя (Lower Engine Cover)

Нижняя крышка двигателя (Lower Engine Cover)

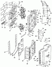
Midsection (Midsection)

Midsection (Midsection)

Масляный бак Kit - 1.8 галлон (Oil Tank Kit - 1.8 Gallon)

Масляный бак Kit - 1.8 галлон (Oil Tank Kit - 1.8 Gallon)

Масляный бак Kit - 3.0 галлон (Oil Tank Kit - 3.0 Gallon)

Масляный бак Kit - 3.0 галлон (Oil Tank Kit - 3.0 Gallon)

Краска (Paint)

Краска (Paint)

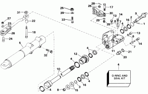
Power Рулевая система Groвыше (Power Steering Group)

Power Рулевая система Groвыше (Power Steering Group)

Power Рулевая система Помпа (Power Steering Pump)

Power Рулевая система Помпа (Power Steering Pump)

Механизированный дифферент наклона Электрика (Power Trim/tilt Electrical)

Механизированный дифферент наклона Электрика (Power Trim/tilt Electrical)

Механизированный дифферент наклона Hydraulic Assembly (Power Trim/tilt Hydraulic Assembly)

Механизированный дифферент наклона Hydraulic Assembly (Power Trim/tilt Hydraulic Assembly)

Рулевая система Соединитель Kit - 185esx, 200 / 225stl, 200tx, tz, 225tl, tx, tz (Steering Link Kit - 185esx,200/225stl,200tx,tz,225tl,tx,tz)

Рулевая система Соединитель Kit - 185esx, 200 / 225stl, 200tx, tz, 225tl, tx, tz (Steering Link Kit - 185esx,200/225stl,200tx,tz,225tl,tx,tz)

evinrude

Время выполнения запроса 0.35319781303406 сек.


 
 

данный сайт носит информационный характер и не является публичной офертой

склад запчастей для водомоторной техники