вконтакте

Контактный телефон: +7 (981) 121-46-93, +7 (800) 200-90-76 , Email: parts-katalog@yandex.ru, где купить

 
 

  Логин:

Пароль:

Регистрация

www.partskatalog.ru Все каталоги Запчасти Mercury Запчасти Suzuki Запчасти Tohatsu Запчасти Honda Контакты



УВАЖАЕМЫЕ КЛИЕНТЫ!
C 19 ДЕКАБРЯ 2025 ПО 02 МАРТА 2026 ГОДА ОТДЕЛ ЗАПЧАСТЕЙ И СЕРВИС РАБОТАТЬ НЕ БУДУТ
ПРОДАЖА ЛОДОЧНЫХ МОТОРОВ В ШТАТНОМ РЕЖИМЕ
ОБ ИЗМЕНЕНИЯХ В ГРАФИКЕ РАБОТЫ ЧИТАЙТЕ НА САЙТА




Вернуться к началу выбора


Мощность Вашего двигателя: 225 л.с.

Год выпуска: 1992 год

Тип двигателя: 1556

Модификация двигателя: Evinrude E225PLENR 1992

   Выберите раздел

найти расходники на лодочные моторы Evinrude


Выберите раздел

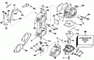
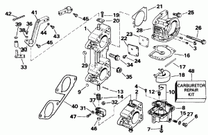
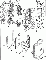
Карбюратор и Подъемный механизм - 200stl, 225 20

Карбюратор и Подъемный механизм - 200stl, 225 20" Transom Only (Carburetor And Linkage - 200stl, 225 20" Transom Only)

Карбюратор и Подъемный механизм - 185, 225 25

Карбюратор и Подъемный механизм - 185, 225 25" Transom Only (Carburetor And Linkage - 185, 225 25" Transom Only)

Карбюратор и Подъемный механизм - 200tx - Cx Only (Carburetor And Linkage - 200tx - Cx Only)

Карбюратор и Подъемный механизм - 200tx - Cx Only (Carburetor And Linkage - 200tx - Cx Only)

Коленвал & Поршень (Crankshaft & Piston)

Коленвал & Поршень (Crankshaft & Piston)

Цилиндр Клапан Assembly (Cylinder Valve Assembly)

Цилиндр Клапан Assembly (Cylinder Valve Assembly)

Цилиндр & Картер двигателя (Cylinder & Crankcase)

Цилиндр & Картер двигателя (Cylinder & Crankcase)

Dual Рулевая система Коннектор Kit - 200stl Only (Dual Steering Connector Kit - 200stl Only)

Dual Рулевая система Коннектор Kit - 200stl Only (Dual Steering Connector Kit - 200stl Only)

Крышка двигателя (капот) - Evinrude - 185 (Engine Cover - Evinrude - 185)

Крышка двигателя (капот) - Evinrude - 185 (Engine Cover - Evinrude - 185)

Крышка двигателя (капот) - Evinrude - 200 Stl Ve200sl Models (Engine Cover - Evinrude - 200 Stl Ve200sl Models)

Крышка двигателя (капот) - Evinrude - 200 Stl Ve200sl Models (Engine Cover - Evinrude - 200 Stl Ve200sl Models)

Крышка двигателя (капот) - Evinrude - 200tx, 200cx, 225t, 225p, 225c (Engine Cover - Evinrude - 200tx, 200cx, 225t, 225p, 225c)

Крышка двигателя (капот) - Evinrude - 200tx, 200cx, 225t, 225p, 225c (Engine Cover - Evinrude - 200tx, 200cx, 225t, 225p, 225c)

Крышка двигателя (капот) - Johnson - 185 (Engine Cover - Johnson - 185)

Крышка двигателя (капот) - Johnson - 185 (Engine Cover - Johnson - 185)

Крышка двигателя (капот) - Johnson - 200 Stl, Ve200sl (Engine Cover - Johnson - 200 Stl, Ve200sl)

Крышка двигателя (капот) - Johnson - 200 Stl, Ve200sl (Engine Cover - Johnson - 200 Stl, Ve200sl)

Крышка двигателя (капот) - Johnson - 200tx, 200cx, 225t, 225p, 225c (Engine Cover - Johnson - 200tx, 200cx, 225t, 225p, 225c)

Крышка двигателя (капот) - Johnson - 200tx, 200cx, 225t, 225p, 225c (Engine Cover - Johnson - 200tx, 200cx, 225t, 225p, 225c)

Удлинитель корпуса (Exhaust Housing)

Удлинитель корпуса (Exhaust Housing)

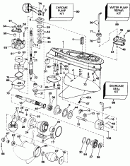
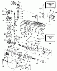
Редуктор - обратное вращение (Gearcase - Counter Rotation)

Редуктор - обратное вращение (Gearcase - Counter Rotation)

Редуктор - стандарт Rotation (Gearcase - Standard Rotation)

Редуктор - стандарт Rotation (Gearcase - Standard Rotation)

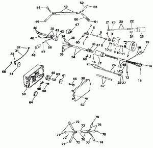
Ignition System & Двигатель стартера (Ignition System & Starter Motor)

Ignition System & Двигатель стартера (Ignition System & Starter Motor)

Впускной коллектор (Intake Manifold)

Впускной коллектор (Intake Manifold)

Литература Chart (Literature Chart)

Литература Chart (Literature Chart)

Нижняя крышка двигателя (Lower Engine Cover)

Нижняя крышка двигателя (Lower Engine Cover)

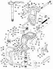
Midsection (Midsection)

Midsection (Midsection)

Краска Chart (Paint Chart)

Краска Chart (Paint Chart)

Power Рулевая система Groвыше (Power Steering Group)

Power Рулевая система Groвыше (Power Steering Group)

Power Рулевая система Помпа (Power Steering Pump)

Power Рулевая система Помпа (Power Steering Pump)

Механизированный дифферент наклона Электрика (Power Trim/tilt Electrical)

Механизированный дифферент наклона Электрика (Power Trim/tilt Electrical)

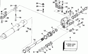
Механизированный дифферент наклона Hydraulic Assembly (Power Trim/tilt Hydraulic Assembly)

Механизированный дифферент наклона Hydraulic Assembly (Power Trim/tilt Hydraulic Assembly)

Рулевая система Соединитель Kit - 185esx, 200tx, 225tl, Tx (Steering Link Kit - 185esx, 200tx, 225tl, Tx)

Рулевая система Соединитель Kit - 185esx, 200tx, 225tl, Tx (Steering Link Kit - 185esx, 200tx, 225tl, Tx)

Vro2 Масляный бак Kit - 1.8 галлон (Vro2 Oil Tank Kit - 1.8 Gallon)

Vro2 Масляный бак Kit - 1.8 галлон (Vro2 Oil Tank Kit - 1.8 Gallon)

Vro2 Помпа (Vro2 Pump)

Vro2 Помпа (Vro2 Pump)

evinrude

Время выполнения запроса 0.31767988204956 сек.


 
 

данный сайт носит информационный характер и не является публичной офертой

склад запчастей для водомоторной техники