вконтакте

Контактный телефон: +7 (981) 121-46-93, +7 (800) 200-90-76 , Email: parts-katalog@yandex.ru, где купить

 
 

  Логин:

Пароль:

Регистрация

www.partskatalog.ru Все каталоги Запчасти Mercury Запчасти Suzuki Запчасти Tohatsu Запчасти Honda Контакты



УВАЖАЕМЫЕ КЛИЕНТЫ!
C 19 ДЕКАБРЯ 2025 ПО 02 МАРТА 2026 ГОДА ОТДЕЛ ЗАПЧАСТЕЙ И СЕРВИС РАБОТАТЬ НЕ БУДУТ
ПРОДАЖА ЛОДОЧНЫХ МОТОРОВ В ШТАТНОМ РЕЖИМЕ
ОБ ИЗМЕНЕНИЯХ В ГРАФИКЕ РАБОТЫ ЧИТАЙТЕ НА САЙТА




Вернуться к началу выбора


Мощность Вашего двигателя: 140 л.с.

Год выпуска: 1992 год

Тип двигателя: 1562

Модификация двигателя: Evinrude E140TXENS 1992

   Выберите раздел

найти расходники на лодочные моторы Evinrude


Выберите раздел

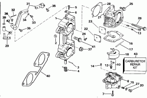
Карбюратор и Подъемный механизм (Carburetor And Linkage)

Карбюратор и Подъемный механизм (Carburetor And Linkage)

Коленвал & Поршень (Crankshaft & Piston)

Коленвал & Поршень (Crankshaft & Piston)

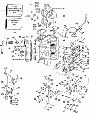
Цилиндр & Картер двигателя (Cylinder & Crankcase)

Цилиндр & Картер двигателя (Cylinder & Crankcase)

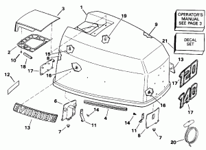
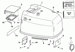
Крышка двигателя (капот) - 125 Esx (Engine Cover - 125 Esx)

Крышка двигателя (капот) - 125 Esx (Engine Cover - 125 Esx)

Крышка двигателя (капот) - Evinrude 120-140 Models (Engine Cover - Evinrude 120-140 Models)

Крышка двигателя (капот) - Evinrude 120-140 Models (Engine Cover - Evinrude 120-140 Models)

Крышка двигателя (капот) - Johnson 120-140 Models (Engine Cover - Johnson 120-140 Models)

Крышка двигателя (капот) - Johnson 120-140 Models (Engine Cover - Johnson 120-140 Models)

Удлинитель корпуса (Exhaust Housing)

Удлинитель корпуса (Exhaust Housing)

Топливный бак (Fuel Tank)

Топливный бак (Fuel Tank)

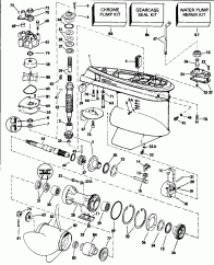
Редуктор - 120tl & Tx / 125esx / 140 Tl (Gearcase - 120tl & Tx/125esx/140 Tl)

Редуктор - 120tl & Tx / 125esx / 140 Tl (Gearcase - 120tl & Tx/125esx/140 Tl)

Редуктор - 140tx стандарт Rotation (Gearcase - 140tx Standard Rotation)

Редуктор - 140tx стандарт Rotation (Gearcase - 140tx Standard Rotation)

Редуктор - 140cx обратное вращение (Gearcase - 140cx Counter Rotation)

Редуктор - 140cx обратное вращение (Gearcase - 140cx Counter Rotation)

Ignition System & Двигатель стартера (Ignition System & Starter Motor)

Ignition System & Двигатель стартера (Ignition System & Starter Motor)

Впускной коллектор (Intake Manifold)

Впускной коллектор (Intake Manifold)

Литература Chart (Literature Chart)

Литература Chart (Literature Chart)

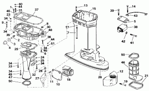
Нижняя крышка двигателя (Lower Engine Cover)

Нижняя крышка двигателя (Lower Engine Cover)

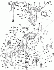
Midsection (Midsection)

Midsection (Midsection)

Краска Chart (Paint Chart)

Краска Chart (Paint Chart)

Механизированный дифферент наклона Электрика (Power Trim/tilt Electrical)

Механизированный дифферент наклона Электрика (Power Trim/tilt Electrical)

Механизированный дифферент наклона Hydraulic Assembly (Power Trim/tilt Hydraulic Assembly)

Механизированный дифферент наклона Hydraulic Assembly (Power Trim/tilt Hydraulic Assembly)

Рулевая система Соединитель Kit (Steering Link Kit)

Рулевая система Соединитель Kit (Steering Link Kit)

Vro2 Масляный бак Kit - 1.8 галлон (Vro2 Oil Tank Kit - 1.8 Gallon)

Vro2 Помпа (Vro2 Pump)

Vro2 Помпа (Vro2 Pump)

evinrude

Время выполнения запроса 3.4482779502869 сек.


 
 

данный сайт носит информационный характер и не является публичной офертой

склад запчастей для водомоторной техники