вконтакте

Контактный телефон: +7 (981) 121-46-93, +7 (800) 200-90-76 , Email: parts-katalog@yandex.ru, где купить

 
 

  Логин:

Пароль:

Регистрация

www.partskatalog.ru Все каталоги Запчасти Mercury Запчасти Suzuki Запчасти Tohatsu Запчасти Honda Контакты



УВАЖАЕМЫЕ КЛИЕНТЫ!
C 19 ДЕКАБРЯ 2025 ПО 02 МАРТА 2026 ГОДА ОТДЕЛ ЗАПЧАСТЕЙ И СЕРВИС РАБОТАТЬ НЕ БУДУТ
ПРОДАЖА ЛОДОЧНЫХ МОТОРОВ В ШТАТНОМ РЕЖИМЕ
ОБ ИЗМЕНЕНИЯХ В ГРАФИКЕ РАБОТЫ ЧИТАЙТЕ НА САЙТА




Вернуться к началу выбора


Мощность Вашего двигателя: 60 л.с.

Год выпуска: 1992 год

Тип двигателя: 1574

Модификация двигателя: Evinrude E60TLENE 1992

   Выберите раздел

найти расходники на лодочные моторы Evinrude


Выберите раздел

Карбюратор Early PТягаuction (Carburetor Early Production)

Карбюратор Early PТягаuction (Carburetor Early Production)

Карбюратор Late PТягаuction-70 Models Only (Carburetor Late Production-70 Models Only)

Карбюратор Late PТягаuction-70 Models Only (Carburetor Late Production-70 Models Only)

Коленвал & Поршень (Crankshaft & Piston)

Коленвал & Поршень (Crankshaft & Piston)

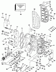
Цилиндр & Картер двигателя (Cylinder & Crankcase)

Цилиндр & Картер двигателя (Cylinder & Crankcase)

Электростартер (Electric Starter)

Электростартер (Electric Starter)

Electric Primer System Early PТягаuction (Electric Primer System Early Production)

Electric Primer System Early PТягаuction (Electric Primer System Early Production)

Electric Primer System Late PТягаuction - 70 Models Only (Electric Primer System Late Production - 70 Models Only)

Electric Primer System Late PТягаuction - 70 Models Only (Electric Primer System Late Production - 70 Models Only)

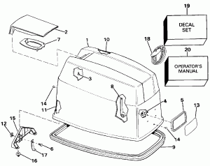
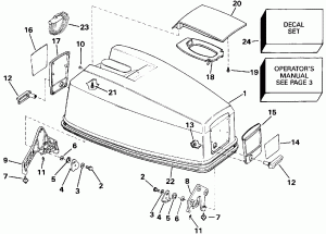
Крышка двигателя (капот) -evinrude (Engine Cover -evinrude)

Крышка двигателя (капот) -evinrude (Engine Cover -evinrude)

Крышка двигателя (капот) - Johnson (Engine Cover - Johnson)

Крышка двигателя (капот) - Johnson (Engine Cover - Johnson)

Удлинитель корпуса (Exhaust Housing)

Удлинитель корпуса (Exhaust Housing)

Топливный бак (Fuel Tank)

Топливный бак (Fuel Tank)

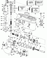
Редуктор (Gearcase)

Редуктор (Gearcase)

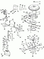
Ignition System (Ignition System)

Ignition System (Ignition System)

Впускной коллектор (Intake Manifold)

Впускной коллектор (Intake Manifold)

Нижняя крышка двигателя (Lower Engine Cover)

Нижняя крышка двигателя (Lower Engine Cover)

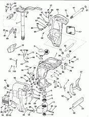
Midsection - ручной Tilt (Midsection - Manual Tilt)

Midsection - ручной Tilt (Midsection - Manual Tilt)

Midsection - Механизированный дифферент наклона (Midsection - Power Trim/tilt)

Midsection - Механизированный дифферент наклона (Midsection - Power Trim/tilt)

Краска Chart (Paint Chart)

Краска Chart (Paint Chart)

Механизированный дифферент наклона Электрика (Power Trim/tilt Electrical)

Механизированный дифферент наклона Электрика (Power Trim/tilt Electrical)

Механизированный дифферент наклона Hydraulic Assembly (Power Trim/tilt Hydraulic Assembly)

Механизированный дифферент наклона Hydraulic Assembly (Power Trim/tilt Hydraulic Assembly)

Рулевая система Соединитель Kit (w / Механизированный дифферент наклона) (Steering Link Kit (w/power Trim & Tilt))

Рулевая система Соединитель Kit (w / Механизированный дифферент наклона) (Steering Link Kit (w/power Trim & Tilt))

Рулевая система Соединитель Kit (w / o Механизированный дифферент наклона) (Steering Link Kit (w/o Power Trim & Tilt))

Рулевая система Соединитель Kit (w / o Механизированный дифферент наклона) (Steering Link Kit (w/o Power Trim & Tilt))

Vro2 Масляный бак Kit - 1.8 галлон (Vro2 Oil Tank Kit - 1.8 Gallon)

Vro2 Масляный бак Kit - 1.8 галлон (Vro2 Oil Tank Kit - 1.8 Gallon)

Vro2 Помпа (Vro2 Pump)

Vro2 Помпа (Vro2 Pump)

evinrude

Время выполнения запроса 0.29655599594116 сек.


 
 

данный сайт носит информационный характер и не является публичной офертой

склад запчастей для водомоторной техники