вконтакте

Контактный телефон: +7 (981) 121-46-93, +7 (800) 200-90-76 , Email: parts-katalog@yandex.ru, где купить

 
 

  Логин:

Пароль:

Регистрация

www.partskatalog.ru Все каталоги Запчасти Mercury Запчасти Suzuki Запчасти Tohatsu Запчасти Honda Контакты


Вернуться к началу выбора


Мощность Вашего двигателя: 40 л.с.

Год выпуска: 1992 год

Тип двигателя: 1579

Модификация двигателя: Evinrude E40RENM 1992

   Выберите раздел

найти расходники на лодочные моторы Evinrude


Выберите раздел

Карбюратор - All 40 Models (Carburetor - All 40 Models)

Карбюратор - All 40 Models (Carburetor - All 40 Models)

Карбюратор - All 50 Models Early PТягаuction (Carburetor - All 50 Models Early Production)

Карбюратор - All 50 Models Early PТягаuction (Carburetor - All 50 Models Early Production)

Карбюратор - All 50 Models Late PТягаuction (Carburetor - All 50 Models Late Production)

Карбюратор - All 50 Models Late PТягаuction (Carburetor - All 50 Models Late Production)

Коленвал & Поршень (Crankshaft & Piston)

Коленвал & Поршень (Crankshaft & Piston)

Цилиндр & Картер двигателя (Cylinder & Crankcase)

Цилиндр & Картер двигателя (Cylinder & Crankcase)

Электростартер & Solenoid (Electric Starter & Solenoid)

Электростартер & Solenoid (Electric Starter & Solenoid)

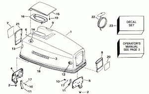
Крышка двигателя (капот) - Evinrude 25-40 (Engine Cover - Evinrude 25-40)

Крышка двигателя (капот) - Evinrude 25-40 (Engine Cover - Evinrude 25-40)

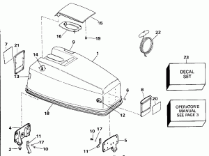
Крышка двигателя (капот) - Evinrude 50 (Engine Cover - Evinrude 50)

Крышка двигателя (капот) - Evinrude 50 (Engine Cover - Evinrude 50)

Крышка двигателя (капот) - Evinrude Шнур Start Only (Engine Cover - Evinrude Rope Start Only)

Крышка двигателя (капот) - Evinrude Шнур Start Only (Engine Cover - Evinrude Rope Start Only)

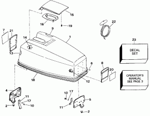
Крышка двигателя (капот) - Johnson 25-40 (Engine Cover - Johnson 25-40)

Крышка двигателя (капот) - Johnson 25-40 (Engine Cover - Johnson 25-40)

Крышка двигателя (капот) - Johnson 50 (Engine Cover - Johnson 50)

Крышка двигателя (капот) - Johnson 50 (Engine Cover - Johnson 50)

Крышка двигателя (капот) - Johnson Шнур Start Only (Engine Cover - Johnson Rope Start Only)

Крышка двигателя (капот) - Johnson Шнур Start Only (Engine Cover - Johnson Rope Start Only)

Удлинитель корпуса & Stern & Поворотный кронштейн (Exhaust Housing & Stern & Swivel Bracket)

Удлинитель корпуса & Stern & Поворотный кронштейн (Exhaust Housing & Stern & Swivel Bracket)

Топливный насос и Фильтр (Fuel Pump And Filter)

Топливный насос и Фильтр (Fuel Pump And Filter)

Топливный бак With Gauge (Fuel Tank With Gauge)

Топливный бак With Gauge (Fuel Tank With Gauge)

Топливный бак (Fuel Tank)

Топливный бак (Fuel Tank)

Редуктор (Gearcase)

Редуктор (Gearcase)

Ignition Переключатель & Кабели

Ignition Переключатель & Кабели "j" Model Number Suffix Only (Ignition Switch & Cable "j" Model Number Suffix Only)

Ignition System - Electric Start & Tl Models (

Ignition System - Electric Start & Tl Models ("m" Suffix) (Ignition System - Electric Start & Tl Models ("m" Suffix))

Ignition System - Electric Start & Tl Models (

Ignition System - Electric Start & Tl Models ("j" Suffix) (Ignition System - Electric Start & Tl Models ("j" Suffix))

Ignition System - Electric Start Te-ttl Mdls (

Ignition System - Electric Start Te-ttl Mdls ("m" Suffix) (Ignition System - Electric Start Te-ttl Mdls ("m" Suffix))

Ignition System - Шнур Start (Ignition System - Rope Start)

Ignition System - Шнур Start (Ignition System - Rope Start)

Ignition System-electric Start Te-ttl Models (

Ignition System-electric Start Te-ttl Models ("j" Suffix) (Ignition System-electric Start Te-ttl Models ("j" Suffix))

Впускной коллектор (Intake Manifold)

Впускной коллектор (Intake Manifold)

Jet Drive Kit (Jet Drive Kit)

Jet Drive Kit (Jet Drive Kit)

Литература Chart (Literature Chart)

Литература Chart (Literature Chart)

Нижняя крышка двигателя (Lower Engine Cover)

Нижняя крышка двигателя (Lower Engine Cover)

Краска Chart (Paint Chart)

Краска Chart (Paint Chart)

Управление наклоном & Trim (Power Tilt & Trim)

Управление наклоном & Trim (Power Tilt & Trim)

Механизированный дифферент наклона Электрика (Power Trim/tilt Electrical)

Механизированный дифферент наклона Электрика (Power Trim/tilt Electrical)

Механизированный дифферент наклона Электрика

Механизированный дифферент наклона Электрика "j" Model Number Suffix Only (Power Trim/tilt Electrical "j" Model Number Suffix Only)

Primer System - ручной Start (Primer System - Manual Start)

Primer System - ручной Start (Primer System - Manual Start)

Primer System - Electric Start (Primer System - Electric Start)

Primer System - Electric Start (Primer System - Electric Start)

Remote Tilt Переключатель Kit

Remote Tilt Переключатель Kit "j" Model Number Suffix Only (Remote Tilt Switch Kit "j" Model Number Suffix Only)

Rewind Стартер (Rewind Starter)

Rewind Стартер (Rewind Starter)

Переключатель & Соединитель дросселяage (Shift & Throttle Linkage)

Переключатель & Соединитель дросселяage (Shift & Throttle Linkage)

Переключатель & Соединитель дросселяage (continued) (Shift & Throttle Linkage (continued))

Переключатель & Соединитель дросселяage (continued) (Shift & Throttle Linkage (continued))

Рулевая система Соединитель Kit (Steering Link Kit)

Рулевая система Соединитель Kit (Steering Link Kit)

Рулевая система и Переключатель Handle

Рулевая система и Переключатель Handle "j" Model Number Suffix Only (Steering And Shift Handle "j" Model Number Suffix Only)

Рулевая система и Переключатель Handle

Рулевая система и Переключатель Handle "m" Model Number Suffix Only (Steering And Shift Handle "m" Model Number Suffix Only)

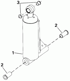
Tilt Assist Цилиндр (Tilt Assist Cylinder)

Tilt Assist Цилиндр (Tilt Assist Cylinder)

Transom Крепление Kit (Transom Mount Kit)

Transom Крепление Kit (Transom Mount Kit)

Vro Масляный бак Kit-1.8 галлон (Vro Oil Tank Kit-1.8 Gallon)

Vro Масляный бак Kit-1.8 галлон (Vro Oil Tank Kit-1.8 Gallon)

Vro Помпа (Vro Pump)

Vro Помпа (Vro Pump)

evinrude

Время выполнения запроса 0.61409687995911 сек.


 
 

данный сайт носит информационный характер и не является публичной офертой

склад запчастей для водомоторной техники