вконтакте

Контактный телефон: +7 (981) 121-46-93, +7 (800) 200-90-76 , Email: parts-katalog@yandex.ru, где купить

 
 

  Логин:

Пароль:

Регистрация

www.partskatalog.ru Все каталоги Запчасти Mercury Запчасти Suzuki Запчасти Tohatsu Запчасти Honda Контакты


Вернуться к началу выбора


Мощность Вашего двигателя: 70 л.с.

Год выпуска: 1991 год

Тип двигателя: 1608

Модификация двигателя: Evinrude E70TTLEIE 1991

   Выберите раздел

найти расходники на лодочные моторы Evinrude


Выберите раздел

Карбюратор (Carburetor)

Карбюратор (Carburetor)

Коленвал & Поршень (Crankshaft & Piston)

Коленвал & Поршень (Crankshaft & Piston)

Цилиндр & Картер двигателя (Cylinder & Crankcase)

Цилиндр & Картер двигателя (Cylinder & Crankcase)

Электростартер (Electric Starter)

Электростартер (Electric Starter)

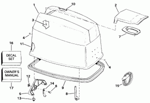
Крышка двигателя (капот) - Evinrude (Engine Cover - Evinrude)

Крышка двигателя (капот) - Evinrude (Engine Cover - Evinrude)

Крышка двигателя (капот) - Johnson (Engine Cover - Johnson)

Крышка двигателя (капот) - Johnson (Engine Cover - Johnson)

Топливный бак (Fuel Tank)

Топливный бак (Fuel Tank)

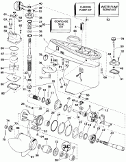
Редуктор (Gearcase)

Редуктор (Gearcase)

Ignition System (Ignition System)

Ignition System (Ignition System)

Впускной коллектор (Intake Manifold)

Впускной коллектор (Intake Manifold)

Нижняя крышка двигателя (Lower Engine Cover)

Нижняя крышка двигателя (Lower Engine Cover)

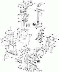
Midsection (Midsection)

Midsection (Midsection)

Краска Chart (Paint Chart)

Краска Chart (Paint Chart)

Механизированный дифферент наклона Электрика (Power Trim/tilt Electrical)

Механизированный дифферент наклона Электрика (Power Trim/tilt Electrical)

Механизированный дифферент наклона Hydraulic Assembly (Power Trim/tilt Hydraulic Assembly)

Механизированный дифферент наклона Hydraulic Assembly (Power Trim/tilt Hydraulic Assembly)

Переключатель & Соединитель дросселяage (Shift & Throttle Linkage)

Переключатель & Соединитель дросселяage (Shift & Throttle Linkage)

Румпель (Steering Handle)

Румпель (Steering Handle)

Vro Масляный бак Kit-1.8 галлон (Vro Oil Tank Kit-1.8 Gallon)

Vro Масляный бак Kit-1.8 галлон (Vro Oil Tank Kit-1.8 Gallon)

Vro Помпа (Vro Pump)

Vro Помпа (Vro Pump)

evinrude

Время выполнения запроса 0.44900703430176 сек.


 
 

данный сайт носит информационный характер и не является публичной офертой

склад запчастей для водомоторной техники