вконтакте

Контактный телефон: +7 (981) 121-46-93, +7 (800) 200-90-76 , Email: parts-katalog@yandex.ru, где купить

 
 

  Логин:

Пароль:

Регистрация

www.partskatalog.ru Все каталоги Запчасти Mercury Запчасти Suzuki Запчасти Tohatsu Запчасти Honda Контакты


Вернуться к началу выбора


Мощность Вашего двигателя: 25 л.с.

Год выпуска: 1991 год

Тип двигателя: 1619

Модификация двигателя: Evinrude E25TELEIE 1991

   Выберите раздел

найти расходники на лодочные моторы Evinrude


Выберите раздел

Карбюратор - 25 / 30 (Carburetor - 25/30)

Карбюратор - 25 / 30 (Carburetor - 25/30)

Коленвал & Поршень (Crankshaft & Piston)

Коленвал & Поршень (Crankshaft & Piston)

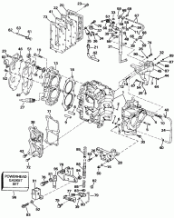
Цилиндр & Картер двигателя (Cylinder & Crankcase)

Цилиндр & Картер двигателя (Cylinder & Crankcase)

Электростартер & Solenoid (Electric Starter & Solenoid)

Электростартер & Solenoid (Electric Starter & Solenoid)

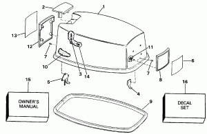
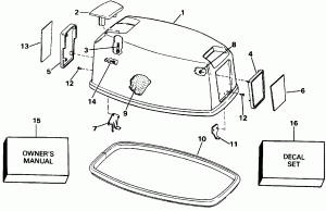
Крышка двигателя (капот) - Evinrude (Engine Cover - Evinrude)

Крышка двигателя (капот) - Evinrude (Engine Cover - Evinrude)

Крышка двигателя (капот) - Johnson (Engine Cover - Johnson)

Крышка двигателя (капот) - Johnson (Engine Cover - Johnson)

Топливный насос (Fuel Pump)

Топливный насос (Fuel Pump)

Топливный бак (Fuel Tank)

Топливный бак (Fuel Tank)

Редуктор (Gearcase)

Редуктор (Gearcase)

Ignition (Ignition)

Ignition (Ignition)

Впускной коллектор (Intake Manifold)

Впускной коллектор (Intake Manifold)

Нижняя крышка двигателя (Lower Engine Cover)

Нижняя крышка двигателя (Lower Engine Cover)

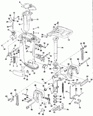
Midsection - 20 & 25 Models Only (Midsection - 20 & 25 Models Only)

Midsection - 20 & 25 Models Only (Midsection - 20 & 25 Models Only)

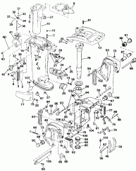
Midsection - 30 & 35 Models Only (Midsection - 30 & 35 Models Only)

Midsection - 30 & 35 Models Only (Midsection - 30 & 35 Models Only)

Краска Chart (Paint Chart)

Краска Chart (Paint Chart)

Primer System (Primer System)

Primer System (Primer System)

Start Переключатель & Кабелиs (Start Switch & Cables)

Start Переключатель & Кабелиs (Start Switch & Cables)

Рулевая система и Переключатель Handle (Steering And Shift Handle)

Рулевая система и Переключатель Handle (Steering And Shift Handle)

evinrude

Время выполнения запроса 0.77248311042786 сек.


 
 

данный сайт носит информационный характер и не является публичной офертой

склад запчастей для водомоторной техники